Позиционер
Данный позиционер поддерживает протокол DiSEqC 1.2 ,1.0, если ресивер не поддерживает не один из протоколов есть возможность управление при помощи управляющих кнопок позиционера. Есть возможность в дальнейшем разработать внешний генератор с командами протокола DiSEqC 1.2 с дистанционным управлением.

Эксплуатация позиционера.
После подключения к электрической сети позиционер считывает из памяти EEPROM (IC2) позиции, где именно находится , которые были записаны перед прошлым отключением напряжения. Позиции записываются в память EEPROM и при автоматическом отключении напряжения EXTERNIHO ZDROJE (MOTOR SUPPLY) (ИСТОЧНИК ПИТАНИЯ МОТОРА), который отключается через 5 сек. после последнего движения актюатора антенны. при первом включении, необходимо провести инициализацию (см. Инициализация позиционера).Теперь можно управлять позиционером при помощи команд стандарта DiSEqC 1.0, 1.2. со спутникового приемника (см. руководство по работе к данному приемнику), либо при помощи кнопок. VYCHOD (EAST) (ВОСТОК), ZAPAD (WEST) (ЗАПАД).
Если при повороте актюатора возникают помехи, и позиционер не регистрирует никаких импульсов в течение 3 секунд, то питание мотора отключится, (мотор не сломается),индикация выводится на двух разрядный индикатор ,отображающий упор в западном либо восточном направлении .
Это произойдет в следующих случаях:
- Наезд на механический концевой упор ротатора
- Механическое препятствие в ротаторе или зажатие кабеля
- Неисправность во внешнем источнике питания мотора (напр. предохранитель)
Позиционер инициализируется поворотом антенны на восточный крайний механический упор актюатора, который считается исходной (референтной) точкой. Потом поворачивается на восточный лимит (см. Программирование лимита).
Инициализацию актюатора антенны можно провести двумя способами:
1. Командой REFERENCE (то же, что и GOTO 0) из меню приемника (в стандарте DiSEqC 1.2)
При этом во всех ячейках ЕЕРОМ прописывается 80 00 80 00 80 00
2. Нажатием кнопки VYCHOD (EAST) (ВОСТОК) и включением питания от электросети.
Позиции спутников в позиционере программируются при помощи спутникового приемника по руководству по эксплуатации для данного приемника, либо при помощи кнопок следующим способом:
1. Дается команда в стандарте DiSEqC 1.0, 1.2 из нужной позиции (напр. GOTO , DiSEqC A)
2. При помощи кнопок позиционера поворачивается антенна на новую позицию .При удержании одной из кнопок и нажимая другую производится выбор номера позиции куда будет и записана текущая позиция спутника., либо переход на записанную ранее позицию.
3. Одновременно нажать кнопки VYCHOD (EAST) (ВОСТОК) и ZAPAD (WEST) (ЗАПАД) на 3 сек.
4. Двух разрядный индикатор начнет мигать с чередованием 3:1 (светит / не светит)на выбраном номере канала. Отпустить кнопки и направление будет задано на фактическую позицию .
В память позиционера можно загрузить (в зависимости от типа приемника) до 120 позиций.
6. Все команды управления с приемника передаются на порт процессора.
Позиционер позволяет задать крайние программируемые лимиты антенны (используя стандарт DiSEqC 1.2). Если лимиты сбиты, то ротатор антенны не сможет поворачиваться (кроме инициализации).Лимиты антенны позиционера программируется при помощи спутникового приемника по руководству к эксплуатации данного приемника.
Задание механического зазора актюатора
Последовательность:
1. Отключить напряжение электрической сети (вытащить питающий провод из розетки ,либо отключить питание сети кнопкой сеть).
2. Нажать обе кнопки и, удерживая, включить питание.
3. Двухразрядный индикатор должен показывать 00 и через некоторое время погаснет на 2 секунды. Если в этот момент отпустить кнопки, то будет задан зазор, равный нулю.
4. Через 2 секунды индикатор опять загорится и погаснет. Зазор задается отпусканием кнопок в момент, когда число миганий индикатора равно нужному количеству импульсов коррекции зазора. Заданный зазор автоматически загружается в память EEPROM.
Кнопки
Кнопка VYCHOD (EAST) (ВОСТОК):
1. Направляет движение параболы на восток – при включении питания.
2. Инициализация – см. Инициализация позиционера.
3. Задание зазора – см. Задание механического зазора ротатора.
4. Загрузка позиций – см. Программирование позиций.
5. Выбор № позиции записанной в память ,вверх.
6. Запись выбранной позиции в память позиционера.
Кнопка ZAPAD (WEST) (ЗАПАД):
1. Направляет движение параболы на запад – при включении питания.
2. Задание зазора – см. Задание механического зазора ротатора.
3. Загрузка позиций – см. Программирование позиций.
4. Выбор № позиции записанной в память ,вниз.
5. Запись выбранной позиции в память позиционера.
Показания двух разрядного индикатора.
Двух разрядный индикатор при работе позиционера показывает:
1. Постоянно горит - правильная работа процессора
2. Е2 – наезд ротатора антенны на крайний механический ограничитель, помеха движению ротатора (не регистрируются импульсы),не подключен ,либо в обрыве датчик, при этом питания на мотор актуатора не поступает.
3. Мигает с чередованием 3:1 (светит / не светит) в течении 5сек - накладка фактических позиций антенны на фактические позиции, занесенные в память при помощи кнопок позиционера (см. Программирование позиций), если позиционер программируется при помощи кнопок позиционера.
4. Гаснет на 0,5 секунды – прием команды стандарта DiSEqC 1.0, 1.2.
5. Поочередное перемещение нижних разрядов индикатора в право, показывает направление ZAPAD (WEST) (ЗАПАД), Поочередное перемещение нижних разрядов индикатора в влево ,показывает направление VYCHOD (EAST) (ВОСТОК):
6. Цифры от 1 до 120 показывают номер позиции спутника.
7. Мигающая цифра номера канала показывает ,что данный № ячейки не записан и доступен для записи позиции.
Схема подключения индикатора показана на рис Индикаторы вместе с кнопками повышают комфорт работы. Позиционер будет очевидно работать и без платы индикатора (не будет иметь возможности задавать зазор актюатора параболы, и следить за перемещением и т.д.).
Печатная плата индикатора укрепляется с помощью стоек, которые прикрепляются к лобовой части корпуса. Плату индикатора можно собрать и на универсальной плате с печатным монтажом.
Программирование позиционера
После подключения к электросети позиционер считывает из памяти EEPROM (IC2) позицию, куда именно нацеливаться, т.е. позиция которая была загружена в память перед последним (случайным) отключением напряжения. Позиции загружаются в память EEPROM и при автоматическом отключении напряжения EXTERNIHO ZDROJE (MOTOR SUPPLY) (ИСТОЧНИК ПИТАНИЯ МОТОРА), которое отключается через 15 секунд после последнего поворота актюатора антенны. При первом включении, необходимо провести инициализацию. Позиционер инициализирует направление антенны на восточный крайний механический упор актюатора, который считается исходным (референтным) пунктом.
Инициализацию актюатора антенны можно провести двумя способами:
- Командой REFERENCE (то же, что и GOTO 0) из меню приемника (в стандарте DiSEqC 1.2)
- Нажатием кнопки VYCHOD (EAST) (ВОСТОК) и включением напряжения электрической сети.
Позиционер программируется при помощи спутникового приемника по руководству по эксплуатации данного приемника. Во время работы выясняется, какой механический зазор имеет рататор (любительские и актюаторы старших версий), и при помощи кнопок задается зазор (см. далее).Если при направлении актюатора возникает какая-либо помеха (концевой упор актюатора, механическое препятствие, либо предохранитель во внешнем устройстве) и позиционер не регистрирует в течение 3 секунд ни одного импульса, то питание мотора отключиться (мотор не сломается),
- Наезд на механический концевой упор актюатора
- Механическое препятствие в актюаторе или зажатие кабеля
- Неисправность во внешнем блоке питания мотора (напр. предохранитель)
- Отсутствие сигналов с датчика актуатора
DiSEqC 1.2 - позиционер для управления спутниковыми антеннами
Руководство по установке –
Это руководство предназначено для владельцев цифровых либо аналоговых спутниковых приемников, поддерживающих коммуникационную систему DiSEqC 1.2. которые соединены с позиционером (управляющая часть + внешний источник питания для мотора), а ротатор поворачивает антенну на нужный спутник простым переключением программируемого канала на приемнике. Используемая система команд DiSEqC 1.2 является стандартом для современных приемников. Все команды для позиционера посылает приемник, а установки осуществляются через “ON SCREEN MENU”(ЭКАННОЕ МЕНЮ) приемника с которым можно ознакомится на примере HUMAX 5300.
Технические данные управляющей части
|
Поддерживает |
стандарт DiSEqC 1.2 Кнопки |
|
Ток входа LBN приемника |
Макс. 1 мА |
|
Количество возможных позиций в памяти позиционера: |
120 |
|
Количество импульсов с датчика: |
Макс. 32 767 |
|
Количество импульсов коррекции зазора: |
От 0 до 15 (настраивается кнопкой) |
|
Частоты импульсов от датчика: |
От 0,3до200Гц(от20 до12000 имп/мин) |
|
Длительность импульса |
Мин 5 мс |
|
Тип датчика: |
«язычковый» контакт (TTL),геркон |
|
Шестнадцатеричное число устройства DiSEqC: |
31 |
|
|
|
Коротко о DiSEqC
DiSEqC = устройство цифрового управления спутниковым оборудованием
DiSEqC – это коммуникационный стандарт между спутниковым приемником и переферийным оборудованием приемника при использовании действующего коаксиального кабеля между приемником и конвертором LNB.
Устройство с DiSEqC может быть включено изолированно, а может обьединять все управляемые аналоговыми сигналами устройства (управление напряжением, тоном, шириной импульса) - добавочные конверторы LNB, прерыватели, позиционеры, которые требуют дополнительной прокладки кабеля (коаксиального, парного).
Концепция DiSEqC заложена в выходном 22 КГц сигнальном методе минимизации изменений в приемнике и сохранении обратной совместимости устройств. В системе с DiSEqC используется одно устройство управления “MASTER” (спутниковый приемник) и одно или больше управляемых устройств SLAVE. Коммуникацию ведет только приемник MASTER. Поэтому не нужно программное обеспечение в приемнике, которое бы постоянно проводило мониторинг (на вызов прерывания), когда периферия будет сообщать неиспользуемую информацию приемнику (в DiSEqC 2.х используемую, только в определенное время). Приемник посылает команды «рассеканием» существующего сигнала 22 КГц, что делается полностью программным способом, либо с незначительной аппаратной поддержкой. Каждое внешнее устройство имеет опознавательный знак, который приемник посылает в начале команды, для того устройства, с которым осуществляется коммуникация (например, если позиционер распознает, что это команда для него, то он выполнит ее, в противном случае он проигнорирует команду).DiSEqC 1.х = однонаправленная коммуникация от приемника к периферии.
Описание подключения
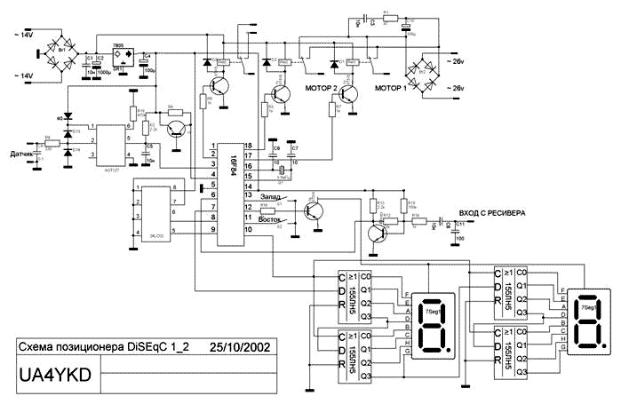
Управляющая часть позиционера помещается на одной печатной плате (рис. 2 и 3). Схема подключения на рис.1.Программа процессора контролирует и поддерживает все функции позиционера:
- Декодирование данных DiSEqC 1.2.
- Управление направлением вращения мотора
- Снятие импульсов с датчика ротатора
- Коммуникация стандарта I2C с памятью EEPROM
- Поддержка кнопок и двухразрядного индикатора
Для корректного запуска процессора при включении напряжения проложена цепь Т6, R12, R13, R14.
Высоты спутников зарегистрированы в памяти EEPROM 24LC02 (IC2), в которой можно записывать до 120 позиций спутников.
Подключение внешнего устройства осуществляет цепь R6, T3, RE13, D, J4 “SPINAC EXT” . На зажимы выведены выключатели и разрывный контакт реле REI3_A для возможности использовать какие-либо отключаемые устройства.
Мотор управляется по цепи R3, Т1, RE12, D при работе в одном направлении и R7, T2, RE11, D в другом направлении. К контактам Мотор 1и Мотор 2 присоединены зажимы J2 и J3. К зажиму J3 ( из-за индукции в кабеле и помех) параллельно подключена защитная цепь R1 вместе с С3, расчитанная на мотор до 40 В, 100 Вт. Если контакты обоих реле в состоянии покоя ,то обмотка мотора закорачивается так, что появляется как бы моторный тормоз при повороте мотора.
Между датчиком и входом процессора проложена защитная цепь R9, DD1, R18, D8, D13, C9, D14.
Согласование входа декодера DiSEqC 1.2 в процессоре осуществляется компаратором, реализованным на R13, R15, R12, T4, D7, R14, C11, L1, C8, J6.
Основу устройства составляет тороидальный трансформатор 230 В / 24В, который выбран из-за высокого коэффициента полезного действия. Напряжение с трансформатора выпрямляется и фильтруется (напряжение постоянного тока 29 В).
|
Подбор составных частей внешнего устройства |
||||
|
Трансформатор |
Мощность (VA) |
Выход |
Предохранитель РО1 |
Предохранитель РО2 |
|
В3101 |
40 |
24В / 1,67 А |
Т 500 мА |
2 А |
|
В3102 |
63 |
24В / 2,63 А |
Т 800 мА |
3,15 А |
|
В3103 |
100 |
24В / 4,17 А |
Т 1,25 А |
5 А |
Команды ,коротко…..
Временная
диаграмма сигнала управления DiSEqC представлена на рис. Для кодирования
DiSEqC-посылок применяется широтно-импульсная манипуляция тонового сигнала
несущей частоты 22 кГц. За единицу кодирования принята длительность посылки 500
мкс. На рис. 2 показано, что номинальная длительность импульса, соответствующая
логическому "О", равна 22 периодам несущей тонового сигнала, а
логической "1" - 11 периодам тонового сигнала. Управляющие сигналы DiSEqC
совместимы с присутствующими в коммуникационном кабеле напряжениями
переключения поляризации и тоновым сигналом переключения гетеродинов
универсального конвертора. На рис. 3 приведена структура DiSEqC-посылки. Ниже
приводим расшифровку отдельных полей посылки для версии DiSEqC 1.2.
Группа команд, относящаяся к управлению позиционером, объединена в протоколе DiSEqC 1.2 в отдельное подмножество управляющих последовательностей (команд). Команды управления позиционером в версии протокола DiSEqC 1.2 - "однонаправленные": ресивер управляет позиционером, не нуждаясь в ответном сигнале от него.
В этом случае необходимо, чтобы ресивер вырабатывал основные команды для системы с поворотной антенной, а блок позиционера обеспечивал их выполнение. Обычно ресивер формирует напряжения 13/18 В для питания конвертора и переключения поляризации и смешанные с ними сигналы DiSEqC-команд.
Система команд управления движением антенны предназначена для контроля за перемещением антенны (в направлениях восток и запад) и остановки позиционирования в точках, ограничивающих зону безопасного перемещения. Говоря о перемещении (повороте) антенной системы, обычно имеют в виду поворот вокруг оси полярной подвески. Дополнительно протокол DiSEqC 1.2 предусматривает команды перемещения антенны в угломест-ной плоскости для управления двухкоординатным позиционером.
DiSEqC-сигнал управления позиционером состоит по крайней мере из трех байт:
Команда DiSEqC
содержит несколько байтов данных. Согласно протокола, команда состоит из
следующих байтов (каждый из которых оканчивается битом контроля четности):
1 - 'Framing byte' - определяет источник команды (master или slave), а также,
требуется ли ответ (replay) для источника (например, "Е0h" - от master,
ответ не требуется);
2 - 'Address byte' - указывает, какому из устройств, находящихся на шине,
предназначена команда (например, "31h"-для позиционера);
3 - 'Command byte' - определяет действие, которое должно выполнить адресованное
устройство (например, "6Ah" - сохранить позицию);
4 и все последующие байты - 'Data bytes' - содержат данные, относящиеся к
команде (например, команда "E0 31 6A 02" означает сохранить
текущую позицию под номером 2 в памяти позиционера);
Байты передаются один за другим, при этом, старший бит передается
первым (Most Significant Bit first).
Прокофьев Игорь
(UA4YKD)
г.Алатырь ул Стрелецкая 100Б кв 5