\главная\р.л. конструкции\разное\...

Программатор PIC контроллеров

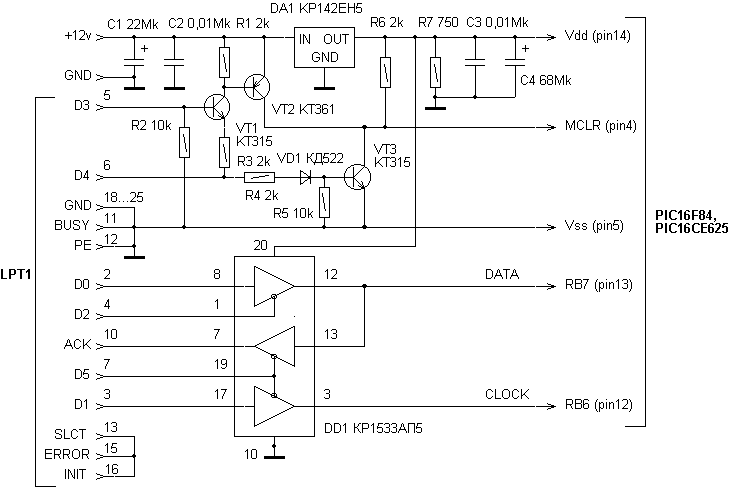
Конструкция представляет из себя очень простое и дешевое устройство для программирования и последующего чтения внутренней памяти PIC контроллеров типа PIC16C84 /83, PIC16F84 /83, PIC16CE625 /624/623. В отличие от многих аналогичных конструкций, программатор допускает внутрисхемное программирование.

При разработке за основу была взята схема AN589, рекомендуемая фирмой "Microchip" в документе 00589a.pdf  (42кб). В нем подробно описана как работа схемы, так и алгоритм программирования.

Программатор питается от источника напряжением 12…13v с током до 100ma и подключается к порту LPT1 персонального компьютера. Управляющая программа разрабатывалась для MS DOS, поэтому при работе в среде «Windows» для соблюдения необходимых временных соотношений при программировании ее необходимо запускать в режиме эмуляции MS DOS. Хотя сама программа прекрасно работает и в оконном режиме, попытка программирования в этом случае ни к чему хорошему не приведет. Алгоритм программирования большинства PIC контроллеров одинаков, поэтому не составит труда расширить их номенклатуру, просто у автора не было такой необходимости. Интерфейс программы прост и интуитивно понятен, однако желающие могут попытаться внести любые, необходимые на их взгляд усовершенствования. Вы можете загрузить исполняемый файл и исходный текст программы на Си с подробными комментариями на русском языке prg16c.zip  (36кб).

Схема программатора

Н.Хлюпин (RA4NAL), ra4nalr@write.kirov.ru  
610016  Россия, г.Киров-16, а/я 1906
(C) 1999-2000г.
http://www.kirov.ru/~ra4nalr

Возврат