\главная\р.л. конструкции\разное\...

Декодер телевизионных сигналов стандарта MMDS

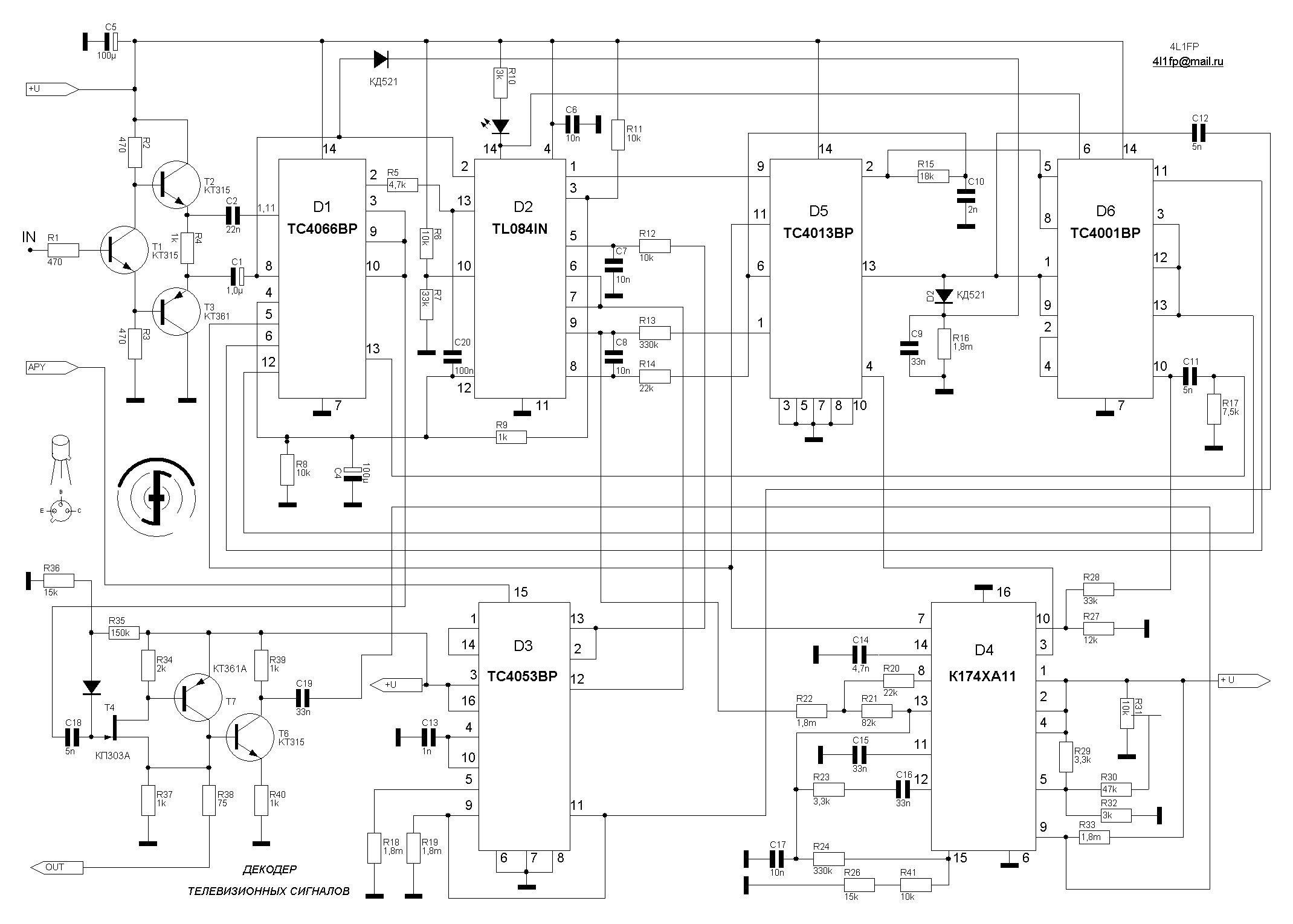
Предлагаю схему декодера телевизионных сигналов стандарта MMDS. Схема срисовывалась с платы заводского декодера, так же как и разводка печатных проводников. Декодер имеет вход, выход, управление АРУ, питание +9..+12В.

Подробнее

Подробнее Подробнее Подробнее Подробнее Подробнее

Александр (4L1FP).



Глас народа
29.06.2012 16:29 привет всем есть проблема я с Гродно у нас цифровое телевидение с...  -- 
30.07.2010 17:46 Привет всем а мож но ли взломать декодор чтоб по больше каналов б...  --  landry
18.04.2010 17:22 Предлагаю ещё одну схему декодера ASC500 когда жил на Сахалине у ...  --  Mixa33
14.04.2010 16:33 Предлагаю ещё одну схему декодера ASC500 когда жил на Сахалине у ...  --  Mixa33
01.01.2010 01:36 так всё таки декодер MMDS пашет или нет. Если пашет скиньте схемк...  --  Aleks3D
19.12.2009 22:25 Здравствуйте. Скиньте пожалуйста прошивку для PIC16F628A дескра...  --  Василий
29.07.2009 10:11 Уважаемые спецы Скиньте прошивку для PIC16F628A контроллера деск...  --  girl
12.07.2009 22:53 Вопрос такой чем можно заменить TL084IN...  --  Молот
28.05.2009 11:51 Здраствуйте спецы хотелось бы приобрести прошивку на PIC контро...  --  kaliksok
11.05.2009 01:01 Здравствуйте! Будьте добры, скиньте пожалуйста прошивку на PIC ко...  --  Guest
03.11.2008 13:27 у меня вопрос такой, у нас вещают кодированные каналы в системе A...  --  faust
27.07.2008 20:46 Есть декодеры ,работают без абон платы по 1000руб slil.ru/260129...  --  slon
30.06.2008 08:56 ищу схему декодера для mmds для хабаровска...  --  алексей
07.02.2008 09:36 ничего не получится, т.к. надо произвести демодуляцию цифрового ...  --  vadim
04.02.2008 05:55 Возможно ли дешифровка цифровых каналов? Можно ли для этого присп...  --  ochkovsky@mksat...
25.08.2007 15:10 Если кодировка в аналоге,видеосигнал закодирован,звук в TV будет?...  --  NET
08.07.2007 06:28 Какой толк от схемы,если нет прошивки процессора...  --  Korsar
29.06.2007 12:38 Мужики у кого есть реальная схема на PIC контролере дескрамблера ...  --  mastro
28.06.2007 16:27 Александр. Есть ли у вас печатки декодера...  -- 
13.01.2007 10:53 ALEX-у. А пробовали просмотреть осциллографом кодированные и нек...  --  vadim
13.01.2007 00:46 VADIMY. Всё это было бы так, если бы не 3 (уже 3!) телевизора вис...  --  ALEX
13.12.2006 22:16 ALEX-у. По тому как декодер имеет AV вход (а это именно вход виде...  --  vadim
13.12.2006 01:43 ДОБРОГО ДНЯ ВСЕМ! В продолжении к написанному скажу, без обратной...  --  ALEX
07.12.2006 20:45 Как указано в сообщении Vadim’а от 20 марта, декодер предназначен...  --  Владимир
06.12.2006 14:26 ДОБРОГО ДНЯ ВСЕМ! ВОПРОС ВСЕМ ПО КОДИРОВКЕ. ДЕКОДЕР ИМЕЕТ ВХОД-ВЫ...  --  ALEX
05.12.2006 12:35 Хелоу. У нас MMDS закодирован Crypton, 3 уровень. Я думаю, Ваш ап...  --  Fedya
23.11.2006 22:22 Могу только отметить, что этот декодер давно уже заработал бы, ес...  -- 
21.11.2006 19:01 Уважаемый Vadim, не стоит иронизировать. Схема 1:1 соответствует ...  --  Владимир
21.11.2006 18:21 А может Vadim тоже сможет внести свою лепту, добавив произведенны...  --  duser
21.11.2006 13:53 Может быть Владимир еще и расскажет как работает схема и методику...  --  vadim
21.11.2006 06:54 Схема (169 кБ) декодера, модифицированная в соответствии с правил...  --  Владимир
16.11.2006 20:29 Уважаемые коллеги, по-моему, на форуме нашем присутствуют и посещ...  --  Владимир
16.11.2006 11:37 vadim, не стоит так обижаться! Очень прошу Вас поделиться своими...  -- 
15.11.2006 22:31 Все дошло до абсурда. Александр сделал доброе дело, выложив схем...  --  vadim
15.11.2006 15:35 Присоединяюсь к мнению Владимира и прошу vadim-а ,раз уж он смог ...  --  duser
14.11.2006 19:42 Извините, Vadim, давайте обсуждать вопрос холодно и без взаимных ...  --  Владимир
14.11.2006 16:54 Владимир, ты невнимательно читаешь предыдущие сообщения. Я писал...  --  vadim
12.11.2006 10:44 Уважаемые коллеги радиолюбители и профессиональные радиоинженеры!...  --  Владимир
06.11.2006 14:44 Уважаемые коллеги из тех, кто повторил конструкцию Александра, и ...  --  Владимир
03.11.2006 00:10 ищу схему декодера MMDS в г.Могилёве...  --  IGOR
02.10.2006 16:25 Заранее благодарен, а то я думал......  --  Адилет
30.09.2006 10:51 Как раз над этим и идет работа. Таблица напряжений была утеряна....  --  4L1FP
27.09.2006 13:57 Александр! Как насчёт обещанного : "Размещю схему включения в тел...  --  Адилет
23.09.2006 14:28 Можешь мне прислать схему ММДС декодера с хорошим качеством, поло...  --  Zlodey
18.09.2006 15:10 Александр! Как насчёт обещанного : "Размещю схему включения в тел...  --  duser
15.09.2006 17:31 Случайно забрел на эту ветку. Года 3 назад я сам делал SSAVI деск...  --  Long_foot
05.09.2006 12:57 Александр! Как насчёт обещанного : "Размещю схему включения в ...  --  duser
29.08.2006 16:55 Много раз просили меня расписать аналоги микросхем. 4013 - К561Т...  --  4L1FP
09.06.2006 23:27 duser, не кажется что у Вас странные представления о порядочности...  --  vadim
02.06.2006 19:19 2Nautica: Я из минска. Интересует эта тема, есть кое-какая инфор...  --  AlexKV
29.05.2006 20:20 Nautica ! У меня для Вас есть интересная информация ! Отправьте...  --  duser
29.05.2006 17:25 Спасибо Duser за ответ, разобрался что к чему!!! Начал просматрив...  --  Nautica
26.05.2006 13:00 Потому,что в ходе преобразования кодированного видеосигнала в н...  --  duser
26.05.2006 12:10 Вопрос остаеться только за псевдослучайным инвертированием видеос...  --  Nautica
25.05.2006 18:37 Уважаемый Александр (4l1fp) ! Вы писали : «Как я понимаю у нас з...  --  duser
25.05.2006 11:49 Также хотел поделиться принципом построения декодера по описанию ...  --  Nautica
25.05.2006 11:48 Также хотел поделиться принципом построения декодера по описанию ...  --  Nautica
25.05.2006 08:49 Как я понимаю у нас здесь самый простой вид кодировки. Можно взя...  --  4L1FP
23.05.2006 19:51 Всем доброе время суток, полгода искал ресурс по декодерам. Может...  --  Nautica
04.05.2006 15:39 Цитата: "Данный декодер декодирует SSAVI, причем самую простейшую...  --  duser
03.05.2006 20:41 Декодер,собранный по опубликованной схеме автоматически инверсию ...  --  vadim
02.05.2006 15:18 Может ли этот дескремблер ТВ сигнала с кодировкой SSAVI автоматич...  --  duser
09.04.2006 00:30 С выхода тюнера выходит сигнал ПЧ, который постутает на микросхем...  --  4l1fp
06.04.2006 11:17 У меня телевизор SHARP, декодр поключать к видео выходу с процесс...  --  Адилет
05.04.2006 21:17 Хотел узнать в г АЛМАТЕ какои вид кодировки. ...  --  OZZI
31.03.2006 01:38 Какой телевизор,какой марки? Надо включать в разрыв цепи между в...  --  4l1fp
30.03.2006 11:34 я собрал данный декодр но не знаю куда подключить, то есть на раз...  --  Адилет
25.03.2006 08:46 Заменить микросхемы конечно можно,я ставил и отечественные,все ра...  --  4l1fp
21.03.2006 16:38 Можно заменить в схеме микросхемы на такие же с другими индексами...  --  vadim
21.03.2006 15:08 Можно ли заменить в схеме микросхемы на такие же но с другими пос...  --  Vitalik
21.03.2006 00:49 Как насчет искожения не знаю, не замечал, во всяком случае больше...  --  4L1FP
20.03.2006 12:14 Данный декодер декодирует SSAVI, причем самую простейшую ее разно...  --  vadim
19.03.2006 15:11 А что насчет системы кодировки??? Vadim писал что у него декодер ...  --  radist
18.03.2006 16:59 Название декодера нет, да и не было. С развитием MMDS вещания у ...  --  4l1fp
18.03.2006 11:27 Относительно схемы: Схема проверялась много раз-100% рабочая. П...  --  4L1FP
15.03.2006 16:30 А как правильно подключить данный декодер , и когда выложат допол...  --  Vitalik
13.03.2006 12:21 Александр, скажите пож. в схеме АРУ ничего не напутано?, а так де...  --  Vadim
07.03.2006 13:32 Помогите как подключить и настроить данный декодер MMDS...  --  Adilet
14.02.2006 13:09 Здравствуйте!!! Что нового насчет системы кодирования??? И еще, ...  --  radist
14.02.2006 13:09 Здравствуйте!!! Что нового насчет системы кодирования??? И еще, ...  --  radist
14.02.2006 12:59 Здравствуйте!!! Что нового насчет системы кодирования??? И еще, ...  --  radist
14.02.2006 12:57 Здравствуйте!!! Что нового насчет системы кодирования??? И еще, ...  --  radist
04.02.2006 01:43 Точно узнать систему кодирования (а их сотни только аналоговых) м...  --  Oleg
03.02.2006 19:18 Насчет кодирования, точно незнаю, но вполне возможно узнать! Так ...  --  4l1fp
03.02.2006 13:15 ASC-500- понятие тоже растижимое, это может быть и CriptOn и SSAV...  --  radist
03.02.2006 13:15 ASC-500- понятие тоже растижимое, это может быть и CriptOn и SSAV...  --  radist
03.02.2006 12:48 А интересно CriptOn раскодирует???...  --  radist
01.02.2006 20:58 Абсолютно с вами согласен!...  --  4L1FP
01.02.2006 15:18 Выражение - "декодирования телевизионных сигналов MMDS" - смысла ...  --  ua0lnj
31.01.2006 01:54 Вскоре выложу дополнение к данной статье, а именно,таблицу напряж...  --  4l1fp
30.01.2006 23:36 Данный декодер преднозначен для декодирования телевизионных сигна...  --  4l1fp
30.01.2006 19:07 Александр пож ответьте какой вид кодировки берет данный декодер...  --  rn3dn

Возврат

Термобарьер 2 Огнезащитный атмосферостойкий состав.