Усилитель мощности на лампах с непосредственным сетевым питанием анодных цепей.
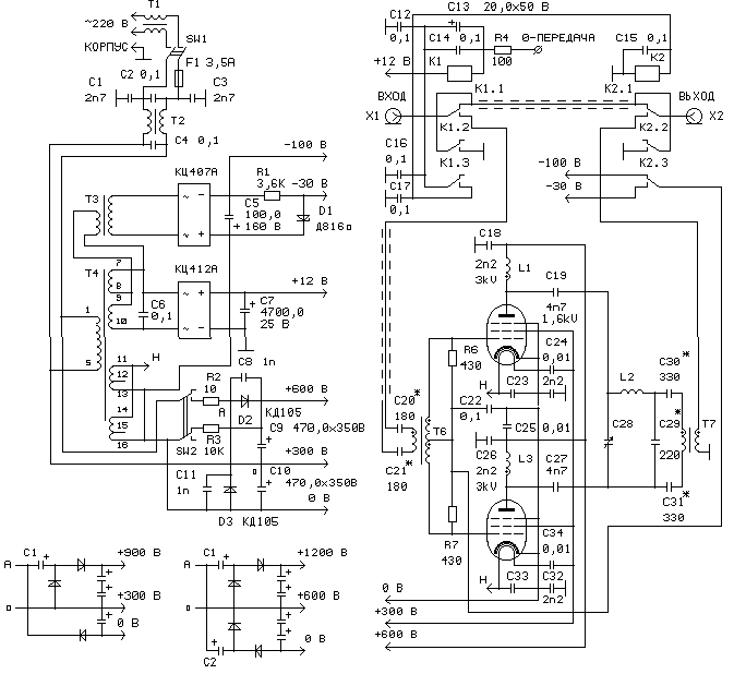
На эту тему уже довольно много написано, однако интерес к ней не угасает. Действительно, возможность использовать почти безграничный ресурс мощности такого источника питания как бытовая электросеть, соблазнительна. С другой стороны не ослабевает интерес к ламповым оконечным усилителям мощности (PA), по причине известных их достоинств - мощности, способности выдерживать перегрузки, сравнительной дешевизне, доступности и другим. По непонятной мне причине радиолюбители при создании ламповых РА избегают применения двухтактных схем, хотя они обладают лучшей линейностью и экономичностью, чем однотактные. По всей видимости вызывает трудности правильная расфазировка входного сигнала, да и от привычного П- контура на выходе тяжело отказаться. Часто используются схемы с заземленными сетками и с параллельным включением нескольких ламп. К стати, целесообразность распараллеливания у меня вызывает сомнения, ведь выигрыш по мощности далеко не пропорционален количеству используемых ламп. Усилитель может пригодиться и “братьям нашим меньшим”- труженикам диапазона СВ - 27 МГц. И какой ни будь коротковолновик поблагодарит меня за внезапное исчезновение “хвостов” на диапазоне 10 метров от ближнего СВ-ста. Главное опасение в схемах с непосредственным сетевым питанием вызывает вопрос электробезопасности. Но насколько обоснованы такие опасения? Ведь при “желании” можно с не меньшим успехом влезть под напряжение и в схеме с трансформаторным питанием. Конечно, некоторые неудобства есть. Шасси усилителя не является теперь общей минусовой шиной питания и гальванически изолировано от сети. В предлагаемой схеме усилителя применяется многоступенчатая развязка его входа и выхода от проникновения напряжения сети. По существу опасными являются только электроды ламп, цепи смещения сеток и цепи накала. “Горячие” элементы на выходе уже не опасны, они отделены конденсаторами С19, С27 .Вторая ступень защиты по выходу- конденсаторы С30, С31. И третья ступень- десимметрирующий широкополосный трансформатор Т7 .По входу усилитель изолирован конденсаторами С20, С21 и трансформатором Т6.
СХЕМА, ДЕТАЛИ И КОНСТРУКЦИЯ УСИЛИТЕЛЯ.

Схема этого усилителя имеет концептуальный характер, дает довольно широкое представление о работе устройства и стимулирует фантазию радиолюбителей, побуждая их к самостоятельным действиям. Усилитель был собран и испытан в макетном варианте. Сперва в нем были использованы лампы 6П3С, взятые по принципу “их много и их не жалко”. Однако и они показали отличные результаты. Усилитель использовался совместно с радиостанцией СВ- диапазона, переделанной для работы на диапазоне 10 м и имел следующие параметры.
Пиковая неискаженная мощность при двусигнальном методе осциллографического измерения на эквиваленте нагрузки 50 Ом - 50 Вт.
Входное сопротивление - 50 Ом.
КСВ входной цепи- не хуже 2.
Коэффициент усиления по мощности- около 10 раз.
Вес вместе с шасси - около 3 кг.
Сигнал возбуждения подается на вход усилителя через разъем Х1. Два реле- входное и выходное, используются для коммутации режимов прием-передача. Для повышения устойчивости усилителя отрезок кабеля, используемый для сквозного прохода сигнала антенны на вход радиостанции в режиме передачи закорачивается контактами К1.2 реле К1 и контактами К2.2 реле К2 на землю. Широкополосный не резонансный входной трансформатор Т6 имеет несколько назначений. Первое из них, как уже упоминалось, это гальваническая изоляция схемы от сети. Трансформатор, так же, выполняет функции повышения напряжения входного сигнала, его расфазировки и согласования входа усилителя с выходным сопротивлением драйвера, равным 50 Ом. Конденсаторы С20, С21 служат для дополнительной гальванической развязки. Их величина подбирается для компенсации индуктивной составляющей обмоток трансформатора Т6 до получения наилучшего КСВ входной цепи. Подбор производится с вставленными лампами т.к. при этом учитывается емкость сетка- катод. Напряжение на экранных сетках ламп равно 300 В и не нуждается в дополнительной стабилизации. Нагрузкой каждого анода служат дроссели L1, L3 .В моей конструкции ими служат входные катушки от приемника Р311 для диапазона 1,5 -6,5 МГц. Но можно изготовить дроссели самостоятельно, намотав на каркас диаметром 10- 20 мм около 200 витков и разделив намотку на 3- 4 секции. Для обеспечения симметрии усилителя оба дросселя должны быть по возможности идентичными. На выходе использован обыкновенный П- контур, включенный через разделительные конденсаторы С19, С27, которые к тому же являются первым барьером гальванической развязки со стороны выхода. Усилитель имеет всего один элемент подстройки- конденсатор С28. Желательно использовать конденсатор с керамическими держателями статора и ротора. Возможно применение конденсатора типа “бабочка”, ротор которого соединен с шасси, а два статора включены в П-контур. В принципе, усилитель хорошо работает на всех КВ любительских диапазонах, следует только предусмотреть переключение катушки П-контура. Нагрузочное сопротивление РА равно 50 Ом. Оно определяется емкостью конденсатора С29. В случае необходимости изменить величину сопротивления нагрузки, следует подобрать величину этого конденсатора. На выходной разъем Х2 сигнал подается через разделительный трансформатор Т7 с коэффициентом транформации 1:1. Перед установкой этого трансформатора, следует с помощью какого-либо передатчика, подобрать величину конденсаторов С30, С31, установив минимальный КСВ цепи, пропуская сигнал через этот трансформатор на эквивалент антенны. Схема питания усилителя довольно проста и состоит из выпрямителя- удвоителя напряжения сети и накального трансформатора Т4 с обмоток которого так же берется напряжение для питания антенных реле и смещения управляющих сеток.
Сетевой фильтр состоит из нейтрализующего трансформатора Т2 и катушки Т1, которая представляет собой два витка сетевого провода, пропущенных через ферритовое кольцо МН2000 в противоположных направлениях. Элементы фильтра Т2, С2, С4 взяты из импортного импульсного блока питания. От туда же взят резистор R2. В момент включения сети из за импульса тока заряда конденсаторов С9 - С10 его сопротивление мгновенно увеличивается и предотвращает перегрузку. В рабочем режиме этот резистор имеет номинальное сопротивление. Его можно заменить обычным сопротивлением с мощностью не менее 10 Вт. Накальный трансформатор взят промышленного изготовления типа ТН33-220-50. В качестве источника напряжения смещения первых сеток ламп используется отдельный малогабаритный трансформатор. Мною был использован согласующий трансформатор от абонентского громкоговорителя. Напряжение на его вторичной обмотке составляло около 80 вольт. Отрицательное напряжение смещения следует подобрать включением нужного стабилитрона D1, таким образом, чтобы установить ток покоя каждой лампы равным приблизительно 40 мА. Окончательная величина смещения устанавливается по минимальным искажениям выходного сигнала, контролируемого осциллографом при подаче на микрофонный вход передатчика двухчастотного сигнала. О линейности РА можно так же судить, подавая на вход усилителя АМ сигнал с глубиной модуляции близкой к 100 процентам. В данной схеме мною были испытаны такие лампы, как 6П3С, 6П45С, ГУ29, ГУ50. Во всех случаях усилитель имел хорошую устойчивость и экономичность. Корреспонденты отмечали прибавку силы сигнала до 3-х баллов при неизменности качества исходного сигнала.
Питание усилителя включается тумблером SW1, разрывающим оба провода сети. После прогрева катодов ламп, тумблером SW2 подается анодное напряжение. Резистор R3 служит для быстрого разряда конденсаторов анодного питания, через 3- 5 секунд напряжение на них снижается до безопасной величины. Для этой конструкции мне удалось достать электролитические конденсаторы фирмы RUBYCON емкостью 440 МКФ и напряжением 350 вольт с удивительными габаритами- диаметром 22 и длинной 55 миллиметров. Входной трансформатор Т6 наматывается на кольцевом сердечнике из феррита ВЧ 50 и с внешним диаметром около 2 см. Можно использовать любой феррит без ухудшения параметров. Намотка трансформатора производится одновременно четырьмя слабо скрученными проводниками и содержит 6 витков. Я использовал монтажный разноцветный провод типа МГШВ диаметром 1-1,5 мм. После соединения выводов вторичной обмотки согласно схеме делается вывод средней точки, проплавляя центральный провод обмотки разогретым паяльником. Перемещая место отвода, следует добиться равенства ВЧ напряжений на полуобмотках. В данной конструкции усилителя коэффициент трансформации выбран равным 1:(2x1,5). При большем коэффициенте трансформации мне не удавалось получить КСВ по входу менее 3-х. Выходной трансформатор Т7 намотан на кольце диаметром около 5 см из феррита МН1000. Использовался обмоточный провод диаметром 0,8 мм сложенный в два слоя и сильно скрученный ( 5 скруток на сантиметр). Обмотка содержит 8 витков. Особое внимание следует уделить правильности монтажа выводов этого трансформатора. Один раз я присоединил вторичную обмотку к выходному разъему не в той фазе, так как показано на схеме и долго не мог понять почему выходная мощность усилителя не поднимается выше 8 -10 Вт. После восстановления правильной фазировки все встало на свои места. Объяснить этот феномен я не берусь. Может это из-за взаимных емкостей между обмотками и монтажом схемы? Еще одно интересное наблюдение. Проверяя ВЧ поле катушки П- контура L2 неоновой лампочкой, видно, что яркость ее свечения возле концов этой катушки максимальна. При перемещении лампочки вдоль оси обмотки, яркость уменьшается и ,примерно, в середине достигает минимума. Из этого можно сделать вывод, что оба плеча усилителя работают противофазно и с одинаковой отдачей. При смещении минимума свечения неонки к одному из концов катушки следует сбалансировать усилитель подбором отвода от вторичной обмотки входного трансформатора или подобрать пару ламп примерно с одинаковой эмиссией катодов (равными токами покоя). Реле К1 используется типа РЭС22, а реле К2 от автомобиля. Его отличительными особенностями являются наличие трех групп мощных переключающих контактов с ходом около 2 мм. Это реле следует доработать, исключив проводные выводы между его контактами и цоколем, а монтаж вести непосредственно подпаиваясь к выводам. Катушка П- контура для диапазона 10 метров намотана медным проводом толщиной 2,5 мм и состоит из 7-и витков. Диаметр и длина катушки около 35 мм.
НЕКОТОРЫЕ ЛЮБЯТ ПОГОРЯЧЕЙ.
Описанная конструкция усилителя может быть полезна и любителям больших мощностей. На рисунке приведены две схемы умножителей напряжения сети. Первая схема- утроитель, а вторая- учетверитель, точнее двойной удвоитель напряжения. Нагрузочная способность этих схем определяется типом применяемых диодов, емкостями конденсаторов С1, С2 и максимальным током сетевых пробок- предохранителей в доме радиолюбителя. От таких схем можно получить ток до нескольких ампер без заметной просадки напряжения. В заключении хочу отметить, что выходные усилители мощности выполненные по схеме с непосредственным сетевым питанием анодных цепей имеют наилучшее соотношение мощность- вес. Потенциально, еще более лучшим соотношением может обладать транзисторный (например на КП707) РА с непосредственным сетевым питанием, но до этого я еще не дошел!
Сергей
Макаркин (RX3AKT).
(Только
для публикации на СКР)
| Глас народа |
|
10.09.2010 11:48 Сергей, Ваши доводы, позиции, взгляды и предложения интер... -- Иван RV6ALW... 01.01.2010 13:54 К большому сожалению нельзя надеяться на глубокое подавление четн... -- us8mx 03.12.2009 01:44 в те времена он тут стоил на Митино ~80$ при средней зарплате в 2... -- rw3adb 13.10.2006 05:57 Неужели В МОСКВЕ нельзя было достать трансформатор???... -- Ham |
| роликовые цепи для транспортеров |