Усилитель с “супер-катодной” раскачкой
Хоть на бумаге усилитель с раскачкой в катод (с заземлённой сеткой) и выглядит просто, всё это не так, тем более, что вариации основной схемы РА дают дополнительные возможности конструктору.

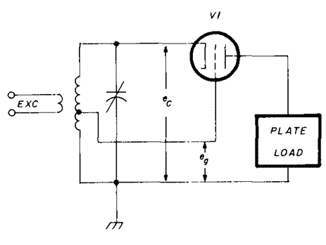
Рис. 1. Упрощённая схема усилителя с раскачкой в катод. Входное напряжение (раскачки) приложено между катодом и землёй (сеткой).
Посмотрите на Рис. 1. Это - упрощённая схема усилителя с заземлённой сеткой с настроенным входным контуром в цепи катода. Входной сигнал (раскачки) ec подведён к контуру посредством индуктивной связи, но здесь можно применить и П-контур или какой-либо другой вид связи. Сетка лампы находится под потенциалом (РЧ) земли и входной сигнал приложен между катодом и (сеткой) землёй (общим проводом, корпусом, массой, шасси).
Теперь взгляните на Рис. 2.

Рис. 2. Часть раскачки лампы приложена к управляющей сетке в фазе со входным сигналом, это требует увеличения катодного напряжения раскачки ec. Этот усилитель называется усилителем с “супер-катодной” раскачкой.
Всё осталось как и прежде, за исключением того, что теперь управляющая сетка подключена к отводу от части витков входного контура так, что часть входного напряжения раскачки eg подводится в фазе к сетке и активно противодействует сигналу подаваемому на катод ec. Такой усилитель называется усилителем с “супер-катодной” раскачкой. Уровень необходимой входной мощности (раскачки), при этом, увеличивается, а усиление каскада РА снижается. Как это не звучит странно: “для усилителя требуется бóльшая мощность раскачки”, но такой усилитель способен поглотить излишнюю входную мощность раскачки, если в этом есть необходимость. (например, у Вас имеется трансивер с выходной мощностью 100 Вт, а для раскачки РА до “белого каления” достаточно 50 Вт, “лишние” ватты можно “оставить” в усилителе мощности, получив небольшой выигрыш в снижении интермодуляционных искажений. Регулировка мощности в возбудителях не всегда предусмотрена, может приводить в отдельных случаях к повышению уровня гармоник (нелинейности), делители мощности на входе РА требуют согласования и, возможно, обдува, из-за рассеиваемой на них мощности - UA9LAQ).
Ещё один пример: усилитель рассчитан на получение подводимой мощности в 1 кВт РЕР и даёт примерно 650 Вт выходной мощности. РА может быть “раскачан” до необходимой мощности “банальным” трансивером с выходной мощностью чуть более 100 Вт. Ага! С этим “справится” одна “лампочка” 3-500Z при анодном напряжении 2500 В и анодном токе 400 мА – хороший проект для энтузиаста! При взгляде на технические характеристики лампы, вроде, всё сходится, кроме одного “пунктика”: 3-500Z требуется всего около 46 Вт мощности раскачки. Что же делать с другими 60 ваттами?
Некоторые операторы любительских радиостанций выходят из положения, уменьшая усиление микрофонных усилителей. Эта “уловка” срабатывает в случае, если Вы не “заведётесь”, в запале можно и ручки завернуть до упора, а тогда уж только одна надежда на систему ALC, которая сможет уменьшить раскачку (но система ALC ведь не всегда бывает…). Может, что и нужно здесь, так это введение отрицательной обратной связи (ООС) в усилитель, которая поможет поглотить избыточную мощность раскачки. Это поможет, конечно, но в определённых пределах. Включить между возбудителем и усилителем Т-образное звено? Да, если это звено не отключать, то оно останется и в приёмном тракте, а это не совсем элегантное решение проблемы.
“Супер-катодная” раскачка усилителя
Вот теперь мы вплотную придвинулись к тому, что называется “супер-катодной” раскачкой как таковой. Излишки входной мощности (раскачки) преобразуются в проходную мощность, а сам РА может быть точно настроен под имеющуюся мощность раскачки.
Остановитесь! Не спешите срочно переделывать имеющийся у Вас РА под “супер-катодную” конфигурацию. Удаление непосредственного заземления управляющей сетки расстраивает внутреннюю изоляцию каскада (схему нейтрализации проходной ёмкости) и может повлечь за собой нестабильность его работы. Что нужно в этом случае, так это лампа 3-500Z с внешней сеткой для использования её в качестве РЧ экрана! К счастью такая лампа существует уже десятилетия: 4-400А.
Усилитель на тетроде 4-400А по схеме с “супер-катодной” раскачкой
Было время, когда радиолюбители активно использовали лампы 4-400А в схеме с заземлённой сеткой. Просто соединяли две сетки между собой и дело - с концом. Поскольку 4-400А не предназначена для такой работы, я проделал определённую работу, чтобы обратить внимание “страждущих” на ток управляющей сетки…, а он легко превосходил значения предельного для 4-400А в классической схеме с заземлённой сеткой (см. Таблицу 1).
Таблица 1.
Лампа 4-400А (SSB). Режимы применимы и к лампе 4-250А в пределах её мощности рассеяния
Напряжение на аноде (постоянное), В 2000 2500 3000
Ток анода в режиме молчания, мА 60 65 70
Ток анода при однотональном сигнале, мА 265 270 330
Ток экранной сетки при однотональном сигнале, мА 55 55 55
Ток управляющей сетки при однотон. сигнале, мА 100 100 100
Мощность однотональной раскачки, Вт 38 39 40
Входной импеданс, Ом 160 150 140
Импеданс нагрузки, Ом 3950 4500 5000
Подводимая к аноду мощность, Вт 530 675 990
Выходная мощность, Вт 325 435 600
Примечание: ток анода в режиме молчания может изменяться в зависимости от экземпляра лампы.
Заслуживающими повышенного внимания являются данные, снятые при анодном напряжении 3000 В. Упрощённая схема РА показана на Рис. 3. Выводы управляющей и экранной сеток соединены вместе и заземлены, а раскачка подана в катод по типовой схеме. Подводимая мощность составляет 1 кВт РЕР, а входная мощность (раскачки) составляет 40 Вт, т. е., почти столько же как и у 3-500Z.

Рис. 3. Тетрод 4-400А подключен как триод с высоким коэффициентом усиления для работы с раскачкой в катод (по схеме с заземлённой сеткой). Напряжение “экранная сетка-катод” равно eс.
Но… Большим достоинством лампы 4-400А является наличие у ней двух сеток с которыми можно “побаловаться”. Сетка номер 1 (управляющая) может быть использована для изменения усиления лампы, а сетка номер 2 (экранная) - для (отличной) внутренней экранировки лампы.
Между прочим следует отметить, что в схеме “супер-катодной” раскачки источник входного сигнала (раскачки) служит источником питания экранной сетки. Напряжение “экранная сетка-катод” esc обеспечивается сигналом раскачки как показано на Рис. 4.

Рис. 4. Сигнал раскачки приложен между катодом и землёй. “Противосигнал” приложен между катодом и управляющей сеткой.
Управляющая сетка лампы 4-400А присоединена к отводу в катодной цепи, чтобы обеспечить необходимый уровень “противо–напряжения” eb , а экранная сетка соединена с РЧ землёй. Анодный ток покоя лампы мал из-за отсутствия напряжения на экранной сетке во время отсутствия раскачки (экранная сетка питается из входной цепи (раскачки)). Преобразованная в анодную цепь входная мощность (раскачки) велика, как и требуемая мощность раскачки.
Опыты, проведённые K7BYQ и W7EPM
В 1959 году инженеры фирмы Eimac K7BYQ и W7EPM проводили интенсивные опыты по проверке усилителя на одной лампе 4-400А, выполненного по схеме с “супер-катодной” раскачкой [ 1 ]. Результаты опытов приведены в Таблице 2.
Таблица 2.
Лампа 4-400А (SSB), “супер-катодная” раскачка
Анодное напряжение (постоянное) 3000 В
Ток анода в режиме молчания 30 мА
Ток анода при однотональном сигнале 330 мА
Ток экранной сетки при однотональном сигнале 60 мА
Ток управляющей сетки при однотональном сигнале 30 мА
Входной импеданс 250 Ом
Импеданс нагрузки (выходной) 5000 Ом
Подводимая (к анодной цепи) мощность 990 Вт
Выходная мощность 625 Вт
Однотональная входная мощность (раскачки) 115 Вт
Примечание: ток анода в режиме молчания изменяется от экземпляра к экземпляру лампы.
У них возникли трудности: не могли заставить усилитель работать “как подобает” на высокочастотных диапазонах (20 и 10 метров), так как тогда ещё не было накальных дросселей с ферритовыми сердечниками. Но усилитель работал просто прекрасно на низкочастотных диапазонах и, когда, наконец, был изготовлен добротный накальный дроссель, то и на высокочастотных КВ диапазонах результат стал таким же как и на низкочастотных.
Тем не менее, в 1959 году любители ещё не были обеспокоены наличием избыточной мощности раскачки, схема с раскачкой в катод (видимо, её вариант) не стала популярной и вся идея “утонула в пыли среди страниц книг на полках истории”.
Возможно, в настоящее время стоит вернуться к идее “супер-катодной” раскачки и признать её подходящей для усилителя мощности в 1 кВт РЕР, раскачиваемого 100 Вт возбудителем. Эксперименты 1959 года показывают, что отношение напряжений на экранной и управляющей сетках было 5:1. Пиковое значение напряжения возбуждения, применительно к экранной сетке, было 320 В, на управляющей сетке 1/5 этого значения, т. е., около 64 В.
Как же получить это соотношение между напряжениями на экранной и управляющей сетках? K7BYQ и W7EPM напрямую подключали управляющую сетку к отводу от накального дросселя (Рис. 5).

Рис. 5. Схема “супер-катодной” раскачки РА K7BYQ-W7EPM. Управляющая сетка присоединена к 1/5 части витков обмотки дросселя, считая от лампы, заметьте, что эта же обмотка заземлена (иначе сигнал будет промодулирован по амплитуде переменным напряжением накала - UA9LAQ).
Одна сторона обмотки дросселя была заземлена гальванически, наблюдение за током экранной сетки осуществлялось по имеющемуся прибору, визуально.
Другая предлагаемая схема усилителя содержит дополнительную обмотку, содержащую 1/5 количества витков обмотки бифилярного (двухпроводного, двухобмоточного) накального дросселя, на котором эта обмотка и намотана. (То есть в схеме на Рис. 5 приведена автотрансформаторная связь, а в схеме на Рис. 6 - трансформаторная). Поскольку дроссель содержит 30 витков двойным проводом, то дополнительная обмотка должна содержать 6 витков, чтобы получить соотношение 5 : 1 (Рис. 6). Соотношение может быть легко изменено изменением количества витков дополнительной катушки.

Рис. 6. Дополнительная обмотка может быть использована взамен отвода от обмотки дросселя. Стрелочный прибор измеряет ток экранной сетки.
Если количество витков между сеткой номер 1 (управляющей) и нитью накала (катодом) мало усилитель представляет собой таковой с заземлённой сеткой. При этом потребуется минимальная мощность раскачки, но ток управляющей сетки будет значительным. Если увеличивать количество витков дополнительной катушки, то ток управляющей сетки будет падать, но потребуется большая мощность раскачки. Слишком большое количество витков сделает лампу очень “тугой” на раскачку [ 2 ].
Данных в Таблице 2 вполне хватит для начала. Было бы интересно посмотреть как такая схема работает с полупроводниковыми возбудителями, которые сейчас всюду в обиходе. Экспериментаторы! Вот Вам удобный случай изобрести чего-нибудь новенькое.
Для получения копии статьи, описывающей эксперименты K7BYQ и W7EPM с усилителями со схемой раскачки в катод пришлите четыре почтовых марки первого класса или купоны IRC по адресу:
EIMAC, 301 Industrial Way, San Carlos, California 94070.
Требуйте бюллетень AS-33.
Литература:
1. V. S. Campbell and W.S. Skeen “Grounded-Screen-Grid Operation for Tetrodes”, QST, November 1959, pp. 37…39
2. William I. Orr, W6SAI and William H. Sayer, WA6BAN “Semi- and Super-Cathode Driven Amplifiers”, QST, July 1967, pp. 33…38
Дополнение по теме:
Судя по полученной почте, интерес к схеме с раскачкой в катод и её “супер-катодному” варианту значителен. Вот несколько специфичных для ламп 4-400А данных, используемых в этой схеме (см. Рис. 1.1).
В типовой схеме с заземлённой сеткой, одна лампа 4-400А может дать 1 кВт РЕР подводимой мощности при раскачке в 40 Вт РЕР. Поскольку обычно в этой схеме радиолюбители используют одну-две лампы с обоими заземлёнными сетками, то ошибиться в том, что на сетках рассеивается избыточная мощность, практически, невозможно. Вдобавок и токи сеток велики.
В схеме с “супер-катодной” раскачкой у 4-400А на экранной и управляющей сетках уменьшается рассеиваемая мощность, как и соответствующие токи, а мощность раскачки возрастает. Схема на одной лампе 4-400А может быть настроена и так, что будет поглощать, поступающую от возбудителей мощность. Современные трансиверы имеют выходную мощность в пределах 100…130 Вт.
Экспериментальный усилитель был построен на одной лампе 4-400А. Эксплуатационные характеристики РА сведены в Таблицу 1.1. Обратите внимание на необычно высокую величину входного катодного импеданса.
Уровень мощности, необходимой для раскачки усилителя, определяется точкой отвода на обмотке в катодной цепи. Чем ближе отвод к нити накала (катоду), тем больше должна быть мощность раскачки. Когда отвод будет припаян к “холодному” концу обмотки дросселя, схема усилителя ничем не будет отличаться от обычной – с заземлённой сеткой. Для обычного возбудителя (трансивера) со 100 Вт выходом, отвод на обмотке накального дросселя должен осуществляться от 1/3 части витков, считая от “горячего” конца (от лампы).
Необходимо использовать развязывающий конденсатор между отводом на дросселе и управляющей сеткой, чтобы переменное напряжение накала не попало на управляющую сетку. Соединение сетки по постоянному току осуществляется тогда через небольшой РЧ дроссель.
В любом случае, суммарный ток экранной и управляющей сеток не должен превышать 150 мА.
Накальный дроссель можно выполнить, намотав два одинаковых отрезка провода на ферритовый стержень. Один провод обмоточный (с изоляцией), другой - без изоляции, лужёный. Голый провод позволяет припаивать отводы двигаясь по обмотке дросселя, настраивать усилитель, провод в изоляции позволяет избежать замыкания прилежащих витков катушек.
Усилитель с “супер-катодной” раскачкой настраивается как обычно: подаётся анодное напряжение и анодная схема настраивается в резонанс при малом уровне раскачки. Мощность раскачки определяется встроенным в коаксиальную линию (соединяющую возбудитель с РА) РЧ ваттметром. Отвод на дросселе делается в том месте, где достигается максимальная нормированная выходная мощность РА при заданной входной.
Внимание! При включенном анодном напряжении держите руки подальше от внутренностей РА. После выключения питания, прежде чем лезть в усилитель разрядите конденсаторы фильтра, например, отвёрткой с изолированной ручкой. Высокое напряжение опасно для жизни!

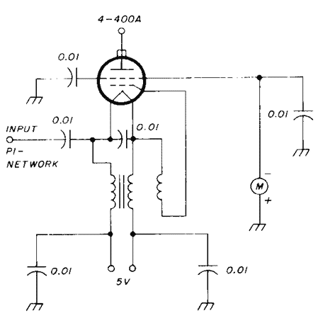
Рис. 1.1. Схема усилителя на лампе 4-400А с использованием принципа “супер-катодной” раскачки. Специальный накальный дроссель позволяет легко делать отводы в любом месте обмотки (см. текст Дополнения).
Дроссель L2 содержит 20 витков двойным проводом #14 (1,63 мм) (перевод размеров провода из одной системы в другую см. “КВ-журнал” № 3 за 1998 г стр. 46) на ферритовом стержне размерами 7 х 0,5 дюйма (1 дюйм = 25,4 мм) проницаемостью μ = 850…950 (Amidon). Отвод, примерно, от 8…9 витков от лампы (от “горячего” конца), в зависимости от выходной мощности возбудителя. Чтобы снизить требуемый уровень мощности раскачки, отвод на дросселе передвигайте ближе к “холодному” концу (дальше от лампы). Чтобы повысить требуемый уровень мощности раскачки поступайте, наоборот, - передвигайте отвод ближе к лампе. Я намотал дроссель двумя проводами одинаковой длины одновременно, причём один провод был в изоляции (Formvar), а другой – без изоляции, лужёный. Удобно подбирать место отвода на обмотке не боясь повредить изоляцию на соседних витках, что чревато коротким замыканием. Следует отметить, что изоляция провода (одной из обмоток дросселя, той, что, естественно, в изоляции должна иметь достаточную электрическую и механическую прочность, в противном случае, может произойти короткое замыкание проводов цепи накала, а также междувитковый пробой со стороны “горячего” конца дросселя напряжением раскачки усилителя. Можно применить обмотку из достаточного по сечению монтажного провода с изоляцией из фторопласта - UA9LAQ).
Схема, используемая для согласования под входной импеданс РА равный 420 Ом при нагруженной добротности Q=3 имеет следующие номиналы компонентов:
|
Частота настройки, МГц |
С1, пФ |
С2, пФ |
L1, мкГн |
|
3,5 |
302 |
192 |
6,5 |
|
7,0 |
150 |
96 |
3,3 |
|
14,0 |
75 |
48 |
1,6 |
|
21,0 |
50 |
32 |
1,1 |
|
28,0 |
37 |
24 |
0,8 |
Таблица 1.
Предлагаемые эксплуатационные параметры для лампы 4-400А в “супер-катодном” включении.
Анодный ток (несущая) 333 мА
Подводимая мощность (пиковая) 1000 Вт
Выходная мощность (измеренная) 600 Вт
Мощность раскачки 100…125 Вт
Нагруженный импеданс анодной цепи 4100 Ом
Входной импеданс катода 420 Ом
Примечания: требуемая мощность раскачки зависит от положения отвода на обмотке накального дросселя.
Приводимые здесь данные получены экспериментальным путём Bill’ом Orr’oм (W6SAI) и не подменяют мнения Varian/EIMAC.
Свободный перевод с английского: Виктор Беседин (UA9LAQ) ua9laq@mail.ru
г. Тюмень июль, 2003 г
| Глас народа |
|
09.01.2008 13:38 (Для DL4MHE ) Витя,эту идею надо проверить... -- df6pl |
| Быстрая доставка на дом - карта Тинькофф отзывы информация на sravni.ru. |