\главная\р.л. конструкции\усилители мощности\...

Гибридный КВ усилитель мощности нового типа

Радиолюбители, использующие профессиональные радиоприемники, испытывают трудности с получением в тракте передачи необходимой для работы в эфире мощности несколько десятков или сотен ватт, т.к. выходная мощность доработанного приемника или трансиверной приставки к нему, как правило, не превышает 2-3 ватт. Наиболее целесообразно в этом случае применение гибридного усилителя мощности (РА), который позволяет получить коэффициент усиления по мощности до нескольких сотен.

Некоторые радиолюбители с недоверием относятся к гибридным РА, считая, что такие усилители не позволяют получить сигналы высокого качества. В действительности, гибридные РА обеспечивают получение сигналов высокого качества нисколько не уступающих усилителям, выполненным по классической схемотехнике. Необходимо отметить, что гибридные усилители требуют тщательной регулировки и понимания тех процессов, которые при этом происходят.

Имеются публикации гибридных РА с применением как биполярных [1] так и полевых [2] транзисторов, к сожалению, и те и другие имеют недостатки, на которых я коротко остановлюсь.

Главным недостатком биполярных транзисторов является необходимость установки большого начального тока 100 и более мА, для вывода транзистора на начало линейного участка характеристики. Большой начальный ток транзистора и соответственно лампы, понижает КПД усилителя и приводит к перегреву анода лампы даже при отсутствии сигнала возбуждения. Маленький начальный ток приводит к ограничению сигнала снизу и заметным нелинейным искажениям.

Недостаток полевых транзисторов - большое остаточное напряжение на стоке (8…12 В) и соответственно большое внутренне сопротивление. Ток полевого транзистора, например КП901, начинает ограничиваться на уровне около 300 мА. Так как после достижения указанного тока, увеличение амплитуды возбуждения не приводит к увеличению тока стока, наступает ограничение сигнала сверху.

В предлагаемом гибридном РА использован биполярный транзистор. Присущие этому варианту недостатки устранены с помощью специальной схемотехники, которая позволяет раздельно устанавливать начальный ток лампы и транзистора, например: ток лампы 15 мА, а транзистора 120 мА.

Подробнее

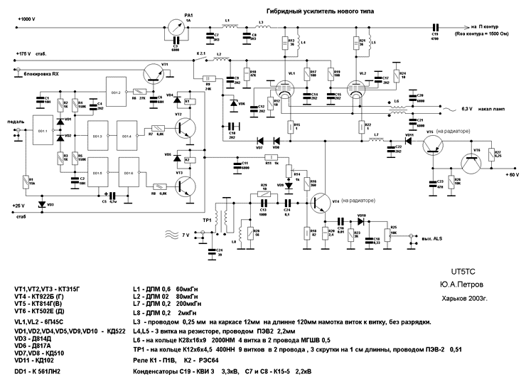
В усилителе работают две лампы 6П45С с транзистором КТ922Б в катоде. В отличие от известных схем, на коллектор транзистора VТ4 через развязывающий дроссель L7 и защитный диод VD11 подается напряжение от стабилизатора тока, выполненного на транзисторах VТ5 и VТ6. Через транзистор VТ4 в катоде ламп, протекает суммарный ток ламп VL1 и VL2 и стабилизатора на VТ5 и VТ6. Каждый из этих токов имеет независимую регулировку и может быть установлен на заданную величину, обеспечивая тем самым необходимый режим работы и ламп и транзистора. Ток, проходящий через лампы и транзистор VТ4, при отсутствии напряжения возбуждения – является начальным током ламп. При подаче напряжения возбуждения, ток через лампы и транзистор изменяется и пропорционален уровню возбуждения. Та часть тока, которая поступает на транзистор VТ4 от стабилизатора, всегда постоянна и не зависит от уровня возбуждения. Цепочка из двух диодов VD7, VD8 и стабилитрона VD6 защищает транзистор VТ4 от перенапряжения. Накальное напряжение для ламп подводится через дроссель L6, устраняющий вредное влияние емкости между катодом и нитью накала. Напряжение возбуждения подается в базу транзистора VТ4 через широкополосный понижающий трансформатор Т1, согласующий 50-омный вход РА с низкоомным входом транзистора. Напряжение ALC снимается с эмиттера транзистора VТ4 и регулируется с помощью потенциометра R25.

Узел на микросхеме DD1 позволяет производить переключение РА в режим передачи. Порядок управления следующий: после замыкания контакта педали на корпус, ключ на VТ1 запирает RX; через заданный временной интервал антенное реле К1 подключает антенну к РА; и, наконец, после временной задержки устанавливается режим передачи с помощью реле К2. После отпускания педали процесс идет в обратном порядке: выключается TX; переключается антенна и разрешается работа приемника.

Налаживание РА начинается с установки тока величиной 100-110 мА в стабилизаторе тока на VТ5, VТ6. Для регулировки стабилизатора необходимо отключить коллектор транзистора VТ5 от остальной схемы и соединить его через миллиамперметр и последовательно включенный с ним резистор, величиной 300 Ом, с корпусом. Ток стабилизатора устанавливается резистором R27, величина которого определяется по формуле R= 0,625 / I , где сопротивление в Омах, ток в Амперах. В нашем случае необходим резистор 6,25 Ом. Стандартного резистора такого номинала нет, поэтому следует включить параллельно два резистора 6,8 Ом и 68….82 Ом. Далее, после восстановления схемы стабилизатора тока, регулируя потенциометр R14, устанавливают начальный ток ламп величиной 15…20 мА (РА - в режиме передачи, возбуждение не подано). Если начальный ток не укладывается в заданные пределы, необходимо изменить величину резистора R11. Общий ток через транзистор VТ4 должен быть равен сумме токов через лампы и стабилизатор тока. Ток базы транзистора VТ4 невелик, и может не учитываться. Контроль тока VТ4 осуществляется по падению напряжения на резисторе R20.

Последний этап - настройка контурной системы РА. Отправной точкой при настройке является анодный ток ламп при поданном возбуждении и расстроенном анодном контуре.

Регулируя уровень возбуждения, необходимо установить анодный ток ламп, при расстроенном контуре – 620 мА. Эту операцию необходимо выполнить очень быстро, т.к. в этом случае вся подводимая мощность рассеивается на анодах ламп, и они могут выйти из строя. Теперь, регулируя антенный конденсатор и подстраивая анодный конденсатор контурной системы, до получения спада анодного тока, установить последний на уровне 550…560 мА. Спад анодного тока в резонансе, по отношению к току «раскачки» должен составлять 10%, именно такая величина спада анодного тока обеспечивает хорошую линейность и высокий КПД РА в режиме SSB. В режиме CW спад анодного тока может быть 20%, в этом случае достигается максимальная мощность РА и облегчается тепловой режим ламп. Особо надо подчеркнуть, что при настройке анодного контура сигнал возбуждения должен быть либо однотоновый, либо CW. Использование двухтонового сигнала или голоса при настройке РА, а также использование различных индикаторов напряженности поля не позволяет правильно настроить усилитель и ведет к появлению интермодуляционных искажений и как следствие – к расширению излучаемой полосы частот.

Предлагаемый усилитель, при качественно выполненной контурной системе, обеспечивает пиковую мощность в SSB режиме 385 ватт, при КПД 68% , уровень интермодуляционных искажений не превышает -30 дБ. Входное напряжение необходимое для достижения max мощности не превышает 10 В на нагрузке 50 Ом.

Несколько общих замечаний. Лампы 6П45С имеют аноды расположенные не совсем симметрично относительно сеток, что приводит к неравномерному разогреву анода и снижению рассеиваемой им мощности. Поэтому максимальную мощность РА могут обеспечить только специально отобранные лампы с равномерным разогревом анода.

В лампе 6П45С проводник, соединяющий внутри лампы анод с анодным колпачком, выполнен из тонкой медной проволоки, которая может расплавиться при работе РА с максимальной мощностью на самых высоких частотах. Поэтому, при работе на диапазонах 24 и 28 МГц, необходимо снижать выходную мощность РА на 30%.

Усилитель на лампах 6П45С требует достаточно низкого сопротивления нагрузки и соответственно большой величины анодного конденсатора переменной емкости. Так как в настоящее время такие конденсаторы весьма дефицитны, есть смысл заменить его набором конденсаторов постоянной емкости, коммутируемых переключателем диапазонов. В этом случае в качестве контурной индуктивности можно использовать шаровой вариометр, он же используется для настройки анодного контура в резонанс.

Предлагаемый вариант контурной системы имеет более узкий, чем в обычном П. контуре диапазон согласуемых сопротивлений и требует применения антенн с кабельным снижением.

И в заключение о некоторых конструктивных особенностях РА.

Лампы усилителя установлены вдоль задней стенки шасси на небольшом расстоянии от нее. Ребристый радиатор (150х40 мм), на котором установлен VТ4, крепится на стойках высотой 3 мм с наружной стороны задней стенки шасси, ребрами наружу. Выводы транзистора VТ4, пропущенные через отверстие в задней стенке, располагаются рядом с выводами катодов ламп, с таким расчетом, чтобы расстояние от каждого из катодов до коллектора VТ4 было одинаковым. Антипаразитные дроссели, соединяющие аноды ламп с разделительным конденсатором С19, также должны иметь одинаковую длину.

В шасси вырублены два отверстия диаметром 58 мм для установки ламп. Две ламповые панельки установлены на алюминиевой пластине расположенной под шасси таким образом, чтобы лампы после установки были утоплены на 18 мм. Транзистор Т5 установлен на игольчатом радиаторе 40х40 мм.

Рекомендуется проложить общую корпусную шину из тонкой меди или фольгированного текстолита шириной 15…20 мм между корпусной частью антенного разъема и ламповыми панельками. Все блокировочные конденсаторы, подключенные к лампам, а также все детали контурной системы, которые должны соединяться с корпусом, необходимо подключить к корпусной шине. Изолировать корпусную шину от шасси не требуется.

Литература:

1.       Жалнераускас В. Гибридный линейный усилитель мощности. «Радио» №4 1968 г.
2.       Андрющенко Б. КВ усилитель «Ретро». «Радиомир КВ и УКВ» №4 2002 г.

Юрий Петров (UT5TC), г.Харьков



Глас народа
28.09.2013 20:21 Лучше сделать УМ с заземленными сетками на четырех ГУ-50.Анодное ...  -- 
14.02.2013 07:09 У меня почти такой же гибридный УМ.Про входной мощности 1вт отдае...  --  UA6WGZ
28.02.2012 22:49 Хамить могут многие а сделать усилитель единицы!!! ...  --  Сергей
21.09.2011 19:17 Я не понял хорошо. Транзистор КТ922Б постоянно находится в открыт...  --  LZ2CH, Красимир...
21.03.2011 19:36 Насчет ламп трехсот вольтовых ! Импульс обратного хода строчной р...  --  UA4POW Сергей...
21.03.2011 19:26 Забыл авторизоваться ! У меня трансивер SDR ,изготовления UT2FW ...  --  UA4POW Сергей...
21.03.2011 19:15 Прекрасный усилитель для начинающего Любителя SDR -1000 трансивер...  -- 
17.09.2010 21:32 "Нового типа со старыми дырками..." И нормально лампешки трехсотв...  --  Николай RA4FRI...
03.04.2010 11:54 Иван просто не шарит, поэтому и оставляет дилетанские комменты. К...  --  Уофчег
21.08.2007 10:21 Давайте вот только не будем говорить про устаревшие конструкции и...  --  RA4CSA
20.01.2006 02:48 Конструкция,как и сам автор морально устарели!...  --  Иван
19.07.2004 03:35 Для чего делать гибридные схемы ,когда можно подать раскачку в се...  --  Alex RZ3AIX...
13.03.2004 22:27 Есть ли возможность дать данные П-контура? Спасибо. 73!...  --  Александр, UA6H...
27.02.2004 09:21 Алексей, мой вариант РА на днях будет на CQHAM.RU. Alex....  --  UR5ZQV
24.02.2004 13:00 Aleksand, a ne lzia li vasy shemu ?Kak raz problema s ventiliator...  --  Aleksei
24.02.2004 12:39 Малый ток покоя 6П45С (с квадратичной характеристикой) вообше то ...  --  UR5ZQV

Возврат

Купить pos терминал в Москве тут https://smartcode.ru/kassovoe_i_torgovoe_oborudovanie/pos_sistemy