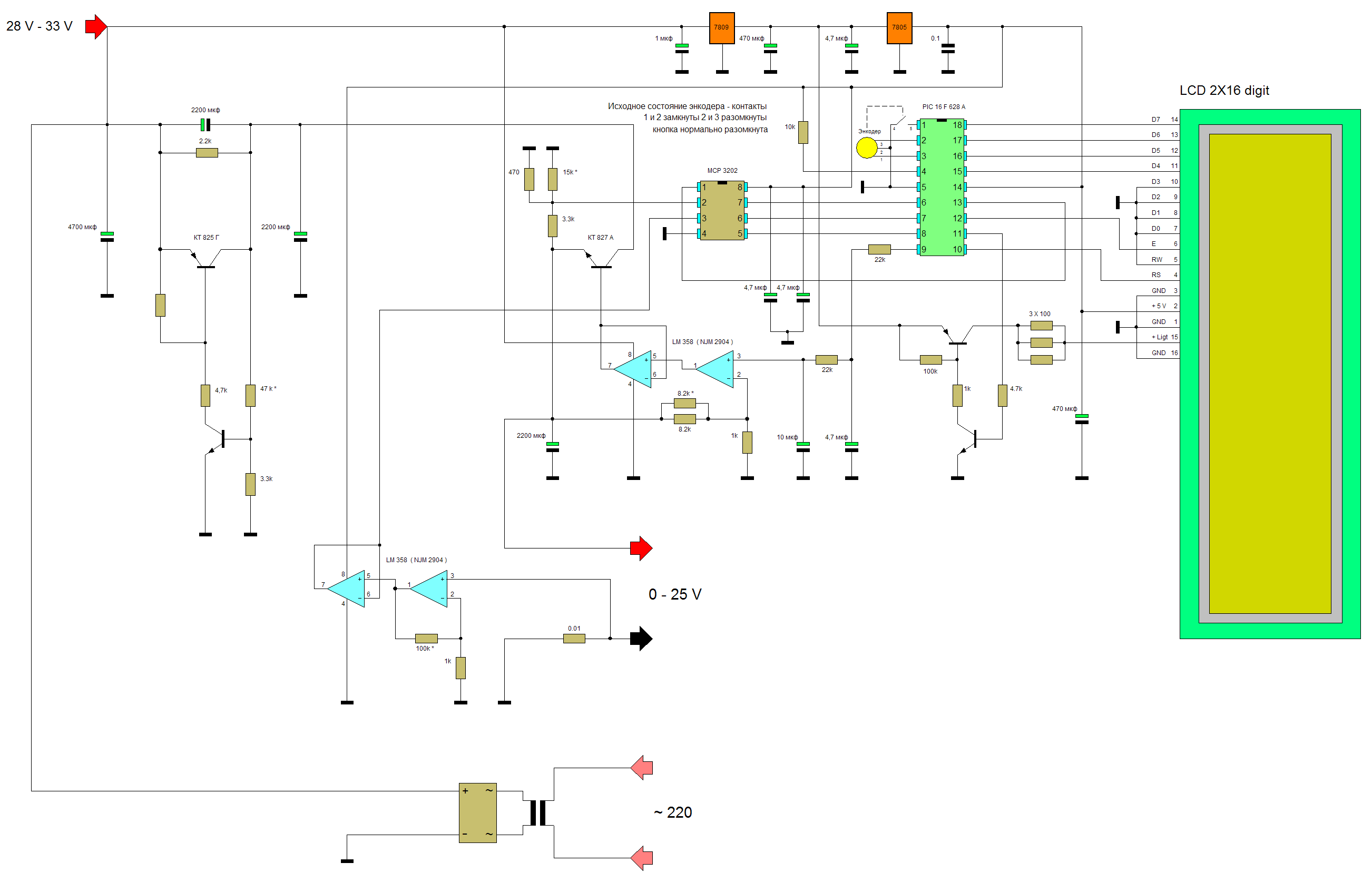
Блок питания с микроконтроллерным управлением
Состоит из блока индикации и управления, измерительной части и блока защиты от КЗ.
Блок индикации и управления. Индикатор - ЖКИ дисплей на основе контроллера НD44780, 2 сточки по 16 символов. Управление напряжением осуществляется встроенным в контроллер ШИМом. Его скважность регулируется энкодером, каждый шаг которого приводит к увеличению или уменьшению напряжения на 0,1 вольт на выходе БП. Полный оборот энкодера – 2 вольта. Поскольку ШИМ может изменять напряжение на накопительной емкости лишь в интервале от 0 до 5 вольт, применен ОУ с коэффициентом усиления 5. Таким образом фактическое напряжение на выходе БП регулируется в пределах 0 – 25 вольт. Регулирующим элементом является мощный составной транзистор КТ 827 А.
С эммитера регулирующего транзистора через верхнее плечо делителя ( 2 Х 8,2 к ) осуществляется обратная связь, благодаря чему даже при больших токах в нагрузке напряжение поддерживается на строго заданном уровне вплоть до сотых долей вольта.
Измерительная часть – двухканальный АЦП (Микрочип), измеряющий реальное напряжение на выходе БП и падение напряжения на шунтирующем резисторе, усиленное ОУ, что прямо пропорционально потребляемому нагрузкой току. Сердцем конструкции является контроллер.
Блок защиты от короткого замыкания в нагрузке. Выполнен виде отдельного устройства включенного между выпрямителем и регулирующим элементом. Ток срабатывания защиты - 5 А. Подбирается резистором 47к в базовой цепи маломощного транзистора управляющего ключом КТ 825 Г.
Настройка. Заключается в подборе резисторов, обозначенных звездочкой, для соответствия показаний ЖКИ реальным току и напряжению на выходе БП.
Детали. Шунт взят из разбитого мультиметра, его сопротивление около 0,01 Ом. Исходное состояние контактов энкодера описано в принципиальной схеме, он может быть любой соответсвующий этим состояниям. Кроме вращения, он имеет вн контакты, которые замыкаются без фиксации при нажатии на вал.
Транзисторы n-p-n без маркировки могут быть КТ 315 или любыми маломощными, подобными им в чип корпусе. Транзистор p-n-p в ключе, управляющем подсветкой может быть любой средней мощности.



Как пользоваться БП. Энкодером регулируется напряжение 0 – 25 вольт с шагом 0,1 вольта. При кратком (менее 0,5 сек) нажатии на ручку включается/выключается подсветка. При нажатии более 0,5 сек происходит запись установленного напряжения в энергонезависимую память контроллера.
С ув Сергей (blaze/)
Кременчуг ( Украина ).
Со мной можно связаться по почте blaze2006@ukr.net
Или телефону 8-050-942-35-95
| Детальное описание линзы цветные купить тут. |