Защищаемся…
При работе любительской радиостанции возникает множество ситуаций, когда аппаратуре коротковолновика да подчас и самому коротковолновику требуется защита. Защита от вандалов, уродующих антенное хозяйство, защита от разъярённых соседей, по поводу наличия TVI и RFI (по поводу и без него), защита аппаратуры от потопов и пожаров, воров и иных “доброжелателей”, атмосферного электричества… Список можно продолжать, но сегодня речь пойдёт лишь о некоторых способах защиты, касающихся питания радиоаппаратуры от сети переменного тока.
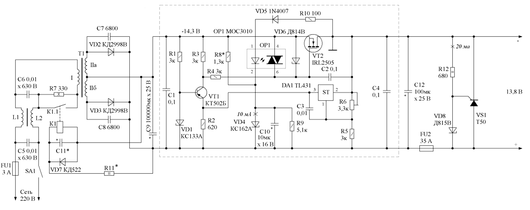
Обратимся к принципиальной схеме блока питания (БП), приведённой на Рис. 1.

Рис. 1. Блок питания
13,8 В, 30 А. Схема принципиальная электрическая
Начнём от “печки”, то бишь, - от сети. Переменный ток напряжением 220 В протекает в цепи первичной обмотки трансформатора Т1: через замкнутые контакты сетевого выключателя SA1, который уже является средством защиты, в том случае, если Вы решили модернизировать БП или устройство, питаемое от него, а выдернуть вилку шнура питания из сетевой розетки забыли. Здесь же, на входе БП, установлен плавкий предохранитель FU1, защищающий БП от полного разрушения и предотвращающий аварию в питающей сети, в случае выхода из строя, например, трансформатора Т1. Ток первичной обмотки проходит через фильтр питания С5L1L2C6, защищающий БП и аппаратуру, питаемую через БП, от помех из питающей сети и, наоборот, - сеть от помех, возникающих при работе питаемой радиоаппаратуры. В составе БП имеется выпрямитель и ёмкостный фильтр, конденсаторы в котором, при больших рабочих токах, на которые рассчитан БП, имеют большую общую ёмкость (100000 мкФ – С9 (Рис. 1)) и требуют для своего заряда в момент включения очень большого импульса тока, который может не только сжечь предохранитель FU1, будучи трансформированным в первичную обмотку трансформатора Т1, но и пробить диоды выпрямителя (VD2, VD3), что приведёт к поступлению через них переменного тока на конденсаторы фильтра, разогреву последних и взрыву. Для защиты от этой ситуации, пусковой ток БП следует ограничить, включив временно последовательно в первичную обмотку Т1 резистор R7, который через несколько секунд закорачивается с помощью контактов реле К1.1, рассчитанных (для надёжности) на ток 5…10 А.
В выпрямителях переменного тока очень удобно применять диодные мосты, тем более, что таковые выпускаются в блочном исполнении и требуют минимум времени на монтаж. Однако, со снижением выходного напряжения и увеличением тока, отдаваемого БП в нагрузку, всё актуальнее встаёт вопрос “просадки” напряжения питания под нагрузкой, которая увеличивается с каждым новым сопротивлением, включенным в цепь питания последовательно, будь то, диод, включенный на выход стабилизатора для защиты от обратного напряжения, например, при параллельном включении нескольких стабилизаторов, зарядке аккумуляторной батареи или питание устройств через соединительные провода малого сечения, вот и в нашем случае, в мосте ток протекает каждый полупериод через два диода, обеспечивая падение напряжения на них до 1,4 В (для кремниевых диодов) или до 0,8 В (для германиевых и диодов с барьером Шоттки). Немного видоизменим схему выпрямителя, с мостовой на схему со средней точкой, защитив БП от излишнего падения напряжения, так как, в этом случае, в каждый полупериод, ток протекает через один диод, следовательно, падение напряжения будет всего 0,7 В – для кремниевых диодов или 0,3…0,4 В для германиевых диодов и диодов Шоттки, которые и применены в схеме выпрямителя на Рис. 1. Применение такой схемы выпрямления и диодов Шоттки оправдано ещё и потому, что на диодах будет рассеиваться меньшая мощность, что сократит размеры радиаторов, на которые следует устанавливать эти диоды при больших выпрямляемых токах. Удобнее становится намотка вторичной обмотки силового трансформатора, так как уменьшается диаметр обмоточного провода, так как ток, протекающий в каждой половине обмотки равен половине общего тока на выходе выпрямителя (согласитесь, изгибать провод диаметром 4…6 мм при намотке довольно трудно), правда, мотать придётся вдвое больше витков, что, впрочем, не затруднит, поскольку выходное напряжение - низкое, а, значит, и мотать придётся немного. В высоковольтных же выпрямителях целесообразнее применять выпрямительные мосты. Параллельно каждому диоду выпрямителя включен конденсатор (С7, С8 – Рис. 1). Эти конденсаторы защищают БП от производства, так называемого “мультипликативного” фона, когда диоды выпрямителя начинают реагировать на ВЧ наводки, подключения сети как антенны с частотой 50/100 Гц, эффект наиболее ярко проявляется, например, на приём, при настройке на радиостанции ДВ-СВ вещательных диапазонов, причём не только в приёмниках, питаемых от БП с незащищёнными диодами, но и находящихся неподалёку от такого БП. В передающей аппаратуре идёт накладка мультипликативного фона на выдаваемый сигнал.
Диоды выполнили свою функцию, - выпрямили переменный ток, обратив его в ток постоянного направления, пульсирующий. Задача конденсатора С9 сгладить эти пульсации (здесь: 100 Гц), защитить питаемую аппаратуру, эксплуатация которой, при их наличии, просто невозможна. Полное подавление пульсаций выпрямленного напряжения возможно только при полностью заряженном блоке конденсаторов (большие ёмкости удобнее набирать из отдельных конденсаторов, соединяя их параллельно - С9 - Рис. 1) во всё время питания нагрузки, такой ситуации, в реальных условиях можно условно добиться, пожалуй, лишь при полном отключении нагрузки, на практике, порциями поступающая энергия от выпрямителя и импульсная нагрузка, потребляющая энергию из “ёмкости” конденсатора создают некоторый уровень пульсаций на ёмкостном фильтре, зависящий как от возможностей выпрямителя (сопротивления переходов диодов в прямом направлении, диаметра проводов обмоток и соединительных, габаритной мощности трансформатора и нагрузочной способности питающей сети), так и от величины потребляемого нагрузкой тока и ёмкости конденсатора фильтра (С9 – Рис. 1). Чем больше потребляемый нагрузкой ток, тем сильнее разряжается С9, напряжение на котором снижается. Для работы регулирующего транзистора последовательного линейного стабилизатора, следующего за фильтром требуется некоторая минимальная разность напряжения коллектор – эмиттер у биполярных (БТ) или сток – исток у полевых транзисторов (ПТ), при которых они ещё работают, например, 3…5 В - в случае мощных БТ и 0,5…3 В – в случае мощных ПТ (Рис. 1). Отсюда следует, что при максимальном токе нагрузки в 30 А и выходном напряжении стабилизатора 13,8 В, напряжение на истоке транзистора VT2 не должно опускаться ниже 13,8 + 0,5 =14,3 В – входное напряжение стабилизатора. Таким образом можно и подобрать минимально необходимую ёмкость конденсатора С9 в готовом БП, нагрузив его выход до получения максимального тока (например, 30 А) и измеряя падение напряжения на регулирующем транзисторе. Запас этого напряжения, конечно же, не повредит в смысле компенсации уменьшения напряжения в сети, но чреват увеличением рассеиваемой на транзисторе VT2 мощности, что приведёт к необходимости увеличения размеров радиатора, на котором установлен этот транзистор или (и) применения обдува, также снизится кпд стабилизатора. Действительно, при токе 30 А и падении напряжения в 0,5 В на VT2 будет рассеиваться 0,5 В х 30 А = 15 Вт, а, при том же токе, но падении в 3 В, - 3 В х 30 А = 90 Вт – разница весьма существенная!
Схема описываемого стабилизатора (без защит) заимствована из [ 1 ] (позиционные обозначения деталей повторяют обозначения из оригинала, дополнительные - продолжают их), высокие качественные характеристики, приведённого там, стабилизатора обусловлены применением мощного n – канального полевого транзистора IRL2505, который способен выдержать ток в канале до 74 А при температуре 100º С (естественно, при эффективном теплоотводе), имеет сопротивление открытого канала - 0,008 Ом, крутизну характеристики - 59 А/В, предельное напряжение сток – исток – 55 В, затвор – исток - ± 16 В, рассеиваемая транзистором мощность на теплоотводе может достигать 200 Вт. Для управления транзистором требуется невысокое напряжение (2,5…3 В). Для защиты от излишнего фона переменного тока и существенного увеличения коэффициента стабилизации в стабилизаторе применён “регулируемый стабилитрон” - микросхема TL431 (отечественный аналог КР142ЕН19) DA1 – Рис. 1. Транзистор VT1 – согласующий, стабилитрон VD1 стабилизирует напряжение в его базовой цепи. Выходное напряжение стабилизатора можно рассчитать как: Uвых = 2,5(1 + R5/R6). Стабилизатор работает следующим образом: представим, что при подключении нагрузки выходное напряжение стабилизатора на мгновение упало, уменьшится напряжение и на средней точке делителя R5/R6, микросхема DA1 (как параллельный стабилизатор) станет потреблять меньший ток, при этом, на её нагрузке – резисторе R2 уменьшится падение напряжения. Поскольку этот же резистор стоит в эмиттерной цепи транзистора VT2, то при стабилизированном напряжении на его базе, транзистор более откроется, обеспечив увеличение напряжения на затворе транзистора VT2, который сильнее откроется и компенсирует падение напряжения на выходе стабилизатора, обеспечив, таким образом, его стабилизацию. Резистором R6 устанавливается выходное напряжение. Помните, при неизменном входном напряжении стабилизатора и уменьшении выходного, при неизменном токе нагрузки, рассеиваемая мощность на регулирующем транзисторе увеличивается. При падении напряжения в сети до уровня недостаточного для работы стабилизатора, при максимально необходимом токе нагрузки (падение напряжения на VT2 менее 0,5 В), порой достаточно на несколько десятых вольта уменьшить выходное напряжение стабилизатора с помощью R6, чтобы войти в режим стабилизации Конденсаторы в схеме стабилизатора способствуют повышению устойчивости его работы.
Всем хорош стабилизатор [ 1 ], но что произойдёт, если ток нагрузки превысит предельные значения для регулирующего транзистора, другими словами, произойдёт короткое замыкание. Повинуясь алгоритму своей работы, упомянутому выше, VT2 полностью откроется, попытаться ограничить максимальный ток через ПТ можно, подобрав режим работы транзистора VT1, но надёжнее, всё-таки, применить защиту на оптопаре, как, например, в [ 2 ]. Несколько в изменённом виде эта защита представлена и на Рис. 1. Поскольку регулирующий ПТ VT2, для обеспечения неизолированной установки на радиатор, размещён в минусовой цепи стабилизатора, то для понятия принципа действия защиты, лучше представить плюсовую шину общей, приняв её потенциал за 0 В, а минусовую, в разрыв которой включен ПТ, с отрицательным потенциалом относительно 0 В (плюсовой шины). Параметрический стабилизатор на стабилитроне VD4 - КС162А обеспечивает напряжение - 6,2 В, для обеспечения большей стабильности этого напряжения, - ограничения тока через стабилитрон в дежурном режиме, с помощью нагрузочного резистора R9, его рабочая точка выведена ближе к середине ВАХ (его характеристики), быстрые изменения напряжения и шумы блокированы конденсатором C10. С полученным опорным напряжением сравнивается выходное напряжение стабилизатора (отрицательной полярности, например, -13,8 В) через цепочку светодиод оптопары - диод VD5 и ограничительный резистор R10. Выходное напряжение стабилизатора - выше опорного, следовательно, оно смещает переход диода VD5, запирая его. Ток через светодиод не идёт. Стóит замкнуть выходные клеммы стабилизатора, как на правом (по схеме Рис. 1) выводе резистора R10 отрицательное напряжение исчезнет, опорное откроет диод VD5, светодиод оптопары зажжётся, сработает фотосимистор оптопары, который замкнёт накоротко затвор с истоком VT2, обеспечив закрывание транзистора, этим выходной ток стабилизатора будет ограничен. Для приведения в рабочий режим, БП выключают с помощью сетевого выключателя SA1, устраняют к. з. и снова включают, при этом, система защиты встанет в исходное дежурное состояние.
Применение подобных стабилизаторов на ПТ делает порой ненужной схему защиты питаемой аппаратуры от превышения напряжения, возникающего вследствие пробоя регулирующего транзистора, так как, в этом случае, это напряжение увеличится всего на 0,5…1 В, что, обычно, входит в нормы допуска для питаемой аппаратуры, увеличится лишь фон переменного тока, по которому и можно заметить неисправность. Для более критичной к этому параметру техники можно предложить схему “жёсткого” ограничителя, именуемого на Западе “crow bar”. Суть системы заключается в сжигании плавкого предохранителя, включенного последовательно с нагрузкой с помощью мощного тиристора при превышении установленного порогового напряжения на выходе стабилизатора. При желании такую защиту можно ввести и в другие стабилизаторы.
Информацию по монтажу ПТ на радиаторе и других деталей на плате можно взять из [ 1 ], дополнительные детали защиты можно смонтировать навесным монтажом, применив в качестве стоек, например, пятачки, вырезанные из фольгированного стеклотекстолита, приклеенные к радиатору VT2. Стабилитрон VD6, включенный между истоком и затвором VT2, служит для защиты ПТ от превышения допустимого напряжения затвор-исток и является обязательным элементом в стабилизаторах с повышенным входным напряжением (от 15 В и выше).
В качестве К1 в БП можно применить, например, реле РЭС-9 с обмоткой на 12 В, включив параллельно его контактные группы. Сопротивление резистора R11 и ёмкость конденсатора С11 подбираются по необходимому времени задержки включения БП в рабочий режим (десятки Ом, десятки мкФ). Выпрямленное диодами напряжение, после включения БП в сеть, будет постепенно пополнять ёмкость конденсатора С9. Скорость зарядки С9 ограничена, включенным в цепь первичной обмотки резистором R7. Вместе с С9 заряжается и конденсатор С11, скорость зарядки которого зависит как от напряжения на С9, так и сопротивления резистора R11. Зарядившись до напряжения срабатывания реле К1, конденсатор С11 обеспечивает ток в его обмотке, реле срабатывает и контактами К1.1 шунтирует резистор R7, обеспечивая рабочий ток в первичной обмотке трансформатора Т1. Диод VD7 предназначен для подавления всплесков напряжения на обмотке реле, при его срабатывании, защищающий контакты К1.1 от возможного “дребезга”.
Сетевой фильтр С5L1L2C6 состоит из двух конденсаторов ёмкостью 0,01 мкФ на рабочее напряжение 630 В и двух катушек, включенных между ними. Катушки намотаны плоским сетевым шнуром на ферритовом стержне диаметром 8…10 мм и длиной 140….160 мм от магнитной антенны радиовещательного приёмника. Возможна такая же одновременная намотка катушек на ферритовом кольце с проницаемостью 2000…10000 и диаметром 32…60 мм до заполнения. Трансформатор для такого достаточно мощного БП должен иметь габаритную мощность порядка 500 Вт. В самом деле, давайте посчитаем: Выходное напряжение стабилизатора равно 13,8 В, максимальный ток – 30 А. Падение напряжения на регулирующем транзисторе диодах и соединительных проводах, в сумме, составит около 1 В. Мощность по вторичной обмотке трансформатора Т1 составит: 14, 8 В х 30 А = 444 Вт. Учтём потери на перемагничивание сердечника Т1 10% - 44,4 Вт. 444 + 44,4 Вт = 488,4 Вт. Остальное, до 500 Вт, оставим с запасом для собственного потребления БП. Сечение керна, например, для Ш-образного сердечника Т1, будет примерно (корень квадратный из мощности) равно 22, 36 кв. см. Ток в цепи первичной обмотки, при этом, составит: 500 Вт : 220 В = 2,27 А. Диаметр провода первичной обмотки: d1 = 0,8 √ I,A = 0,8 х 1,5 = 1,2 мм. Аналогично считаем диаметр провода вторичной обмотки, учитывая, что в схеме выпрямления со средней точкой ток в проводах вторичных обмоток будет вдвое меньше, не 30 А, а 15 А, плюс небольшой запас, в том числе и на “собственные нужды” БП, будем считать, что во вторичных обмотках “гуляет” ток в 16 А. Значит, диаметр провода вторичных обмоток будет: d2 = 0,8 √16 А = 3,2 мм. Применение проводов меньшего сечения приведёт к увеличению “просадки” напряжения на входе стабилизатора, что или не позволит получить от БП максимального тока, на который он рассчитан, или уменьшит его кпд, так как, придётся увеличивать напряжение, подаваемое на стабилизатор. Расчёт количества витков трансформатора для нашего случая также не представляет затруднения: W1 = 50/S, кв.см, где w1 – количество витков в обмотках Т1 на 1 В, S – сечение керна сердечника Т1, кв. см. 50 : 22,36 = 2,24. I = 2,24 х 220 В = 493 витка, II = 2,24 х 14,8 В = 33 витка (вторичных одинаковых обмотки - две). Одно условие, для улучшения параметров БП, следует обязательно выполнить: после намотки вторичной (вторичных) обмотки, следует обязательно сбалансировать выходные напряжения Т1, найти среднюю точку, при которой обе половины вторичной обмотки (обе вторичные обмотки) давали бы строго одинаковое напряжение.
Практический пример реализации описываемого БП без защит [ 1 ]: UA9LX – Геннадий Коробейников применил его для питания трансивера ICOM – 730. В качестве Т1 применён трансформатор ТС-630 с перемотанной проводом диаметром 3 мм вторичной обмоткой. Трансивер, при громком “а-а-а…” в микрофон, потребляет ток 23 А, при “просадке” в 0,02 В. Фона переменного тока не отмечено. При смене БП, менее мощного на описываемый здесь, увеличилась отдаваемая трансивером мощность с 60…80 до 120.
До сборки БП следует обязательно проверить номиналы всех деталей и их исправность. После монтажа БП, резистором R6 установить выходное напряжение 13,8 В или другое требуемое. При использовании БП в качестве лабораторного, следует вывести ось R6 на переднюю панель устройства, снабдить БП измерительными головками для измерения напряжения и тока. Соединения внутри БП следует проводить толстыми проводами минимальной длины. Параллельно всем оксидным конденсаторам, прямо на их выводы следует припаять неполярные ёмкостью 0,1…0,22 мкФ, устанавливать таковые в непосредственной близости от активных элементов, при малейшем намёке на нестабильную работу стабилизатора. При работе с радиопередающей аппаратурой, следует исключить наводки на детали стабилизатора, подводящие и отводящие провода. У выходных зажимов БП следует включить фильтр, подобный сетевому (Рис.1), с той лишь разницей, что катушки должны быть намотаны на ферритовом кольце или ферритовой трубке, применяемых в старых мониторах и телевизорах зарубежного производства и содержать всего два - три витка изолированным проводом большого сечения (не менее, чем отводящие провода), а конденсаторы могут быть рассчитаны на меньшее рабочее напряжение.
Итак, описываемый БП использует максимум возможностей для получения источника питания с минимальным выходным сопротивлением (внутренним сопротивлением источника): мощный силовой трансформатор с толстыми проводами обмоток, схема двухполупериодного выпрямителя со средней точкой, позволяющая уменьшить потери на диодах и сами диоды применены с барьером Шоттки, мощный полевой транзистор имеет низкое сопротивление канала в открытом состоянии… Применённые защиты от к. з. и перенапряжения, а также система пуска повышают надёжность устройства. Стабилизатор можно применять и в менее мощных БП, например, в союзе с унифицированными трансформаторами ТН-60, ТН-61 на ток до 10 А, где его надёжность будет ещё выше. На Рис. 2 приведён эскиз печатной платы (размерами 52,5 х 55 мм) узла стабилизатора с защитой от к.з. На схеме Рис. 1 этот узел обведён пунктирной линией. На Рис. 3 – эскиз расположения деталей на этой плате. Плата выполнена из фольгированного с двух сторон стеклотекстолита толщиной 1…1,5 мм, фольга на нижней стороне платы соединена с минусовой выходной шиной стабилизатора (“заземлённой” на схеме Рис. 1) или отдельным проводом или пайкой непосредственно к медной пластине, к которой припаивается сток транзистора VT2. Такую пайку можно произвести, просверлив несколько отверстий в материале платы (например, фрезой диаметром 4 мм), с таким расчётом, чтобы высверлился только стеклотекстолит, а фольга с нижней стороны платы осталась целой (если она треснет - не беда), затем сверлом диаметром 1…1, 5 мм в фольге просверливают отверстия и расплавляют в этом месте кусочек легкоплавкого припоя с нейтральным флюсом, который, расплавляясь, соединяется с полудой медной пластины, припаивая плату. Подробности монтажа можно узнать в [ 1 ]. Плата разработана в том же стиле, что используется там. Свободные выводы оптопары OP1 можно никуда не припаивать. На плате условно в местах пайки деталей обозначены отверстия, но таковые есть только для пайки к фольге с нижней стороны платы (“заземляемой” фольге с нижней стороны платы), остальной монтаж ведётся сверху, со стороны печатных проводников без сверления отверстий. Следует при монтаже,

Рис. 2. Эскиз печатной платы стабилизатора. Размеры 52,5 х 55 мм

Рис. 3. Эскиз расположения деталей на монтажной плате стабилизатора
отводить от платы большие токи, не использовать фольгу в качестве шины, припаивать провода вблизи выводов транзистора VT2. Уязвимых мест у данного блока питания можно ещё поискать, но, всё же, их меньше, чем у многих других. А защита не помешает. Защищаемся…
Литература:
Виктор Беседин (UA9LAQ)
г. Тюмень
| Мгновения вечности www.chitai-gorod.ru |