Автоматические показания при измерении КСВ
Harald Pietzko (DD2JI)
Оригинал статьи опубликован в
журнале Funkschau №10 1982
г стр. 87…89
Простые измерители КСВ при проверке согласования антенн с передатчиками необходимо устанавливать (калибровать) при каждом новом измерении. (Вспомним, как это делается: КСВ-метр включается в разрыв антенной цепи, переключается на измерение прямой (падающей) волны, с помощью регулировочного потенциометра стрелка измерителя устанавливается на конечное деление шкалы, затем, КСВ-метр переключается на измерение отражённой (обратной) волны, показания прибора считываются по отдельной шкале КСВ или высчитываются из соотношения прямой и отражённой волны по известной формуле - UA9LAQ). Описываемое здесь устройство позволяет производить измерение КСВ без предварительной установки (перед каждым новым измерением) значения прямой волны и может служить дополнением к уже имеющимся традиционным. КСВ-метрам.
КСВ-метр обычно строится по схеме приведённой на Рис. 1. Главной составной частью его является так называемый направленный ответвитель. Одна его часть (цепь) реагирует только на прямое прохождение РЧ тока к антенне (падающая волна) - Uпр, другая - только на обратное (отражённое) - Uобр. Значение последнего тем выше, чем больше рассогласование между передатчиком и нагрузкой (антенным фидером, антенной). Из соотношения напряжений прямой и обратной волны можно вывести коэффициент стоячих волн (КСВ):
Uпр + Uобр / Uпр - Uобр
При измерении нужно сначала с помощью сдвоенного потенциометра Р установить отклонение стрелки прибора КСВ-метра I1 на полную шкалу (измерение прямой волны). Так как потенциометр Р работает в цепях обоих приборов, то стрелка измерительного прибора КСВ-метра I2 отклонится на определённый угол, указывая на соотношения напряжений Uобр : Uпр или величины отклонения стрелки прибора I2 к величине полного отклонения стрелки прибора I1. Если, например, КСВ = 3, то отклонение стрелки прибора I2 составит половину шкалы прибора I1. При соответствующей градуировке значение КСВ можно считывать непосредственно со шкалы измерительного прибора I2.
Ручная калибровка
Конечно же калибровка КСВ-метра не должна нарушаться, поэтому её нужно проводить перед каждым измерением (путём установки стрелки прибора I1 на конечное деление шкалы). Изменится КСВ или выходная мощность передатчика и положение движка потенциометра Р, в большинстве случаев, придётся подбирать заново. При постройке антенн, их согласовании с передатчиками или при работе с изменяющейся их выходной мощностью, работа с такими КСВ-метрами становится утомительной. Постоянная (добавлю: и правильная - UA9LAQ) индикация КСВ была бы предпочтительней.
В этом деле может помочь специальный измеритель с перекрещивающимися двумя стрелками, на общей шкале которого показываются значения прямой и обратной волны. В точке пересечения обеих стрелок на специальной шкале можно прочитать полученное соотношение (КСВ). Всю прелесть прибора портит его значительная цена. Более дешёвое решение описано ниже, им можно дооснастить, уже имеющиеся у Вас, - обычные КСВ-метры.
Автоматические показания КСВ
Автоматические показания КСВ призваны освободить Вас от той работы, которую Вы осуществляете перед каждым измерением КСВ - установки стрелки прибора на конечное деление шкалы в режиме измерения прямой волны, путём электронной установки "положения движка" потенциометра Р.

Рис. 1. Принципиальная схема КСВ-метра. КСВ можно считать со шкалы измерительного прибора I2, после установки стрелки прибора I1 на конечное деление его шкалы.

Рис. 2. Блок схема автоматического КСВ-метра. Управляемые электронным способом сопротивления заменяют сдвоенный потенциометр Р с Рис. 1,
Сердце схемы состоит из двух электронных переключателей, которые вместе с описываемым ниже "интерфейсом" действуют в качестве переменных сопротивлений. Вместе с Rпр и Rобр они образуют два однотипных делителя напряжения, которые заменяют сдвоенный потенциометр из КСВ-метра c "ручной установкой" (Рис. 2).
С помощью схемы управления сопротивления этих делителей изменяются таким образом, что напряжения на их выходе имеют постоянную заданную (установленную) величину (Uопорн). Увеличатся, предположим, значения напряжений прямой (Uпр) и отражённой (Uобр) волн, в результате изменения выходной мощности передатчика, например, вдвое от предыдущего значения, Uпр уменьшится с помощью делителя вдвое, т. е., до прежнего своего значения. Таким же образом, одновременно, и наполовину уменьшится значение отражённой волны - Uобр.
Важным для прибора останется только соотношение между напряжением прямой (Uпр) и обратной (Uобр) волны, а их абсолютные значения здесь не "играют роли".
Практика проведения измерений
Точность проведения измерений КСВ предлагаемым методом целиком зависит от идентичности обоих делителей напряжения. Во всём диапазоне поступающих на КСВ напряжений идентичность делителей должна быть полной (т. е., плюс ко всему, ещё и эквивалентное сопротивление делителей должно изменяться по одинаковому закону - UA9LAQ), иначе, можно впасть в ошибку при измерении КСВ, так как разница в величине сопротивления вышеупомянутых делителей приведёт к нарушению (изменению) соотношения Uпр к Uобр. Если, например, (для управляемых делителей) применить оптопары, состоящие из фото- и светодиодов, то их характеристики от экземпляра к экземпляру могут сильно различаться и высокая точность при измерении КСВ не может быть достигнута. Нужна цифровая система.

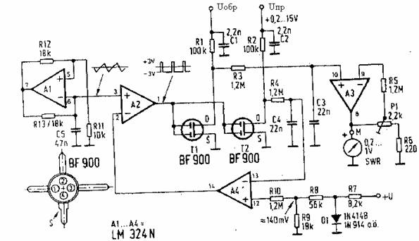
Рис. 3. Практическая схема автоматически работающего КСВ-метра
В качестве регулирующих элементов на схеме (Рис. 3) работают полевые транзисторы Т1 и Т2, строго говоря, они осуществляют функцию переключения. (дискретно меняют своё сопротивление?). Их сопротивление при напряжении затвор-исток 3 В составляет 50 Ом, при закрытых транзисторах (Uзи = - 3 В) - более 10 МОм. Транзисторы переключаются с помощью прямоугольных импульсов с крутыми фронтами стабильной формы, изменяются лишь тактовая частота и временное соотношение между состояниями включено-выключено. Когда переключатель большую часть периода закрыт, входное напряжение делителей R1T1 и R2T2 появляется на выходах только в виде коротких импульсов. После интеграции с помощью ФНЧ (R3, C3 и R4, C4) получается постоянное напряжение, величина которого тем меньше, чем большее время переключатель во время периода такта закрыт. Таким образом, он заменяет переменный резистор. Коэффициент деления такого цифрового делителя напряжения всецело и однозначно зависит от скважности импульсов переключения. Разброс параметров транзисторов почти не оказывает влияния на идентичность обоих делителей.
Дифференциальные усилители в цепи регулировки
Первая часть цепи регулировки состоит из дифференциального усилителя А4 и источника опорного напряжения R7…R9 и D1. Превысит напряжение на инвертирующем входе значение этого опорного напряжения, выходной уровень усилителя понижается. На А1 собран генератор пилообразного напряжения, который, со своей стороны, управляет компаратором. Выход компаратора имеет высокий уровень, когда напряжение "пилы" перешагнёт значение напряжения на инвертирующем входе (вывод 2). Так получается сигнал прямоугольной формы с управляемым напряжением соотношением включено-выключено (скважностью), которое используется для управления переключателями в делителях напряжения. При повышении входного напряжения Uпр, дифференциальный усилитель тотчас же понижает переключательный порог компаратора. Для переключателей формируются положительные управляющие импульсы большей ширины, и они дольше остаются закрытыми. При этом, уменьшается напряжение Uпр до величины, когда в схеме наступает равновесие, т. е., до величины опорного напряжения равного 140 мВ.

Рис. 4. Устройство можно разместить на печатной плате по приведённому эскизу.
Чтобы, несмотря на, к сожалению, высокое сопротивление переключателей на полевых транзисторах, обеспечить достаточный диапазон регулировки, делители напряжения выполнены высокоомными.

Рис. 5. Расположение деталей на монтажной плате автоматического измерителя КСВ. Будьте внимательны, правильно устанавливайте микросхему и транзисторы.
Перед изготовлением платы сверьте монтаж со схемой, помните о двухполярном питании.
По этой причине измеритель может быть подключен к схеме только через усилитель А3, служащий преобразователем импеданса и усилителем. С помощью переменного резистора Р1 коэффициент усиления усилителя может устанавливаться в пределах от 1 до 10. Резисторы R5 и R10 компенсируют ток рассогласования усилителей А3 и А4, который иначе может вызвать значительные ошибки при измерениях. С6 и С7 устраняют паразитные выбросы на импульсах и перезаряжаются от напряжения питания.
Без проблем - в постройке, без проблем - в настройке
Монтаж измерителя КСВ может быть выполнен, согласно Рис. 4, как на "нулёвке" (готовой плате с отверстиями) так и на печатной плате, соединительные дорожки которой выполнены методом травления. При набивке платы деталями по Рис. 5, следует иметь в виду, что полевые транзисторы и микросхема припаяны к фольге сверху. Для полевых транзисторов типа BF900 на Рис.3 приведено расположение выводов.
Для настройки предварительно входы Uпр и Uобр соединяются с положительным полюсом источника питания. С помощью потенциометра Р1 устанавливаем стрелку измерителя КСВ на конечную отметку шкалы - вот и вся настройка. Градуировка шкалы в единицах КСВ ничем не отличается от таковой в обычных КСВ-метрах.

Правильность функционирования автоматической индикации КСВ проверяют, присоединив входы КСВ-метра к проверочной схеме Рис. 6. С помощью этой схемы симулируется КСВ = 3, при этом как "прямое" так и "обратное" напряжения могут изменяться в соответствующем соотношении в широких пределах. Вне зависимости от положения потенциометра стрелка измерителя должна находиться в среднем положении. Небольшие подстройки +/- 5%, всё-таки, допустимы (могут потребоваться или следует иметь в виду погрешность прибора в диапазоне входных уровней - UA9LAQ). Если испытания прошли успешно, то соответствующие входы подключаются к выходам соответствующих направленных ответвителей. Для обеспечения правильной работы КСВ-метра, на его нужно подать напряжение прямой волны, по крайней мере, 200 мВ. Максимальное напряжение, подаваемое на измеритель КСВ не должно превышать 15 В, чтобы не повредить транзисторы. Опытный образец прибора работал именно в этом диапазоне с симуляцией различных значений КСВ и показал точность не хуже +/- 1, 5%. Такой точности вполне достаточно, простые направленные ответвители, применяемые в радиолюбительской практике, обеспечивают куда меньшую точность.

Если устройство должно быть портативным, необходимо смонтировать КСВ-метр вместе с направленным ответвителем в едином корпусе и снабдить его источником питания (две плоских батарейки напряжением по 4,5 В.). Батарейное питание прибора оказывается возможным по причине малого потребляемого им тока, всего 2 х 2 мА. Поскольку имелся только простой источник питания с напряжением 9…12 В, можно ввести его симметрирование с помощью резисторов R14 и R15 (Рис. 7). Потребляемый ток возрастёт тогда до 8 мА. Следует быть внимательным, - общий провод и отрицательный полюс источника питания - не одно и то же.
Возможности (вариации) исполнения
Автоматическое показание КСВ можно применить в трансивере, в качестве базы антенной автоматики. Через соответствующие управляющие устройства с приводами на оси КПЕ от электродвигателей, можно подстраивать согласующие устройства на минимум КСВ автоматически. Это особенно полезно при смене частот или антенн. Тут бо-о-ольшое поле для экспериментов!
Свободный перевод с немецкого:
Виктор Беседин (UA9LAQ) ua9laq@mail.ru
Почтовый адрес: 625015 г. Тюмень-15
а/я 1310
г. Тюмень 16
января 2004 г
| Глас народа |
|
03.02.2013 08:07 А можно ли применить цифровой вольтметр ?... -- Владимир ra9udw... 28.09.2008 22:04 работает на кп305, но значение ксв изменяется в зависимости от вх... -- Vadim ew7dk... 11.07.2008 22:37 Ребятки, кто изготовил такую схему. Можно ли здесь применить не ... -- 4z5pn 16.06.2004 21:05 Уважаемые, объясните начинающему, почему после сборки этой схемы,... -- Дмитрий 09.02.2004 17:04 НАсчет питания. Если микросхему повернуть на 180 гр. и вставить, ... -- Юрий 30.01.2004 18:10 Это как понимать - не для массового повторения??? Если не в состо... -- Игорь UN7GM... 30.01.2004 16:16 интересная однако схема ,но врядли расчитана на массовое повторен... -- blac box 29.01.2004 01:23 Дааа, немного перестарались:)... -- Юрий / UA6AP... 28.01.2004 10:35 Хитрые полевые транзисторы можно, думается, заменить на что-нибуд... -- Евгений Андропо... 28.01.2004 10:16 Эта схема уже в этом сервере есть http://www.cqham.ru/un7gm_swr.... -- Vytas LY3BG... |