Dipler Filter W7ZOI
Перевод статьи о диплексерах, размещенной на сайте http://www.qrp.pops.net/
Введение
Моя web-страница http://www.qrp.pops.net/ с диплексерами была довольно неполной, а сайт критиковался со стороны инженеров-электронщиков за “популяризаторское” направление. Уэс Хэйуорд, W7ZOI предоставил мне схемы, анализ и спектрограммы диплексеров, которые ставятся на выходе двухбалансных смесителей и представлены здесь, ниже. Затем, приведён мостовой радиочастотный Т-диплексер W1JR, взятый с оригинала статьи из “QRP Home Builder Diplexer” web-страницы с новыми комментариями и АЧХ, представленными W7ZOI.
В последней части статьи представлен практический диплексер, предназначенный для установки на выходе смесительного детектора приёмника прямого преобразования.
Все рисунки (Fig. 1...Fig. 24) являются собственностью W7ZOI .
Диплексеры
Wes Hayward, W7ZOI
Обычно усилитель является устройством с двумя “портами”: вход – два контакта и ещё два контакта - выход. Два контакта усилителя являются общими для входа и выхода (соединены с шасси). Многие фильтры также являются “двухпортальными” устройствами, включая часто используемые, - лестничные. Но есть устройства, которые содержат три “порта” и более. Типичным примером здесь является смеситель, другим “трёхпортальным” устройством является диплексер. Это линейное устройство обычно применяют с “двухпортальными” фильтрами, где один “порт” одного фильтра запараллеливается с одним “портом” другого фильтра для образования входного “порта” (см. Fig. 1).
Смысл применения диплексера заключается в увеличении импеданса на входе даже в том случае, если мы используем только один выход. Самый простой диплексер показан на Fig. 2, он состоит из двух одноэлементных фильтров - ФНЧ и ФВЧ.

Когда достигается равенство импедансов L и C, то достигается и наилучшее согласование (генератора с нагрузками). Угловая частота разделения (пересечения кривых АЧХ) называется “cross-over”. Знакомым примером диплексера из области аудиотехники является “кроссовер” - устройство для разделения частотного спектра в акустических системах (НЧ, СЧ и ВЧ спектры, каждый - к своей динамической головке).
Итак, устройство, которое разделяет сигналы называется диплексером. Вот пример, где используются оба выхода диплексера: (Fig. 3) - комбинация полосно-пропускающего и полосно-заграждающего фильтра.

Приведём ещё несколько примеров как работающих, так и неработающих. Сначала взглянем на аудиодиплексер, который включен на выходе смесительного детектора приёмника прямого преобразования. Полезной нагрузкой детектора является первый каскад УЗЧ с входным сопротивлением 50 Ом, а диплексер приведён на Fig. 4. Это уже не комбинация фильтров. Это уже похоже на ФНЧ с добавочным внешним резистором. АЧХ этого устройства приведена на Fig. 5.


Передаваемый сигнал никогда не достигнет 1 В в полосе пропускания ФНЧ, а согласование сопротивлений, заменённое коэффициентом отражения, никогда не опустится к желаемой величине - нулю. Это - на “совести” вносимых ФНЧ потерь. Нормальная схема фильтра без дополнительного резистора показана на Fig. 6, соответствующая выходная характеристика - на Fig. 7.


Отметьте, что теперь сигнал достигает значения в 1 В, а коэффициент отражения упал до нуля, - имеются в виду значения в полосе пропускания ФНЧ, в полосе задерживания, наоборот, - уровень передаваемого сигнала стремится к нулю, а коэффициент отражения - к 1.
Включим теперь как ФНЧ, так и ФВЧ, чтобы образовать диплексер. Это показано на Fig. 8, где можно увидеть и номиналы деталей диплексера. АЧХ по обоим выходам ( “портам” ) диплексера представлена на Fig.9. Согласование на частотах срезов - хорошее, но по диапазону передачи, прямо скажем, - неважное.


Теперь давайте посмотрим на двухэлементный фильтр со тщательно подобранными деталями. Окончательная схема приведена в качестве примера на Fig. 10, а его характеристика - на Fig. 11.


Характеристическая кривая коэффициента отражений совпадает с “нулевой” линией графика, т.е. согласование во всём диапазоне согласования практически идеально. Коэффициент отражения равен нулю и везде. Этот фильтр был разработан для 1 кГц кроссовера и легко может быть пересчитан на другие частоты. На Fig. 12 приведён ещё один пример готового аудиодиплексера. Эта схема очень похожа на ту, что использовал в прошлом Roy Lewallen, W7EL в его “оптимизированном” передатчике, только катушка индуктивности была поменьше - 100 мкГн. Характеристика этого диплексера показана на Fig. 13.


В реальных условиях приёма, этот диплексер, конечно же, не лучший, но достаточно хорошо работающий.
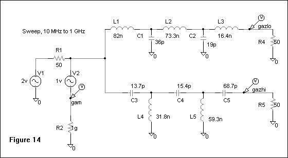
Наконец, вот Вам и РЧ пример: соединены ФНЧ и ФВЧ пятого порядка (Fig. 14). Фильтры имеют частоты среза в районе частоты 150 МГц. Отметьте, что в полосе пропускания имеются небольшие отражения, это, возможно, результат округления результатов расчёта (Fig. 15).


Литература:
1. Nic
Hamilton, G4TXG "Improving Direct Conversion Receiver Design", Radio
Communication, April, 1991.
Мостовой Т-образный РЧ-диплексер.
Этот отличный диплексер, составленный из полосно-пропускающего и полосно-заграждающего фильтров, широко популяризировался Джо Райзертом, W1JR. Этот диплексер может быть легко собран навесным монтажом и использует недорогие детали. Резисторы R1 и R2 обеспечивают выходное сопротивление смесителю и 50-омное входное сопротивление последующему первому каскаду УПЧ приёмника. ПЧ сигнал проходит через диплексер и, если его частота находится вне полосы пропускания, то для таких сигналов диплексер имеет низкое сопротивление и они замыкаются на корпус. Ёмкость конденсатора С1 обычно заменяется обычной стандартной или составляется из двух и более конденсаторов включенных впараллель, то же самое следует сделать с ёмкостью С2. Для удобства настройки часть ёмкости С1 или С2 следует сделать переменной. Катушки можно намотать на кольцах из порошкового железа (феррита). Я с успехом использовал кольца Т50-2 или Т50-6, добротность катушек равна 1.
Возможно разработать более общую конфигурацию этого диплексера с большей нагрузочной добротностью контуров. У диплексера, представленного на рисунке, добротность равна 1. Этот диплексер был представлен W1JR в разделе VHF/UHF, в теперь уже невыходящем журнале HAM Radio Magazine за март и ноябрь 1984 г. Позже этот диплексер был использован Джекобом Макинсоном, N6NWP, в его предусилителе с высоким динамическим диапазоном для СВ/КВ приёмника в QST за февраль 1993 г. Полный расчёт данного диплексера довольно сложен, по крайней мере сложнее, чем упрощённые формулы для его расчёта, приведённые ниже и использованные в компъютерной программе, но в том и другом случае, получаются довольно точные результаты для добротности равной 1, как отмечают W1JR и N6NWP. Если Вы хотите, чтобы добротность была 10, катушка последовательного контура должна тогда иметь индуктивность в 10 раз большую и настраиваться в резонанс с ёмкостью С1, а ёмкость параллельного контура следует увеличить в 10 раз для резонанса с катушкой L2.
Упрощённые формулы (Q = 1):
R1 и
R2 всегда 51-омные резисторы.
Индуктивности катушек
L1 и L2 = 50 / (6,283 * частота, МГц).
Ёмкости конденсаторов С1 и С2 = 1 /
(6,283* 50* частота, Гц).
Пример 1: для ПЧ = 9 МГц,
L1 = L2 = 0,88 мкГн, С1 = С2 = 350 пФ.
Пример 2: для ПЧ = 4,92 МГц,
L1 = L2 = 1,62 мкГн, С1 = С2 = 647 пФ.
Я написал простую программу, чтобы рассчитывать диплексер для добротности
Q = 1.
(Программу можно скачать здесь:
http://www.qrp.pops.net/apps/diplexer.zip )
Анализ и коментарии W7ZOI:
Эта схема представляет собой двухвыходную версию полосно-пропускного / полосно-задерживающего фильтра первого порядка, представленного ранее. Но эта версия хороша, если её рассматривать с позиции того, что она может делать.


Во-первых, эта схема похожа на схему диплексера (Fig. 16), который лучше назвать мостовым Т-диплексером (имеются также мостовые Т-фильтры и Т-аттенюаторы). Характеристики этой схемы приведены на Fig. 17. Она очень хороша. Благодаря низкому значению добротности Q, включенной последовательно цепи, полученная характеристика имеет “плоский” вид в широком диапазоне частот. Но ещё лучше выходит согласование. Оно очень хорошее и было бы отличным, если бы мы не прибегали к округлениям результатов расчётов номиналов деталей схемы.
Эта “штука ” работает прекрасно, если Вы отлично согласуете с диплексором последующую схему. Вот здесь-то и встречается “заковыка”. Есть такие “места”, в которых то, что должно, по мнению некоторых, работать, увы, - не работает! Например, характеристика импеданса диплексера не будет “плоской”, если за ним в схеме “стоит” фильтр. На обоих выходах диплексер должен быть, при этом, правильно нагружен. В обычно приводимых, в этом случае, примечаниях Тодда, тот заботится о выходе смесителя в смесительном детекторе. УЗЧ, который он использует, в первом каскаде содержит схему с общей базой и это обеспечивает хорошую нагрузку диплексеру в широкой полосе частот. Здесь всё ОК, но другие включали диплексер после ключевого смесителя, на выходе которого стоит узкополосный фильтр. Диплексер здесь работал плохо. Чтобы это проиллюстрировать, я собрал “псевдокварцевый” двухполюсный LC полосовой фильтр с полосой пропускания 50 кГц. Это с успехом продемонстрировало ситуацию, когда мы пытаемся поставить диплексер между смесителем и фильтром.


Характеристика фильтра показана на Fig. 18, а схема диплексера с последующим фильтром на Fig. 19. Общая характеристика комбинации показана на Fig. 20. Здесь можно увидеть характеристику фильтра - она идеальна, мы её уже видели (Fig. 18), но входной импеданс диплексера, которым нагружается смеситель просто ужасен. Потери на отражение составляют 0 дБ на всех частотах, кроме частот пропускания фильтра.

Встраивание диплексера после смесительного детектора потребует приличных затрат. Катушки для звуковых частот (с большой индуктивностью и добротностью) и конденсаторы с диэлектриком из "полиэстер – плёнки", обычно, отсутствуют в “кубышке” радиолюбителя – конструктора.
Мне лично нравится диплексер, схема которого приведена на Fig. 10 и я хотел бы его использовать из-за его простоты: всего две катушки и два конденсатора, что соответствует духу этого “популяризаторского” web – сайта. Главным затруднением в этом деле являлся тот факт, что катушки имели нестандартную индуктивность и последовательное соединение деталей, чтобы достигнуть желаемых результатов, что прибавляло стоимость и размеры конечного изделия. Тем не менее, этот диплексер не позволит обеспечить согласование в очень широкой полосе частот (от постоянного тока до частот видимого света). К этому мы и не стремимся, представляя простую схему диплексера на этом web-сайте. Я попросил Уэса поставить в диплексер (Fig. 10) стандартные катушки и конденсаторы и посмотреть, что получится. А вот и ответ на мою просьбу:
“ОК, вот практические номиналы, отметьте, что ничего сильно не изменилось. Мы начали с индуктивности в 11 с “копейками” миллигенри и ёмкости в 2,25 мкФ. Сменили индуктивность на 10 мГн и получили характеристику на Fig. 21.


Затем сменили ёмкость на 2,2 мкФ и получили характеристику на Fig. 22. Ну, а теперь сделаем ещё один шаг к реальности и осознаем, что большинство катушек, используемых нами на звуковых частотах, имеют очень малую добротность – Q. Снизим добротность до 10 на частоте 1 кГц, включив последовательно с каждой катушкой резистор сопротивлением 6,3 Ом и получим характеристику (Fig. 23).


Сделаем то же, но теперь на шкале с децибеллами (Fig. 24). Заметьте, что появились некоторые негативные моменты, но тем не менее, дела идут не так уж и плохо: потери составляют в цепи ФНЧ около 1 дБ и согласование, естественно, похуже, чем отличное, но, всё-таки, - неплохое. На уровне 20 дБ КСВ = 1, 1, т.е., лучше, чем 99,9 %, а это выше разрешающей способности обычных радиолюбительских измерительных приборов (на уровне 10 дБ КСВ = 2). Надеюсь, это - то, к чему Вы стремились... Уэс.”
Вот так и не иначе! Я использую этот “практический” диплексер в своём будущем проекте приёмника прямого преобразования.
Внимание: Входной и выходной импедансы диплексера равны 50 Ом. Конденсаторы 2,2 мкФ не должны быть полярными (оксидными, электролитическими).
Выражаю благодарность Уэсу Хэйуорду W7ZOI за его работу над этой web-страницей.
Свободный перевод с английского В.
Беседин ( UA9LAQ), ua9laq@mail.ru
г. Тюмень.