Измерительный генератор.
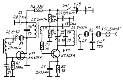
Для измерения характеристики реальной избирательности вблизи основного канала приема высококачественных приемников нужен диапазонный генератор, спектральная плотность боковых шумов которого заведомо меньше, чем у гетеродина приемника. Обычные любительские и распространенные промышленные генераторы сигналов для этих целей не подходят, и создать такой генератор трудно, но можно использовать малошумящий генератор фиксированной частоты, а при измерениях изменять частоту настройки приемника. Схема простого такого генератора представлена на рис. 63. Он состоит из автогенератора на транзисторе VT1 с кварцевой стабилизацией, буферного резонансного усилителя на транзисторе VT2 и двухрезона-торного кварцевого фильтра В2, ВЗ. Генератор развивает выходное напряжение более 1 В (действующее значение) на сопротивлении нагрузки 50 Ом. Питается генератор от двух батарей “Рубин”. В устройстве использованы резонаторы на частоту 14 МГц, однако такую же схему можно применить и при иных частотах.

Генератор вместе с батареями питания заключают в экранирующую коробку размерами не менее 120Х65Х50 мм (если используются резонаторы в корпусах Б1 или меньших), которую можно спаять из двухстороннего фольгированного стекло-текстолита. Монтаж генератора навесной, на контактных площадках, вырезанных в фольге нижней крышки коробки. Катушки LI, L2, L4 — дроссели типа ДМ. Катушки связи L3 и L5 намотаны одножильным монтажным проводом (подойдет провод от многопарных телефонных кабелей) поверх катушек L2 и L4; они содержат по три витка.
Настраивают генератор так. Фильтр В2, ВЗ подключают к измерителю АЧХ и подбирают емкость конденсатора С 10 так, чтобы полоса пропускания фильтра по уровню — 6 дБ была менее 0,5 кГц. Если полученная при этом емкость Сп много больше указанной на схеме, где она соответствует характеристическому сопротивлению фильтра 50 Ом, нужно соединить выход фильтра с разъемом XS1 через повышающий трансформатор с коэффициентом трансформации сопротивлений Сп/220. Удобно в этом случае взять емкость конденсатора С10 820 пф, а выход фильтра соединить с разъемом XS1 через простейший трансформатор 1 : 4. Ротор конденсатора С2 устанавливают в среднее положение, включают питание и проверяют наличие генерации, например, с помощью приемника. Подбирают конденсатор С4 по максимуму амплитуды на контуре L2C4 при устойчивой генерации (этот контур должен быть настроен несколько ниже частоты генерации). По максимуму амплитуды на входе кварцевого фильтра настраивают контур L4C6C9. Подключив вольтметр или осциллограф к выходу устройства, нагруженного на сопротивление 50 Ом, “вводят” частоту генерации в полосу пропускания кварцевого фильтра с помощью конденсатора С2. При необходимости подбирают индуктивность L1. Подбором резистора R4 устанавливают требуемое напряжение на выходе устройства, которое не должно быть много больше 1 В, иначе могут перегрузиться резонаторы В2, ВЗ.
Как пользоваться генератором? Через переменный аттенюатор его подключают к одному из входов мостового сумматора. К другому входу сумматора подключают диапазонный генератор сигналов, в качестве которого можно использовать практически любой промышленный генератор сигналов соответствующего диапазона. Выход сумматора соединяют со входом приемника, АРУ приемника выключают, к его выходу подключают вольтметр. Приемник настраивают на частоту кварцевого генератора так, чтобы его сигнал попал в центр полосы пропускания приемника, и от этой частоты в дальнейшем отсчитывают расстройку.
Затем кварцевый генератор выключают тумблером “Питание”, диапазонный генератор настраивают на частоту настройки приемника, скажем, так, чтобы слышать привычный при приеме телеграфных сигналов тон. Органами регулировки уровня диапазонного генератора исходное отношение (сигнал + шум)/шум на выходе приемника устанавливают, например, 6 дБ, что достаточно для того, чтобы четко слышать сигнал и замечать изменение его уровня и уровня шума. Включают кварцевый генератор и устанавливают такое затухание аттенюатора на его выходе, чтобы показания вольтметра отличались от исходных, например, на 1 дБ. Данный уровень гармонической помехи считают за нулевой. Выключают кварцевый генератор, приемник расстраивают на значение выбранного для измерений шага расстройки. На это же значение изменяют частоту диапазонного генератора, сохраняя неизменным тон и отношение (сигнал +шум)=шум на выходе приемника. Включают кварцевый генератор, и переменным аттенюатором на его выходе добиваются отличия показаний вольтметра от исходных на 1 дБ, записывают значение затухания аттенюатора. Вновь расстраивают приемник на значение шага расстройки и повторяют описанные операции до таких расстроек, при которых начнет сказываться завал АЧХ преселектора. На скате АЧХ ФОС шаг расстройки выбирают 0,1—0,3 кГц, вдали от него — до десятков килогерц, но, конечно, не “перескакивая” через побочные каналы приема. Вычисляют разности между значениями затухания аттенюатора, при котором был определен нулевой уровень гармонической помехи, и записанными при различных расстройках, и строят искомую кривую.
Как отмечалось, внутри полосы пропускания приемника и в непосредственной близости от нее характеристика реальной избирательности практически полностью совпадает с АЧХ основного канала приема (точнее, с характеристикой затухания, обратной АЧХ), поэтому до расстроек, при которых начнет сказываться блокирование, характеристику реальной избирательности можно измерять проще. Установив нулевой уровень помехи, выключают диапазонный генератор и замечают показания вольтметра. Расстраивая приемник, переменным аттенюатором на выходе кварцевого генератора сохраняют прежнее показание вольтметра. Если известно, что в полосе пропускания преселектора или широкополосных трактов первых ПЧ приемников с многократным преобразованием частоты блокирование обусловлено прежде всего обратным преобразованием шума гетеродина, а не нелинейностью амплитудной характеристики широкополосного тракта, таким упрощенным способом, вообще без диапазонного генератора, можно полностью измерить характеристику реальной избирательности в указанной полосе.
Характер блокирования нетрудно определить с помощью подключенного к выходу приемника вольтметра, а еще лучше — осциллографа. Приемник настраивают на край полосы пропускания преселектора или так, чтобы частота кварцевого генератора оказалась на краю полосы пропускания широкополосного тракта первых ПЧ в аппаратах с многократным преобразованием частоты. Диапазонный генератор настраивают на частоту приема. Увеличивают уровень от кварцевого генератора, следя за показаниями осциллографа. Если начинает возрастать уровень шума при неизменном уровне сигнала, то можно сделать вывод, что блокирование поначалу обусловлено обратным преобразованием шума гетеродина, и характеристику реальной избирательности в указанной полосе можно измерять упрощенно. Наоборот, если повышение уровня от кварцевого генератора приводит сначала к падению уровня сигнала, то блокирование вызвано ограничением амплитудной характеристики широкополосного тракта, и упрощать измерения не следует.
В.В. Дроздов (RA3AO) Любительские КВ трансиверы.