Коротковолновый трансивер UR5LAK
При разработке данной конструкции, ставилась цель создать относительно несложный и недорогой аппарат, достутный для повторения радиолюбителями средней квалификации, из доступной элементной базы. В то же время аппарат обладает высокими техническими параметрами и превосходит трансиверы с подобной схемотехникой. По эфиру было собрано много материалов на эту тему. За основу были взяты идеи собранные в трансивере “Урал-84М”, как наиболее простые, отработанные и с достаточно высокими параметрами.
Трансивер был сделан в домашних условиях, с использованием “минимума” приборов и инструмента. Корпус был разработан группой радиолюбителей. Партия корпусов была изготовлена на оборонном предприятии.
Трансивер предназначен для проведения радиолюбительских радиосвязей в диапазоне коротких волн. Он представляет собой конструкцию с одним преобразованием частоты и содержит девять функционально законченных блоков. Аппарат может быть базовым при создании УКВ трансиверов.
Основные параметры
К аппарату можно подключить усилитель мощности (РА) с релейной коммутацией диапазонов (разъем для подключения внешнего РА на схеме соединений не показан). Трансивер может работать совместно с внешним ГПД или синтезатором частоты.
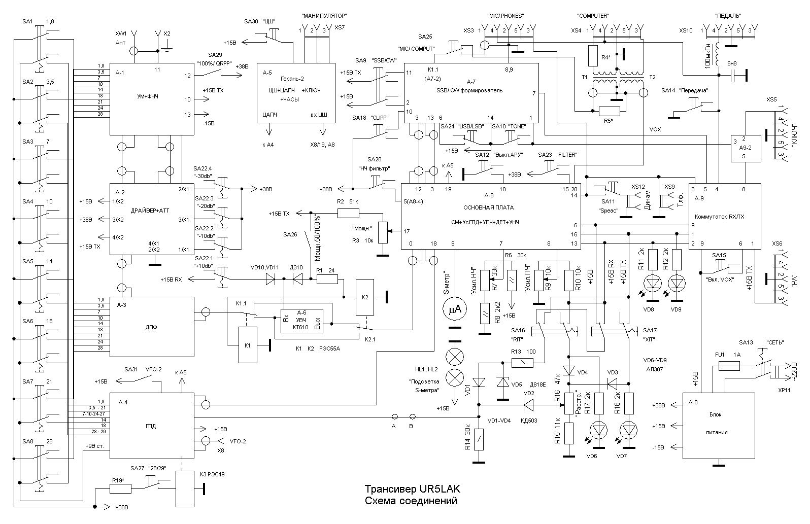
Схема соединений
рис.1
Трансивер выполнен по схеме с одним преобразованием частоты. Общими узлами трансивера в режиме приема-передачи являются: фильтр нижних частот (А1), диапазонные полосовые фильтры (А3), генератор плавного диапазона (А4), обратимый пассивный высокоуровневый балансный кольцевой смеситель и согласующий каскад на мощном полевом транзисторе VT2, основной кварцевый фильтр ZQ1 (А8).
На схеме рис.1 показаны основные соединения, показывающие функционирование блоков трансивера. Остальные межблочные соединения и соединения переключателей, органов управления и некоторых разъемов осуществляются согласно электрических схем блоков.
Переключение узлов с приема на передачу и обратно осуществляется электронным коммутатором TX/RX (А9), а также контактами реле К19.1 (А1), К5.1 (А2).
В режиме приема сигнал с антенного разъема XW1 через фильтр нижних частот (А1), ступенчатый аттенюатор (А2) и диапазонные полосовые фильтры (А3), включаемого усилителя высокой частоты (А6) поступает на пассивный высокоуровневый балансный кольцевой смеситель на VD1-VD8 (А8). На этот же смеситель подается напряжение от генератора плавного диапазона (А4) предварительно усиленное широкополосным усилителем на транзисторе VT1 (А8). Преобразованный сигнал проходит через согласующий обратимый каскад на мощном полевом транзисторе VT2, основной кварцевый фильтр ZQ1. Далее поступает на усилитель промежуточной частоты, детектируется и усиливается усилителем низкой частоты, выполненным на микросхеме DA1 и с него на громкоговоритель.
В режиме передачи происходит соответствующее переключение функциональных узлов, что делается либо вручную, либо системой голосового управления VOX. Сигнал с микрофона, усиленный узлом А7, поступает на устройство голосового управления, которое управляет электронным коммутатором TX/RX (А9), а также на балансный модулятор VD1VD2, на который подается напряжение с опорного кварцевого генератора. Сформированный сигнал DSB через эмиттерный повторитель поступает на усилитель VT3 (А8), проходит кварцевый фильтр ZQ1, где выделяется напряжение промежуточной частоты с верхней боковой полосой частот. Пройдя согласующий каскад на мощном полевом транзисторе VT2 и пассивный высокоуровневый балансный кольцевой смеситель, на другой вход которого подано напряжение генератора плавного диапазона. Выделенный полосовыми фильтрами (А3), сигнал рабочей частоты поступает на усилитель (А2) и далее усиливается по мощности в блоке (А1), через ФНЧ поступает в антенну через XW1.
Формирование телеграфного сигнала в трансивере производится с помощью манипулируемого кварцевого генератора на VT5 (А7), который подключается вместо устройства формирования сигнала DSB.
Трансивер выполнен по блочному принципу. На схемах нумерация элементов в каждом блоке своя.
Диапазонные полосовые фильтры (ДПФ), блок А3

рис.2
ДПФ повторены от трансивера RA3AO ([8], с.49). Выбор трехконтурных диапазонных полосовых фильтров производится кнопочными переключателями “BAND” SA1-SA8 с зависимой фиксацией типа П2К (рис.1). Переключатель первоначально был предусмотрен только на восемь диапазонов. Для всех девяти диапазонов, была разработана схема "два П2Кà три диапазона" (рис.3), позволяющая при одновременном включении двух переключателей П2К SA3 и SA4 ("7 МГц" и "10 МГц") включать диапазон 24 МГц, а при необходимости - 27 МГц.

рис.3
Коммутация диапазонных фильтров (А3) осуществляется с помощью реле К1-К18 типа РЭС49 (рис.2).
Контуры расположены в один ряд. Каркасы на низкочастотные диапазоны - диаметром 7 мм, на высокочастотные - 12 мм с подвижными катушками [5]. Размер блока 172х83х31 мм.
Основная плата, блок А8




На плате собраны: обратимый пассивный высокоуровневый балансный кольцевой смеситель, широкополосный усилитель генератора плавного диапазона (ГПД), диплексер, согласующий каскад на мощном полевом транзисторе VT2, основной и подчисточный кварцевые фильтры, тракт УПЧ, детектор и усилитель низкой частоты.
Сигнал при приеме поступает на первичную обмотку трансформатора Т3 (А8-1, рис.4). Преобразованный сигнал снимается со средней точки вторичной обмотки Т3. Напряжение генератора плавного диапазона усиливается широкополосным усилителем на транзисторе VT1 и подается на первичную обмотку трансформатора Т2.
За обратимым пассивным высокоуровневым балансным смесителем VD1-VD8 (КД922) стоит диплексер представляющий собой цепь из последовательно соединенных R51 и контура L1C4 настроенного на частоту ПЧ (L1=0,4 мкГн, С4=750 пФ для ПЧ=8786кГц).
На мощном полевом транзисторе VT2 собран каскад согласования смесителя с кварцевым фильтром. Транзистор типа КП905 применен благодаря его хорошим шумовым параметрам и линейности. При приеме каскад работает усилителем с общим затвором, входное сопротивление его имеет активный характер и постоянно в широком диапазоне частот. Согласование с кварцевым фильтром обеспечивается с помощью трансформатора Т4.
УПЧ приемника состоит из трех каскадов, выполненных на двухзатворных малошумящих полевых транзисторах КП327 (VT4, VT5 – А8-1 на рис.4 и VT6 – А8-2 на рис.5). Между вторым и третьим УПЧ включен подчисточный кварцевый фильтр ZQ2 (А8-2, рис.5) с переключаемой полосой для SSB и CW. Три каскада УПЧ охвачены АРУ. Далее - кольцевой смесительный детектор на диодах КД922 (VD12-VD15). С выхода детектора сигнал для уменьшения уровня шумов проходит через НЧ фильтр с полосой 300-2800 Гц (А8-3, рис.6). Затем, через диплексер на RC цепочке, сигнал поступает на усилитель НЧ выполненный на микросхеме DA1 (TDA1013B). Регулировка громкости осуществляется изменением напряжения на выводе 7 микросхемы. С вывода 2 сигнал через разделительный конденсатор поступает на головные телефоны или громкоговоритель.
На транзисторе КТ815 (VT7), выполнен электронный ключ, с помощью которого шунтируется тракт НЧ трансивера в режиме передачи.
Схема АРУ выполнена на транзисторах серии КТ3102 (VT8-VT11). На VT8,VT9 собран усилитель АРУ, сигнал на который подается до УНЧ, в результате чего исключена зависимость работы схемы АРУ от положения потенциометра “Усиление НЧ”. Выключение АРУ производится замыканием на “корпус” базы транзистора VT10 не на прямую, а через сопротивление 3,3 кОм (R61), что дает возможность защитить Вас от мощного сигнала соседа. В этом случае АРУ сработает. На базу транзистора VT11 через развязывающий резистор R67, подается напряжение с ручного регулятора “Усиление ПЧ”. К эммитеру этого транзистора, через подстроечный резистор R70, подключается прибор 100 мкА (S-метр).
Подбором резистора R51 добиваются максимального усиления каскада на VT8 при минимуме шумов.
Основные характеристики микросхемы TDA1013B (PHILIPS):
Наличие предварительного усилителя с электронной регулировкой усиления, позволяет максимально сократить протяженность цепей от детектора до УНЧ, что позволяет резко уменьшить наводки на входные цепи и возможность самовозбуждения.
Наличие раздельного выхода ПУ и входа УМ позволило включать активный CW/Notch фильтр между этими каскадами. Для этого снимают перемычку J1 и вход CW/Notch фильтра (А8-5, рис.7) подключают к т.1, а выход – к т.2.
Для увеличения затухания вне полосы прозрачности в тракте ПЧ применен подчисточный четырех кристальный фильтр ZQ2. Подчисточный фильтр обрезает шумы, вносимые всеми предварительными трактами. В фильтре ZQ2 полоса пропускания может переключаться с помощью реле типа РЭС-49. В режиме SSB она равна 2,6 кГц, а в режиме CW полоса сужается до 600 Гц.
Фильтры ZQ1 и ZQ2 выполнены из часто встречающихся кварцев в корпусе Б1.
При передаче с транзисторов УПЧ VT4VT5VT6 снимается коммутирующее напряжение ТХ (0 В), RX (+15 B).
На транзисторе КП350 (VT3) собран регулируемый усилитель, работающий в режиме передачи SSB или CW сигнала. Регулировка усиления каскада производится изменением напряжения на втором затворе VT3 и достигает глубины более 40 дБ. При желании на второй затвор этого транзистора можно завести напряжение ALC. Потом сигнал проходит через кварцевый фильтр ZQ1, поступает на согласующий каскад VT2, работающий в данном случае истоковым повторителем и далее в обратимый пассивный высокоуровневый балансный смеситель VD1-VD8, осуществляющий перенос на рабочую частоту. Преобразованный сигнал снимается с первичной обмотки трансформатора Т3 на полосовые фильтры узла А3.
На основной плате проводились эксперименты: было оставлено только два каскада УПЧ, а каскад усилителя АРУ на VT8 типа КТ3120Е дополнительно использовался как предварительный усилитель низкочастотного сигнала перед микросхемой DA1 УНЧ. Основные параметры практически не изменились. Только диапазон регулирования АРУ уменьшился.
Активный CW/Notch фильтр, А8-5

Фильтр устанавливается в низкочастотном тракте трансивера после предварительного каскада УНЧ между точками 1 и 2 (А8-2, 6 ножка микросхемы DA1) вместо перемычки J1 и предназначен для выделения телеграфных сигналов (режим CW) или для ослабления (подавления) мешающих тональных сигналов при работе в телефонном режиме (SSB) – режекторный (Notch) фильтр.
Notch фильтр очень эффективен как защита от различных “несущих”, которыми насыщен радиолюбительский эфир, особенно на низкочастотных диапазонах.
Включается фильтр переключателем SA2 (П2К) с одновременной подачей напряжения питания, в выключенном состоянии он обесточен и переводится в положение “Обход”.
Выбор режима осуществляется переключателем SA1 “NOTCH/CW” типа П2К. При переключении режимов фильтра резонансная частота не изменяется. Коэффициент передачи фильтра около единицы.
Сдвоенный резистор R4 “Центральная частота” устанавливает значение центральной частоты селекции или режекции. Резистором R8 “Полоса” можно в небольших пределах менять ширину полосы пропускания или ширину полосы режекции в зависимости от условий приема. В режиме передачи НЧ тракт трансивера используется для самопрослушивания, поэтому применено реле К1, отключающее фильтр при передаче.
Подстроечные резисторы: R4 (сдвоенный) 2х47 кОм (группы “Б” или “В”), R8 (типа СП3-4аМ) и переключатели типа П2К установлены на передней панели и соединяются с платой экранированным жгутом.
Правильно собранный и настроенный фильтр в режиме "Notch" не должен оказывать существенного влияния на разборчивость и качество принимаемых сигналов радиостанций, работающих в телефонном (SSB) режиме. Питание фильтра осуществляется от однополярного источника +15В.
Плата фильтра изготовляется из одностороннего стеклотекстолита. Конденсаторы КМ и К50-35. Резисторы МЛТ-0,125. Конденсаторы С3 и С5 нужно подобрать с одинаковой емкостью и не должны отличаться друг от друга более чем на 5% и быть термостабильны.
Вместо активного CW/Notch фильтра может быть установлен НЧ CW фильтр А8-4 (рис.8), схема которого выполнена на операционных усилителях DA1,DA2 К140УД7.
Усилитель высокой частоты (УВЧ), А6

рис.9
Чувствительность трансивера без УВЧ достаточно высока – 0,25 мкВ. Тем не менее, для работы на ВЧ диапазонах полезно использовать УВЧ, который включен между ДПФ и основной платой. Он может быть задействован как в режиме приема, так и на передачу. Его коэффициент усиления 10-20 дБ. На НЧ диапазонах приходится пользоваться аттенюатором, а вот на ВЧ диапазонах, особенно с примитивными антеннами, УВЧ необходим. Включается переключателем SA22.1 “+10дБ”.
УВЧ представляет собой широкополосный усилитель на транзисторе КТ610, нагрузкой которого служит автотрансформатор, изготовленный на ферритовом кольце проницаемостью 600-1000, и размерами 10x6x4,5 мм (10х6х5). Обмотки содержат по 7 витков, их наматывают одновременно двумя свитыми между собой проводами ПЭЛШО-0,31 – 0,35 (ПЭВ-2 0,31 – 0,35). Шаг скрутки 10 мм.
Отрицательная частотно-зависимая обратная связь в эмиттерной цепи транзистора VТ1 (КТ610) влияет на коэффициент усиления на частоте 22–24 МГц. Ток покоя каскада 30–35 мА.
Генератор плавного диапазона (ГПД), А4

рис.10
ГПД выполнен по схеме “Урал 84-м” c доработкой и добавлена цифровая автоподстройка частоты (ЦАПЧ) от ЦШ "Герань-2". Для получения идеальной синусоиды добавлен в цепь истока транзистора VT1 резистор R4, который подбирается отдельно на каждый диапазон.
Между переключателем диапазонов SA1-SA8 (рис.1) и ГПД включается схема дешифратора (рис.11). Его монтажная схема изображена на рис.12.

рис.11

рис.12
Питание генератора осуществляется от отдельного стабилизатора напряжения микросхема DA1 типа 78L09. Конденсатор переменной емкости (КПЕ) шести секционный (ИП2.030.121-01). Его габариты 145х145х50 мм.
ГПД собран на двух печатных платах (на одной – три ГПД для диапазонов 3,5; 14; 28 МГц, на другой – 1,8; 7; 18 МГц) и они расположены в отсеках с двух сторон КПЕ, размеры плат 46х123 мм. Монтаж выполнен на опорных точках, которые образованы кольцевыми канавками, вырезанными в фольге [2]. Катушки индуктивности применены от радиостанции “Маяк”, только для диапазона 14 МГц катушка самодельная.
А-4-2. Внешний ГПД
В данном трансивере предусмотрено подключение внешнего ГПД, что позволяет проводить радиосвязи на разнесенных частотах. Внешний ГПД подключается через разъем Х8 "VFO-2" типа CР-50 с помощью реле К1, К2 типа РЭС-55А переключателем SA31 "VFO-2" (рис.10).
Для получения высокой стабильности частоты, конструкция блока должна быть жесткой, с минимумом переключений в самом автогенераторе. Очень подходит для этих целей, блок ГПД от радиостанции Р-107М. К нему только добавлен делитель частоты (прим. ред.: см., например, "РХ" №2/2004, с.34).
В качестве внешнего или основного ГПД может использоваться синтезатор частоты.
А-5. Цифровая шкала (ЦШ)
В качестве цифровой шкалы используется готовое изделие "Герань-2", разработанное Владимиром Тищенко (UR5MI), которое включает в себя цифровую шкалу, цифровую АПЧ, телеграфный ключ с памятью, часы, индикатор расстройки.
Основные технические характеристики:
Автоматический телеграфный ключ:
Часы: точность хода не хуже 0,4 Сек/сут.
Ранее использовалась ЦШ по схеме [4] с добавление схемы ЦАПЧ [10].
Электронный коммутатор TX/RX, А9


рис.13
Коммутатор выполнен на транзисторах VT1-VT4 и мощных транзисторах VT5-VT8. От подобных известных схем отличается тем, что не требует тщательного подбора элементов и налаживания, практически сразу работает. Мощные транзисторы VT5-VT8 не греются [7]. Транзисторы VT10, VT9 входят в систему VOX, VT11 – anti-VOX. R1 подстроечный резистор, которым устанавливается время задержки системы VOX, R12 – порог срабатывания системы VOX, R18 – порог anti-VOX.
Управление коммутатором может происходить от педали через разъем ХS10, компьютера, переключателя “SEND” на передней панели или от электронного автоматического, как встроенного, так и внешнего телеграфного ключа, которые воздействуют на систему VOX, при этом осуществляется полудуплексная работа трансивера.
Напряжения +15 В RX/0 B TX и 0 B RX /+15 В TX, формируемые коммутатором, поступают в узлы трансивера.
Схемы формирователей SSB и CW, А7
рис.14
На транзисторе VT1 собран опорный кварцевый генератор (ОКГ). L1 и С17 служат для точной устоновки частоты ZQ1, ZQ2 ОКГ (LSB/USB) на нижний или верхний скаты характеристики кварцевого фильтра ZQ1(A8). Транзистор VT2 – буферный каскад, с которого сигнал опорного генератора поступает на основную плату А8 на кольцевой смесительный детектор на диодах КД922 (VD12-VD15).
На транзисторе VT3 собран усилитель ОКГ с которого сигнал поступает на балансный модулятор на варикапах VD1, VD2 и трансформаторе Т1 на ферритовом кольце. Модулятор имеет высокую линейность и позволяет подавить несущую частоту не менее чем на 50 дБ. Баланс достаточно легко получается, если уделить внимание подбору варикапов, лучший вариант, если они “почти” одинаковые. Регулировкой резисторов R18 (грубо) и R15 (точно) производится балансировка модулятора по наибольшему подавлению несущей частоты ОКГ.
Усилитель звуковой частоты выполнен на операционном усилителе DA1, с выхода которого усиленное напряжение низкой частоты поступает на среднюю точку обмотки L3 трансформатора Т1 балансного модулятора. С помощью подстроечного резистора R21 устанавливается необходимое усиление микрофонного УНЧ. Далее НЧ сигнал через эмиттерный повторитель VT6 поступает в систему голосового управления (VOX). Каскад на транзисторе VT5 – манипулируемый телеграфный гетеродин, его частота стабилизирована кварцевым резонатором ZQ3 и должна быть на 800-900 Гц выше частоты опорного кварцевого генератора. Частота попадает в полосу прозрачности кварцевого фильтра ZQ1. Включение кварцевого фильтра в тракт формирования сигнала CW гарантирует полное отсутствие побочных излучений за полосой пропускания фильтра. Особенность телеграфного гетеродина - “мягкое” ключевание и возможность управления его работой от компьютера через известную схему ключа, приводимую в любом “хелпе” программ цифровых видов связи.
В зависимости от вида работы, телефон или телеграф, на VT4 подается через контакты К1.1 реле К1 напряжение либо от балансного модулятора (SSB) или от манипулируемого телеграфного гетеродина (CW). С эмиттера VT4 сигнал поступает для дальнейшего преобразования на основную плату А8.
Формирователи SSB и CW сигналов собраны на плате 64х134 мм.
Микрофонный усилитель ограничитель, А7.2

рис.15
На транзисторе VT1 выполнен малошумящий микрофонный усилитель. Переменный резистор R4 - регулятор уровня усиления в тракте усилителя–ограничителя речевых сигналов. На микросхеме DA1 собран фазовый ограничитель речевых сигналов. DA1.1 используется как усилитель, а DA1.2 как фазоинвертор. Четыре фазосдвигающие цепочки С9R12, С10R13 и т.д. обеспечивают относительные фазовые сдвиги 0, 30, 60 и 90 градусов. Далее напряжение сигналов четырех каналов ограничиваются на уровне 0,6 В двухсторонними диодными ограничителями VD1-VD8.
Схема микрофонного усилителя ограничителя заимствована в [5, с.69-71].
Предварительный усилитель мощности, А2

рис.16
Предварительные каскады передатчика выполнены на транзисторах VT1(КТ610), VT2(КП907А). На плате также расположен ступенчатый аттенюатор приемника, коммутирующее реле К5.
Реле К1-К4 (РЭС-49) включают звенья аттенюатора "–10 дБ" (R1-R3), "–20 дБ" (R4-R6) и "–30 дБ" (R1-R6). Управление аттенюатором производится переключателем на передней панели SA22 “ATTENUATOR”, имеющим положения “+10 дБ”, “-10 дБ”, “-20 дБ”, “-30 дБ”. Далее в режиме RX сигнал проходит через нормально замкнутые контакты К5.1 реле К5 и поступает на ДПФ (А3).
Каскад на транзисторе VT3 – электронный ключ с задержкой, необходимой для коммутации антенной цепи в узле А1. Аттенюатор отделен от предварительного усилителя мощности экранирующей перегородкой. Размер платы 90х73 мм.
Усилитель мощности (УМ), А1

рис.17
Усилитель мощности выполнен на полевом транзисторе КП904A (VT1), со схемой защиты транзистора на диодах VD3, VD4-VD10 и диапазонными фильтрами низких частот (ФНЧ), которые собраны по схемам двухзвенных ФНЧ пятого порядка (схема фильтра Чебышева с Ар=0,1 дБ), и обеспечивают затухание второй гармоники до 30-35 дБ. Фильтры работают на прием и на передачу. Для каждого диапазона применены отдельные фильтры, для переключения используются реле РЭС-10 или их герметизированный аналог РЭС-34. При исправных деталях и правильном монтаже ФНЧ в настройке не нуждаются. Как показал опыт, в случае применения новых реле, они работают надежно.
Напряжение сигнала с рабочей частотой от предварительного усилителя мощности поступает на затвор полевого транзистора VT1 и усиливается до мощности 25-30 Вт. Через контакты К19.1 реле К19 (рис.15), замкнутые во время передачи, усиленный сигнал проходит через ФНЧ и поступает в антенну через XW1 (рис.1). Резистор R5 служит для установки начального тока транзистора. Ток покоя должен быть 150-300 мА. Повысить надежность работы УМ на полевом транзисторе КП904 удалось, применив защиту.
Защита полевого транзистора VT1 (КП904) по затвору осуществляется с помощью ограничителя на стабилитроне VD3 типа КС515А и мостовой схемы из диодов VD4-VD7 типа КД510А. Напряжение пробоя стабилитрона равно 15 В, хотя можно применить стабилитрон и на меньшее напряжение. Защита транзистора VT1 от перенапряжения на стоке осуществляется с помощью ограничителя на стабилитроне VD10 типа Д817Б (68 В). Напряжение пробоя стабилитрона равно максимально допустимому напряжению на коллекторе. Диоды VD8, VD9 типа КД510А с малой емкостью, так как емкость стабилитрона велика. Для большей надежности в качестве диодов VD8, VD9 лучше использовать КА507А или им подобные. Напряжение пробоя стабилитрона нужно выбирать на 3-5 Вольт ниже максимально допустимого напряжения сток-затвор полевого транзистора. В ключевом режиме усилителя импульсный ток через стабилитрон может составлять десятки и сотни миллиампер, хотя средний ток в 10-20 раз меньше.
Назначение цепочки R7C6 такое же, как и R20C14 на рис.16 (А2) – это обратная связь и к элементам защиты не относится.
В режиме приема с разъема XW1 сигнал проходит диапазонные ФНЧ и через нормально замкнутые контакты К19.1 реле К19 типа РЭС-55 поступает на диапазонные полосовые фильтры (А3).
Размер блока УМ 160х95х40 мм. УМ находится в экранированной коробке. Крепится на заднюю стенку-радиатор, размером 340х130 мм, толщиной 6 мм, ребра 3х130х10 мм, ребер всего 23 и расстояние между ними 8 мм. Ребра начинаются в 48 мм от края.
Блок питания (БП), А0

рис.18
Блок питания КВ трансивера выполняется навесным монтажом. Микросхемы стабилизаторов DA1, DA2 и транзистор VT1 (КТ908) крепятся на заднюю стенку-радиатор. Между коллектором VT1, корпусом микросхемы DA2 (К142ЕН3) и радиатором устанавливаются слюдяные прокладки.
Трансформатор БП выполнен на тороидальном сердечнике. При низком напряжении сети (ниже 195 Вольт) в трансформаторе Т1 предусмотрен вывод 2. Стабилизаторы напряжения +15 В и +38 В выполнены на базе микросхем 142 серии. Между входом и выходом стабилизатора +38 В включен регулирующий транзистор VT1 (КТ908), позволяющий увеличить ток стабилизации до 5 А.
Стабилизированный источник +15 В служит для питания всех основных цепей трансивера. Напряжение –15 В используется для питания микрофонного усилителя ограничителя и запирания полевого транзистора УМ VT1.
Внешние разъемы
Внешние разъемы рассчитаны на подключение сети (ХР11), антенны (XW1), заземления (Х2), микрофонно-телефонной гарнитуры (XS3), компьютерного входа и выхода со звуковой карты (XS4), манипулятора внутреннего телеграфного ключа (XS7), внешнего телеграфного ключа (XS5), внешнего усилителя мощности (XS6), педали или РТТ от компьютера (XS10), телефонов (XS9), динамика (XS12). Все разъемы размещены на задней стенке-радиаторе трансивера, только XS3 на лицевой панели аппарата.
Конструкция
Перед установкой радиоэлементов на платы необходимо проверить их исправность. Еще раз обращаем внимание на качественное изготовление широкополосных трансформаторов (особенно соблюдение полярности при соединении обмоток). Перед включением плат тщательно проверяют правильность монтажа. Все подстроечные резисторы «устанавливают» на максимальное значение сопротивления.
Большинство деталей трансивера размещены на печатных платах. Они изготовлены из двухстороннего стеклотекстолита, где в качестве общего провода используется слой фольги со стороны установки деталей и одностороннего (для А3, А4, А7-2, А9) фольгированного стеклотекстолита толщиной 1,5–2 мм. Отверстия со стороны деталей в двустороннем стеклотекстолите раззенковуются для исключения замыкания на общий провод.
Платы узлов А1-А9 съемные. С монтажным жгутом они соединены с помощью разъемов X1, X2, X3 и т.д. от телевизоров 3УСЦТ. Разъемы устанавливаются на печатные платы через изолирующие прокладки.
Разъемы XS “MIC/PHONES”, “COMPUTER”, “РА”, “МАНИПУЛЯТОР”, “КЛЮЧ”, “ПЕДАЛЬ” – СГ-5, XW1 – CP-50-73ф, XS9, XS12 – телефонные розетки, Х2 – клема-зажим. Постоянные резисторы типа С1-4, С2-23, МЛТ-0,125, МЛТ-0,25, подстроечные резисторы СП4-1, СПЗ-38Б, переменные резисторы типа СП3-12а. Конденсаторы - типов К10-7В, КЛС, КТ или КМ. Подстроечные конденсаторы - КТ4-21 (регламентирован ТКЕ), КТ4-23, КТ4-25. Конденсаторы задающего генератора в блоке А4 (ГПД) - типа КСО или СГМ (группа Г). Микротумблеры МТ-1, МТ-3, МТД1, П1Т3-1В, выключатель сети - ПКн41-1-2.
Реле РЭС-49, РЭК-23, РЭС-10 или их герметизированный аналог РЭС-34, РЭС-55А (все 12 В). ВЧ дроссели унифицированные тип ДМ-0,1, Д-0,1, Д-0,6 значение индуктивности указано на схемах. Их можно изготовить самостоятельно на ферритовых кольцах М1000НМ (К7´4´2), намотав проводом ПЭЛШО-0,16 по 30 и 50 витков соответственно для индуктивностей 50 и 100 мкГн. Дроссели L2, L3, L4 (А8-1) могут иметь индуктивность 20-100 мкГн. Для монтажа используется провод марки МГТФ.
В качестве фильтра основной селекции применен самодельный кварцевый фильтр. Кварцевые фильтры ZQ1, ZQ2 выполнены в отдельных экранированных и хорошо пропаянных коробках на резонаторах типа Б-1.
В трансивере можно использовать промышленный или самодельный фильтр с центральной частотой в интервале от 5 до 10 МГц и полосой пропускания около 3 кГц. При этом нужно только будет соответствующим образом изменить частоты перестройки ГПД.
Из конструкции верньера (от Р-311 или подобных) удаляется трехпалый фланец с отверстиями для крепления, и он крепится непосредственно на переднюю панель, которая в месте крепления имеет толщину 2 мм (выфрезеровано в 5 мм передней панели).
Ток через диоды СМ1 VD1-VD8 (КД922) должен доходить до 50 мА (чем больше ток, тем лучше динамический диапазон).
Ферритовые кольца трансформаторов, через которые проходит постоянный ток, должны быть обязательно серии НН.
В РА блок А1 реле РЭС-10 работающие на ВЧ диапазонах желательно использовать более современные, с меньшей паразитной емкостью контактов на обмотку и корпус.
Для фильтрации гармоник на выходе усилителя мощности применяются двухзвенные фильтры нижних частот (ФНЧ).Монтаж ФНЧ выполняется на печатной плате. Фольга со стороны установки деталей оставлена и выполняет роль общего провода. Отверстия со стороны фольги необходимо зенковать.
Для изготовления катушек ФНЧ (А1)применяются половинки (чашечки) от сердечников СБ-12А, которые используются как кольцо без всяких переделок. Намоточные данные катушек индуктивности приводятся в таблице 1.
|
Диапазон, |
Обозначение |
Индуктивность, мкГн |
Витки |
Провод |
|
1,9 3,5 7,0 10 14 18 21 24 28 |
L1,L2 L3,L4 L5,L6 L7,L8 L9,L10 L11,L12 L13,L14 L15,L16 L17,L18 |
4,1 2,45 1,3 1,15 0,57 0,5 0,5 0,32 0,32 |
24 15 8 7 6 5 5 4 4 |
ПЭВ-2 0,5 ПЭВ-2 0,7 ПЭВ-2 0,7 ПЭВ-2 0,7 ПЭВ-2 0,7 ПЭВ-2 0,7 ПЭВ-2 0,7 ПЭВ-2 0,7 ПЭВ-2 0,7 |
Данные на диапазонные полосовые фильтры (А3) приведены в таблице 2.
|
Диапазон, |
Число витков |
Емкость,пФ |
Диаметр провода, мм |
Зазор”а” между L1-L2 и L2-L3 мм |
Диаметр каркаса, мм |
|||
|
L1, L3 |
L2 |
C1, C8 |
C3, C7 |
C5 |
||||
|
1,8 |
90 |
84 |
150 |
51 |
430 |
0,17 |
0,5 |
7 |
|
3,5 |
62 |
50 |
110 |
33 |
330 |
0,17 |
0,5 |
7 |
|
7 |
31 |
25 |
51 |
75 |
270 |
0,29 |
3 |
7 |
|
10 |
25 |
20 |
36 |
68 |
200 |
0,35 |
4 |
7 |
|
14 |
13 |
10 |
27 |
30 |
100 |
0,64 |
4 |
12 |
|
18 |
13 |
10 |
20 |
30 |
62 |
0,64 |
4 |
12 |
|
21 |
13 |
10 |
15 |
15 |
47 |
0,64 |
4 |
12 |
|
24 |
12 |
9 |
15 |
13 |
39 |
0.64 |
4 |
12 |
|
28 |
10 |
8 |
15 |
10 |
33 |
0,8 |
1,5 |
12 |
В таблице 3 приведены данные намотки остальных элементов.
|
Блок |
Обозначение |
Число витков |
Каркас, магнитопровод |
Марка провода |
Примечание |
|
А-1 |
Т1 L7, L8 |
2х9 |
М300НН К32х16х8 |
МГТФ 0,14 |
Намотка 6-ю сильно скрученными проводами по 3 провода параллельно |
|
A-2 |
T1 |
2х12 |
1000НН К10х6х3 |
ПЭЛШО 0,21 |
Намотка в два провода |
|
T2 |
3х8 |
1000НН К10х6х3 |
МГТФ 0,5 |
Намотка в три провода |
|
|
A-6 |
T1 |
2х8 |
1000НН К10х6х3 |
ПЭЛШО 0,21 |
Намотка в два провода |
|
A-7 |
L1 |
14 |
Æ5 мм сердеч СЦР |
ПЭЛШО 0,21 |
Намотка рядовая |
|
T1
- L3, |
2х15 20 |
20ВЧ К10х6х3 |
ПЭЛШО 0,18 |
L3 в два провода |
|
|
A8-1, A8-2 |
T1 |
5+5 |
1000НН К10х6х3 |
ПЭЛШО 0,21 |
Намотка в два провода |
|
T2,Т5 |
3х12 |
1000НН К10х6х3 |
ПЭЛШО 0,21 |
Намотка в три провода |
|
|
T3 |
3х12 |
1000НН К10х6х3 |
ПЭЛШО 0,21 |
Намотка в два провода |
|
|
T4 |
2х14 |
1000НН К10х6х3 |
ПЭЛШО 0,21 |
Намотка в два провода |
|
|
L6,L9,L10 |
30 |
Æ5 Н=20мм |
ПЭЛШО 0,16 |
Намотка рядовая, |
|
|
L5,L11,L13 |
4 |
“-” |
“-” |
“-” |
|
|
L12 |
30 |
“-” |
“-” |
“-“ |
Катушки индуктивности L1 ГПД выполняются в зависимости от используемой ПЧ и в соответствии с его диапазонами работы.
Разделительные трансформаторы Т1 и Т2 (рис.1) могут быть любые разделительные звуковые, например, типовые трансформаторы ТОТ (ТОТ-13, ТОТ-28).
На рис.19 и 20 приведены назначения выводов радиоэлементов, используемых в трансивере.


рис.19, 20
Настройку целесообразно начинать с проверки блока питания. Далее настраивают на промежуточную частоту контуры опорного кварцевого генератора и контуры УПЧ. Затем балансируется смеситель формирования DSB сигнала по максимальному подавлению несущей.
Диапазонные полосовые фильтры желательно настраивать с помощью ИЧХ, хотя авторы настраивали по точкам с использованием ГСС и лампового вольтметра. Процедура настройки диапазонных полосовых фильтров достаточно подробно описана в [8].
Ламповые генераторы старых типов, такие как ГСС-6, Г4-18, позволяют производить измерение динамического диапазона до 110 дБ и более. Некоторые транзисторные генераторы, как, например, широко распространенный Г4-102, совершенно непригодны для измерения динамического диапазона высококачественных приемников, как из-за высокого уровня боковых шумов, так и из-за интермодуляции, вызванной нелинейностью выходных цепей генератора [8].
Для предупреждения СВЧ возбуждения полевых транзисторов на стоковый вывод нужно одеть ферритовую бусинку (F.P.) или в разрыв стока добавить резистор 75-100 Ом. Для биполярных транзисторов рекомендуется включение резистора 10-150 Ом непосредственно между выводом базы и остальной частью схемы.
В усилителе звуковой частоты (блок А7)? выполненном на операционном усилителе DA1 (А7), нужно применять только К140УД6 или К140УД7 и нежелательно К140УД1 из-за нелинейных искажений при выходном уровне более 1 вольта и неравномерности частотной характеристики.
Подбором значений резисторов R1 и R5 (блок А7) выставляют коллекторный ток транзистора VT1 равный 5,5 мА, этим добиваются высокой стабильности частоты кварцевого генератора.
На основной плате (А8-1) ток истока транзистора VT2 уставляется подбором резисторов R11 или R* около 30 мА.
Особое внимание следует обратить на форму сигнала гетеродина плавного диапазона. Чем она ближе к чистой синусоиде, тем меньше шумы и выше чувствительность приемника.
При пайке полевых транзисторов с изолированным затвором следует соблюдать особую осторожность. Подробно описано в [9].
Настройка трансивера описана здесь упрощенно. Более подробные рекомендации можно найти в [2-8].
По многочисленным просьбам читателей авторы работают над созданием чертежей печатных плат трансивера, пригодных для массового повторения описанной конструкции. Следите за сообщениями в журнале.
Желаем
удачи в сборке и наладке трансивера.
До встречи
на диапазонах на Вашем новом аппарате! 73!
Леонид
Вербицкий (UR5LAK)
Максим Вербицкий (US4LP)
г.Балаклея, Харьковская область
Литература
| Глас народа |
|
16.08.2013 16:25 mikhey, Вы хоть почитайте, что такое плагиат, прежде чем бросатьс... -- Иван 14.02.2013 17:00 А чему учиться? сложить десяток схем трансиверов в одну? Это плаг... -- mikhey 09.09.2012 01:45 Высочайший пример, настоящего Радиолюбительства. Увлеченные и тал... -- Дмитрий. Н.Новг... 04.03.2009 19:00 11 декабря 2008 г. в 00:54 RB4EWY наверх Привет всем! Друзь... -- alexauto 07.02.2009 11:07 Господа радиолюбители, не нужно хаять конструкцию только лишь за ... -- RV0APR 16.01.2009 17:42 Эта конструкция для тех.кому некуда девать время.металл и километ... -- 3374 11.12.2008 00:54 Привет всем! Друзья - радиолюбители, подскажите плииз, где обитае... -- RB4EWY 06.12.2008 14:16 Работает ли ((Внешний --VFO-2-- на базе генератора от радиостанци... -- un7ds 09.11.2008 09:58 Мне нужна схема КРС-81... -- UB4EYZ 11.05.2008 17:10 Подскажите ток покоя КП907 в драйвере. Спасибо.... -- UR5KHX 17.04.2008 01:11 Леонид, а приобрести такой аппарат возможно? Если да, пожалуйста ... -- Евгений ua6lif... 06.08.2007 02:52 Да, Леонид, солидно сделанно и описанно. Достойно высокого уважен... -- US4LEH 18.04.2006 13:47 Подобная конструкция у меня сейчас работает,правда пч дроздовская... -- RZ3GX SERGEY... 12.03.2006 18:38 Можно печатки подкинуть... -- RX9CIU 19.12.2005 05:55 Как бы получить печатку мирофонного усилителя - ограничителя (А7-... -- Сергей UA9HEU... 15.08.2005 23:53 Когда можно посмотреть его в работе?... -- US0LO 12.07.2005 09:40 Печатки(хотя бы Нотч/CW фильтра!) - в СТУДИЮ!!!... -- Alex 07.07.2005 17:26 И во что встанет этот агрегат если детали неворованные и не выпая... -- Ваня 06.07.2005 14:27 А по какой схеме лучше собрать смеситель в этом аппарате ???... -- Andy 05.07.2005 12:52 Когда можно будет увидеть пп основной платы хочется попробывать с... -- САНЯ 04.07.2005 12:40 Да... конструкция точно не для новичков. Цокалёвками лучше не пол... -- Pinus 04.07.2005 12:14 Вопрос к разрабочикам ,за какую сумму смогли бы Вы изготовить 1 ... -- ua9jkw ,Vlad... 04.07.2005 08:54 Давно использую такую структурную схему, правда на своих компле... -- Геннадий RX6LD... 03.07.2005 23:28 Просто,дешево, а главное работает! Так держать!... -- Алексей UR5VVX... 03.07.2005 22:34 Silno i pravilno!!!... -- Juozas LY3IG... 03.07.2005 21:29 Молодцы! Собрали в кучку все опробованное и хорошо себя зарекомен... -- RA9LZ 02.07.2005 21:55 Очень неплохо, получил удовольствие от увиденного, спасибо.... -- Алексей(UA3VFS)... |