КОМПЬЮТЕРНОЕ УПРАВЛЕНИЕ РАДИОСТАНЦИЕЙ "МАЯК"
Описанный ниже комплекс, состоит из программного обеспечения и модуля сопряжения (МС) компьютера с синтезатором радиостанции "МАЯК" , собранной в виде "чёрного ящика". Программное обеспечение работает в среде Windows, питание МС осуществляется от БП радиостанции.

Реализованы следующие программные характеристики (смотри рис.1):
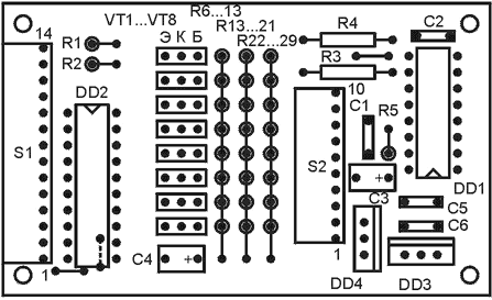
Принципиальная схема модуля сопряжения приведена на рис.2. Сигналы кода частоты и режима приём-передача с порта LPT1 компьютера, через интерфейсный кабель для подключения принтера, поступает на стандартный 36-pin разъем Centronics, подключаемый к разъёму S1 платы МС. Далее синалы данных поступают на регистры памяти м/с DD2, а сигнал синхронизации на DD2 и одновибраторы м/с DD1, вырабатывающие ответные подтверждающие сигналы на порт. Через преобразователи уровня ТТЛ/КМОП, собранные на транзисторах VT1…VT8, сигналы с выходов регистров памяти попадают на разъём S2 для подключения синтезатора. Контакты D1…D4, E1…E3, RX/TX соответствуют принципиальной схеме синтезатора. Об установке перемычек на плате синтезатора неоднократно рассказывалось в различных публикациях, но я всё же повторю: точки А1, В2 запаять на шину +9 В, точки Е4, К3 - на шину ПРМ, точки В1, В3, С2, С3 - на шину ПРД. Коду &H00 (00000000) должна соответствовать частота 133,3 МГц при приёме, коду &H80 (10000000) частота 144,0 МГц при передаче.

Печатная плата модуля сопряжения, размером 75 х 45 мм, выполнена из одностороннего фольгированного стеклотекстолита с перемычками. Шаблон платы приведен на Рис.3. Вид на монтаж изображен на Рис.4. Плата рассчитана на установку унифицированных телевизионных разъёмов. Резисторы R6…R29 устанавливаются вертикально. Верхние выводы соединяются шинами, впаянными одним концом в плату. Микросхемы стабилизаторов не требуют крепления на радиаторы. Конденсаторы С3, С4 - танталовые. Напряжение питания - до 13,8 В.
С работой программы можно ознакомиться запустив файл Demo.exe. От рабочего файла он отличается тем, что функция вывода кода канала на порт заменена на вывод в экранную форму (где можно проследить за изменением выходного кода) и не сохраняет данные при выходе из программы. Программы написаны для Windows - 98, возможность работы в других версиях Windows как раз и покажет данный файл. Требования к "железу" - минимальные, но разрешение экрана минимум 800 х 600 точек.
Для работы программ требуется наличие файла БДД msvbvm50.dll в директории C:\Windows\System. Необходимо проверить его наличие на компьютере пользователя и в случае отсутствия установить в указанную директорию.
Для инсталляции рабочей программы необходимо в папку "Рабочий стол" (или другую, но тогда на рабочем столе будет только ярлык) скопировать файлы Trx.exe и Install.exe. Последний после инсталляции можно будет удалить. Инсталляция программы платная, стоимость, грубо говоря, чисто условная по сравнению с затраченными усилиями. Об условиях сказано в файле Readme.doc. Рабочую программу, во избежание зависания компьютера, нельзя запускать при отключенном интерфейсном кабеле (можно подключить принтер, чтобы порт получал ответные сигналы).
Комплект программ (demo.exe,
trx.exe, install.exe, readme.doc) скачать здесь
- complect.zip
Файл библиотеки динамических данных скачать здесь
- msvbvm50.dll
Владимир Николаевич Аношин (US5IAE), us5iae@donapex.net
РАЗЪЯСНЕНИЯ К СТАТЬЕ «КОМПЬЮТЕРНОЕ УПРАВЛЕНИЕ РАДИОСТАНЦИЕЙ МАЯК»
| онлайн проверка микрофона тест |