\главная\р.л. конструкции\трансиверы\...

Доработка радиостанции "Маяк".

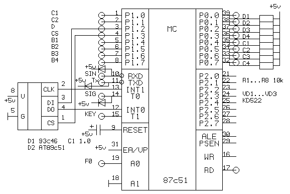
Радиостанция "МАЯК" широко применяется в профессиональной радиосвязи на УКВ. Отличается высокой надежностью, неплохими техническими характеристиками и высокой стабильностью основных параметров. Чувствительность приемника составляет 0.4 мкв при соотношении сигнал/шум 12 дб. Однако, при правильной регулировке режимов работы каскадов УВЧ и некоторой подстройке спиральных резонаторов чувствительность легко увеличить до значения 0.2 мкв и выше. Селективность приемника по соседнему каналу определяется применением монолитного кварцевого фильтра. Система шумоподавления выполнена не по классическому принципу усиления и детектирования сигнала ПЧ, тем не менее обеспечивает приемлемое качество шумоподавления. Усилитель мощности передатчика содержит 4 каскада усиления, схему автоматической регулировки мощности, ФНЧ, переключатель прием/передача на pin диодах. С точки зрения надежности и защищенности схема выполнена довольно неплохо. Выходная мощность составляет 10 вт, однако примененная элементная база позволяет без переделки схемы получить выходную мощность более 50 вт. Основным частотно-задающим элементом радиостанции является синтезатор частот. Выполнен по однопетлевой схеме. Опорная частота выбрана 2.5 кгц, что позволяет получить шаг перестройки по диапазону 25 кгц. ГУН синтезатора работает на основной частоте, и, в зависимости от экземпляра, может перестраиваться в диапазоне 8-12 мгц. Стабильность частоты определяется термостабилизированным кварцевым резонатором. В целом, технические характеристики радиостанции отвечают требованиям, предъявляемым к любительским радиостанциям двухметрового диапазона. По селективности, помехозащищенности и общей надежности станция превосходит многие отечественные и импортные. Нужно отметить, что эта станция давно и довольно широко используется в радиолюбительской практике. Основную трудность при переделке радиостанции обычно вызывает устройство управления частотой. Дело в том, что в промышленном исполнении, как правило выпускаются станции на одну или несколько фиксированных частот. Так же поступают и при переделке. Блок управления в этом случае представляет собой набор переключателей и диодов, задающий коэффициент деления ДПКД. Недостаток такой системы очевиден. В повседневной работе, и тем более в соревнованиях нужно иметь больше возможностей по управлению частотой. Предлагается методика переделки радиостанции для использования в мобильно-стационарном любительском варианте. Начинать нужно с перекомпоновки узлов, для уменьшения габаритов. Блок управления радиостанции использоваться не будет. Из него извлекается плата, на которой собраны шумоподавитель, УНЧ, подмодулятор, интегрирующий УНЧ, стабилизатор напряжения. Эти узлы практически без изменения используются в дальнейшем. Вся радиостанция будет размещена в основном блоке. Дополнительно потребуется гарнитура. Доработку узлов нужно начать с синтезатора частоты, т.к. без него настроить приемник и передатчик будет сложнее. Прежде всего дорабатывается, если необходимо, стабилизатор напряжения 5 в. Если он выполнен на транзисторе, нужно заменить его на КР142ЕН5А. Микросхема впаивается на место транзистора, перерезаются дорожки и перемычками выполняется необходимый монтаж. Синтезатор выполнен в основном на КМОП микросхемах, питаемых от 9в. Это напряжение берется от стабилизатора 10в, и за счет падения напряжения на резисторе R1, получается требуемое. В процессе настройки этот резистор нужно увеличить для уменьшения напряжения до 6-7в, что необходимо для сопряжения уровней КМОП и TTL. С этой же целью нужно подключить между цепью +5в и цепями "TX" и "SIN" защитные диоды. (!!! Уровень этих сигналов составляет 12в, поэтому нужно соединить одно- именные выводы контроллера через диоды на источник +5в, диоды подключается плюсом к сигналу, минусом к источнику питания. !!! ) Управляющий контроллер выполнен на одной микросхеме i87c49.Это позволяет разместить его под экраном синтезатора, что положительно сказывается на помехозащищенности системы. Схема подключения его показана на рис 1. Для контроллера, выполненного на АТ89с51 необходимо дополнительно установить 8 нагрузочных резисторов по 10 кОм, соединив их с источником +5в и соответственно с выводами 32...39, т.к эта микросхема не имеет внутренних нагрузочных резисторов. Удобно для этой цели применить резисторную сборку. Вывод "SIG" контроллера нужно защитить диодом, подключенным на +5в, т.к. на него будет подаваться логический уровень КМОП. Тактовая частота на вывод 2 берется из синтезатора с вывода 12 D1 через конденсатор емкостью 47пф. Далее проводниками распаиваются выводы контроллера "С1"..."B4","D1"..."C4" на соответствующие по функциональному назначению выводы микросхемы ДПКД 564ИЕ15. На выводы группы А этой микросхемы нужно подать фиксированный код "5", или по выводам : 16-"1", 17-"0", 18-"1". Теперь под управлением контроллера частота синтезатора будет изменяться в режиме передачи в диапазоне 144-146 мгц, в режиме приема 133.3-135.3 мгц. Схема основных межблочных соединений показана на Рис.

Где А1 - конроллер, А2 - блок индикации и клавиатуры, А3 - синтезатор, А4 - Усилитель мощности, А5 - блок низких частот из пульта радиостанции. Управляющая программа кроме перестройки по частоте, поддерживает и некоторые другие функции. Для управления контроллером используется 5 кнопок. Список основных функций приведен ниже. В скобках приведена последовательность нажатия кнопок. [UP] - увеличение частоты или памяти [DN] - уменьшение частоты или памяти [F],[UP] - сканирование всего диапазона или ячеек памяти в зависимости от режима MEM-VFO [F],[DN] - сканирование в границах из М14,M15 Позволяет сузить границы сканирования. По включению питания это 145200-145600. [F],[REP] - сканирование репитеров [MEM] - работа с памятью, работа с VFO Работа с VFO подразумевает прямое увеличение или уменьшение частоты. В режиме MEM доступны 16 частот, ранее записанных в ячейки памяти. Режим MEM подтверждается свечением светодиода на передней панели. Клавишу MEM можно использовать в качестве клавиши CALL.Для этого нужно в нулевую ячейку записать вызывную частоту, при включении там будет 145500. Теперь при ее нажатии будет происходить переключение между текущей и вызывной частотой. [REP] - репитерный разнос, реверс, выключение разноса При нажатии этой кнопки циклически переключаются 3 режима работы с разносом. Реверс используется для прослушивания входной частоты репитера. [F],[MEM],[UP]...[DN],[MEM] - запись в память текущей рабочей частоты. Кнопками [UP],[DN] в этом режиме выбирается нужная ячейка памяти,кнопка [МЕМ] завершает процесс записи. [F],[MEM],[F] - cканирование диапазона и запись в память частот работающих станций Этот режим удобно использовать для оперативной оценки обстановки в эфире. Сканирование происходит до тех пор, пока не будет нажата кнопка или не закончатся ячейки памяти. После этого можно влючить режим сканирования памяти и посмотреть, кто работает на диапазоне. [F],[F] - приоритетное сканирование Приоритетное сканирование используется для контроля двух частот - частоты из текущей ячейки памяти и текущей частоты VFO. [F] - если удерживать больше 3-х секунд, включаются часы В режиме часов : [UP] - увеличить показания часов [DN] - увеличить показания минут [F] - возврат в режим настройки частоты Режим часов удобно использовать в соревнованиях, для фиксирования времени проведения QSO. При нажатии тангенты передачи, станция переходит в режим передачи, на индикаторе появляется кратковременно частота, затем снова выводятся показания часов. Точность хода часов довольно высока, она зависит от точности кварцевого резонатора синтезатора. Неиспользуемые в программе 3 кнопки можно дополнительно запрограммировать на выполнение каких либо функций. Однако, как показал опыт, пользоваться приведенной раскладкой кнопок довольно удобно.

Программа поддерживает внешнюю энергонезависимую память. При подключении микросхемы EEPROM (D1 на Рис.), все текущие настройки и ячейки памяти запоминаются в процессе работы и не обнуляются при выключении питания. В повседневной эксплуатации это бывает довольно удобно. Перед использованием EEPROM необходимо проинициализировать. Для этого радиостанцию с установленной микросхемой EEPROM нужно включить, удерживая нажатой кнопку [F]. Все переменные, ячейки памяти, текущая частота установятся в исходное состояние. Эту процедуру можно проделывать неоднократно. Без м/с EEPROM работают все функции программы, за исключением сохранения данных при выключенном питании. Приемник радиостанции в доработке не нуждается. Требуется лишь проверка режимов работы каскадов усиления и корректировка АЧХ полосовых фильтров на спиральных резонаторах. Доработка блока усилителя мощности сводится к вынесению на переднюю панель радиостанции регулятора мощности. Для этого подстроечный резистор R26 из платы выпаивается, а равный ему по сопротивлению переменный резистор подключается проводниками. Далее необходимо отпаять вывод резистора R31 от базы транзистора VT14. С него подается сигнал на измеритель мощности. Ранее использовавшийся блок установки частоты, расположеный рядом с усилителем мощности удаляется. На его место закрепляется блок с НЧ цепями из пульта управления. В нем потребуются некоторые изменения. Подстроечный резистор R3 выполняет роль регулятора порога срабатывания шумоподавителя. Необходимо его из платы выпаять, а на лицевой панели радиостанции разместить переменный резистор того же номинала, и соединить его проводниками с платой. Рядом с регулятором порога устанавливается регулятор громкости. Сигнал на регулятор громкости берется с конденсатора С31. Предварительно нужно соединить эмиттер транзистора VT6 с общим проводом через резистор 1 кОм. Далее сигнал с регулятора громкости подается на резистор R69. Для формирования сигнала "ПРД/ПРМ" нужно выпаять R64, перерезать дорожку от R63 к выводу 13 D16 (ЛА7). Этот вывод R63 будет сигналом PTT радиостанции. Дополнительно на PTT нужно подать +9в через резистор 16 кОм для начальной установки радиостанции в режим приема. Включение радиостанции на передачу осуществляется замыканием сигнала PTT на корпус. Сигнал "ПРД/ПРМ" берется с коллектора VT12. Сигнал "SIG" в контроллер берется с вывода 11 D16 через резистор 1кОм. Вывод 13 D16 нужно соединить с выводом 14. Этот сигнал информирует контроллер о наличии или отсутствии полезного сигнала в канале приема во время сканирования.(!!! Уровень этого сигнала составляет 12в, поэтому нужно соединить вывод "SIG" на контроллере через диод на источник +5в, диод подключается плюсом к сигналу, минусом к источнику питания. !!! ) Сигнал с микрофонного усилителя, собранного по схеме из руководства к радиостанции и расположенного в гарнитуре вместе с электретным микрофоном подается на вход подмодулятора - конденсатор С1. С подстроечного резистора R1 сигнал подается на модулирующий вход синтезатора. НЧ сигнал с приемника подается на интегрирующий УНЧ - конденсатор С25.

Блок индикации и клавиатуры Рис. 3 располагается на передней панели радиостанции, над переменными резисторами. В него входит шестиразрядный индикатор рабочей частоты, измеритель мощности, светодиоды репитерного разноса и памяти а также кнопки. Измеритель мощности шкального типа выполнен на транзисторах КТ315 и пяти светодиодах. Его также можно использовать в качестве S-метра, если сформировать измерительное напряжение из сигнала ПЧ. На задней панели радиостанции расположен разъем, при помощи которого подключался пульт управления. Теперь на него выводятся сигналы PTT, вход микрофонного усилителя, +5в, выход УНЧ. Также можно вывести сигналы C1, C2, D, KEY контроллера.Это дает возможность подключать к радиостанции гарнитуру, имеющую динамик, микрофон, тангенту передачи а также индикатор частоты и кнопки управления контроллером, дублирующие установленные в радиостанции. На задней панели радиостанции нужно установить дополнительный разъем для динамика и мощный выключатель, т.к. ток, потребляемый радиостанцией может достигать 8А и более. Настройка собранной радиостанции начинается с синтезатора. Очень важно проверить монтаж в блоке синтезатора. Контроллер лучше установить на панельку Попадание напряжения +9в на любой вход контроллера приводит к выходу его из строя. (!!!Обязательно проверить, что все защитные диоды на выводах контроллера соединены катодами с источником +5в и убедиться что напряжения на выводах контроллера не превышают +5в. !!!) Прежде всего нужно подобрать резистор R1 для получения напряжения питания КМОП микросхем в диапазоне 6-7в. Для этого нужно контролировать осциллографом сигналы на входах фазового детектора. Если напряжение питания достаточно для правильного сопряжения уровней, частота сигнала с ДПКД будет в точности равна опорной. В противном случае она будет выше. Для проверки работы нужно установить частоту 145000 кгц и измерить напряжение на выводе 4 блока ГУН. Если оно существенно отличается от 6в, потребуется распаять металлические колпачки над контурами L1 и L2 и подстроить их сердечники до установления нужного значения в режиме приема и передачи. Далее контролируя осциллографом напряжение на выходе "контроль СЧ",убедиться в отсутствии срывов синхронизации при перестройке по частоте, при включении репитерного разноса и при переходе с приема на передачу. В режиме синхронизации на этом выходе должна быть логическая "1" КМОП. Во время этих проверок питание на усилитель мощности передатчика лучше не подавать. В случае необходимости нужно подобрать номинал конденсатора с которого подается тактовая частота на контроллер. Емкость его должна быть на 10-20 % больше минимальной, при которой генератор конроллера начинает устойчиво работать. Далее проверяется работа приемника. Если рабочая частота станции отличается от требуемой не более чем на 2-4 мгц, перестроить спиральные резонаторы удастся простой регулировкой сердечников. Эту процедуру можно выполнить при помощи ГСС или измерителя АЧХ. Также есть возможность в качестве измерителя АЧХ использовать синтезатор радиостанции. Тестовая программа выполняет циклическое изменение частоты ГУН в диапазоне 143500- 146500 кгц. Для этого нужно включить питание контроллера и синтезатора удерживая нажатой кнопку [UP]. Напряжение ГУН подается на вход приемника, а с выхода настраиваемого фильтра, через детектор, на вход осциллографа. На экране осциллографа в этом случае будет отображаться АЧХ фильтра. В случае существеной разницы в частотах потребуется малоприятная процедура разборки резонаторов и изменения количества витков. Дополнительно можно увеличить чувствительность применением более современных СВЧ транзисторов в каскадах УВЧ. После замены потребуется выставить рабочие точки каскадов для получения максимального усиления. Сложность перестройки усилителя мощности также зависит от разницы исходной и требуемой частоты. При близких частотах усилитель обычно выдает от 3 до 15-20 вт между крайними положениями регулятора мощности. Подбор номиналов элементов позволяет существенно увеличить выходную мощность. Может потребоваться подстройка индикатора мощности. Подбором R31 в усилителе добиваются свечения всех светодиодов при максимальной мощности. Оба дополнительных блока выполнены на односторонних печатных платах. Расположение элементов приведено на Рис. 4,5. Контроллер крепится под экраном синтезатора двумя винтами, фиксирующими кварцевый резонатор. Монтаж осуществляется максимально короткими проводниками. Блок индикации и клавиатуры закрепляется на стойках около передней панели. Индикаторы и светодиоды распаиваются на отдельной плате и подключаются к нему проводниками. Это сделано для того, чтобы можно было применить индикаторы других типов.

  

Описанная методика может быть применена и к другим профессиональным станциям подобного типа (ЛЕН-160, ВИОЛА и пр). Управляющая программа поддерживает различные форматы управления таких станций. В качестве контроллера можно использовать отечественный аналог 1816ВЕ48. Однако эта микросхема имеет в 2 раза меньшую память программ. Из-за этого отсутствуют некоторые функции. Использование однокристальных микроэвм с внешним ПЗУ, например 1816ВЕ35 возможно, но влечет за собой увеличение габаритов, и как следствие, необходимость выносить контроллер из-под экрана синтезатора. Это сказывается на резком увеличении помех приемнику радиостанции. Опробованы также программы и контроллеры на AT89c51. Функциональное назначение выводов контроллера при этом не изменяется, а сервисные возможности радиостанции несколько шире из-за больших возможностей этих микросхем. Индикаторы можно применить любые, подходящие по размерам, в том числе и противоположной проводимости. В этом случае нужно проинвертировать сигнал D, подаваемый на микросхему D2 блока индикации и клавиатуры и переключить общий провод индикаторов с корпуса на +5в, а также поменять полярность включения светодиодов REP и MEM.

mayak_n.zip  20kb, содержит описание, чертежи, схемы в формате .PLT из PCAD4.5 .
Просмотреть можно программой PLTVIEW.EXE, распечатать программой PCPRINT.EXE из PCAD4.5

E.A. Попов (RW6HRY)
356307 Ставропольский кр.,
с.Новоселицкое,ул.Степная,3
e373@aport.ru
e373e@yahoo.com

Возврат