\главная\р.л. конструкции\цифр. виды связи\...

Описание модема MultiScan фирмы CombiTech.

Это - новейшая модель, которая использует продвинутый декодер ФАЗОВОЙ АВТОПОДСТРОЙКИ для максимально достижимого шумового подавления, и имеет sinewave генератор для искажения свободной модуляцией. Multiscan - самая лучшая гарантия более качественных изображений при худших условиях прохождения.

Приемная часть модема Multiscan.

Приемный тракт модема преобразует звуковой сигнал в поток данных для RS-232, используя высококачественный PLL контроллер. Корректная работу PLL отображается с помощью желтого светодиода "lock". Если он горит, сигнал захвачен и правильно происходит процесс детектирования. Светодиод "power" показывает включен или нет модем. Разъем CN4 используется для подключения платы передающего тракта при монтаже над платой RX в виде бутерброда. Плата TX служит для генерации звукового сигнала при передаче. Светодиод "TX" функционирует только при совместном использовании обеих плат. Назначение остальных разъемов описаны на рисунке. Калибровка платы производится с использованием программы (MSCAN). Входное напряжение звукового сигнала должно находиться в пределах 50mV ... 3V, входное сопротивление R = 20K.
Схема приемной части.

IC1       - 78L05            R19      - 82         C17,C18          - 33p cer
IC2       - XR-2211          R5       - 390        C16              - 120p cer
IC3       - LM324            R22      - 820        C1,C4,C27,C28    - 10n cer
IC4       - HEF4060          R18      - 1k2        C2,C5,C6,C9,C19, - 100n cer
IC5       - 74HC20           R21      - 1k8        C22..C26,C29,C31
IC6       - 74HC165          R20      - 2k7        C8               - 3n3 MKT
IC7       - ADC0804          R16      - 4k7        C11              - 4n7 MKT
IC8       - 74HC00           R4       - 100k       C7               - 6n8 MKT
IC9       - 78L10            R17      - 270k       C13              - 12n MKT
Q1        - BC557            R8,R9    - 390k       C14,C15          - 18n MKT
D1        - LED yelow        R1       - 470k       C3,C12           - 27n MKT
D2,D6     - LED red          R6,R7    - 1M         C10              - 68n MKT
D3..D5,D7 - 1N4148           R10..R15 - 4120 1%    C21              - 10u elco
XT1       - 3.6864 MHz       R2       - 22k1 1%    C30              - 100u elco
SW1       - sw + knob        R3       - 40k2 1%  
CN1       - DC 5.2/2.1 mm
CN2       - DIN5-180
CN3       - DB9 female
CN4       - DIL8

Подключение модема:     CN2  (DIN5)  (СГ-5)                      CN3  (DB9)

                        1 = звуковой выход (к трансиверу)        2 = RxD
                        2 = GND (земля)                          3 = TxD
                        3 = звуковой вход (от трансивера)        5 = GND
                        5 = PTT (прием/передача)
 

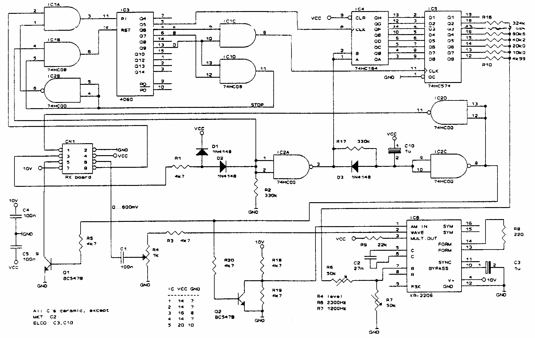
Передающая часть модема Multiscan.

Передающий тракт модема преобразует поток данных от RS-232 в AFSK звуковой сигнал. RS-232 сигнал поступает с разъема CN3 на плате приемного тракта. Он проходит через CN4 (приемный тракт) и CN1 (передающий тракт) и микросхемы IC1 ... IC5 преобразуется в изменяемое напряжение. Оно управляет работой VCO IC6 (генератора).
Передающий тракт калибруется в трех точках. R7 - используют для установки 1200 Hz, а R6 - 2300 Hz. Уровень выходного звукового сигнала устанавливается регулировкой резистора R4. Уровень должен лежать в пределах 0 - 300 mV, выходное сопротивление R = 1K.
Схема передающей части.

IC1      - 74HC08      R8          - 220          R11         - 10k0 1%
IC2      - 74HC00      R1,R5,R20   - 4k7          R12         - 20k0 1%
IC3      - HEF4060     R3          - 10k          R13         - 40k2 1%
IC4      - 74HC164     R9          - 22k          R14         - 80k6 1%
IC5      - 74HC574     R2,R17      - 330k         R15         - 162k 1%
IC6      - XR-2206     R20         - 2k7          R16         - 324k 1%
                       R4          - 1k trim    
Q1,Q2    - BC547C      R6,R7       - 50k trim     C1,C4..C9   - 100n cer
D1..D3   - 1N4148      R18,R19     - 4k12 1%      C2          - 27n MKT
CN1      - DIL8        R10         - 4k99 1%      C3,C10      - 1u elco 16V

Возврат