Принципиальные  схемы
 старых радиоприемников.
   
 Радиоприемники, радиолы, магнитолы
 
4НБС-6 (480kb) Люкс РК-156 ч.1, ч.2 Родина-52 (247kb)
5НР-3 (409kb) Люкс-2 ч.1, ч.2 Родина-59 (357kb)
6Н-1 (73kb) Маршал-М (126kb) РП-8 (362kb)
Аврора (312kb) Миния-4 (727kb) РПК-9 (302kb)
АРЗ-51 (278kb) Минск (244kb) РПК-10 (263kb)
АРЗ-52 (277kb) Минск-61 (289kb) Сакта (628kb)
Балтика-52 (108kb) Мир М-152 ч.1 , ч.2 Серенада (232kb)
Баку (464kb) Мир М-154 ч.1, ч.2 СИ-235 (363kb)
Беларусь-50 (523kb) Москвич-В (163kb) Симфония ч.1 , ч.2
Беларусь-59 ч.1, ч.2 Муромец (348kb) СВГ-К (226kb)
Беларусь-62 ч.1, ч.2 Муромец-62М ч.1, ч.2 СВД-1 (524kb)
Беларусь-103 ч.1 ч.2 Нева-52 (450kb) СВД-9 (90kb)
БИ-234 (425kb) Новь (273kb) Стрела (248kb)
БЧЗ (88kb) Огонек (166kb) Т-35 (383kb)
Весна (312kb) Октава ч.1, ч.2 Турист (327kb)
ВЭФ-Аккорд (294kb) Октябрь (487kb) Урал-49 (234kb)
ВЭФ М-557 (129kb) Пионер (189kb) Урал-53 (296kb)
Д-11 ч.1, ч.2 ПЛ-2 (58kb) Урал-57 (280kb)
Даугава (309kb) Радиостандарт (58kb) Фестиваль ч.1, ч.2
Дзинтарс (612kb) Рекорд-52 (211kb) ЦРЛ-10К (465kb)
Днепропетровск (283kb) Рекорд-53 ч.1, ч.2 Чайка (308kb)
Донец ч.1, ч.2 Рекорд-60 (226kb) ЭКЛ-4 (408kb)
Заря (166kb) РЕТ VV663 (221kb) ЭКЛ-34 (411kb)
Звезда-54 (214kb) Рига-10 ч.1, ч.2 Электросигнал2 ч.1 ,ч.2
Иртыш ( 304kb) Рига Т-689 (233kb) Эстония-3M (545kb)
Исеть (311kb) Рига Т-755 (215kb) ЭЧС-2 (344kb)
Кама (195kb) Ригонда-102 ч.1 , ч.2 ЭЧС-3 (377kb)
Латвия РН-59 (541kb)
 
Родина-47 (278kb) ЭЧС-4 (377kb)
 

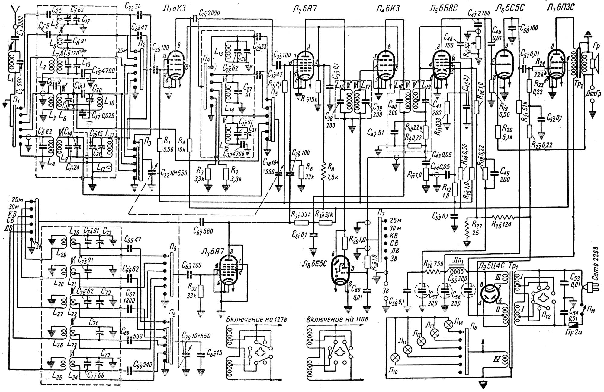
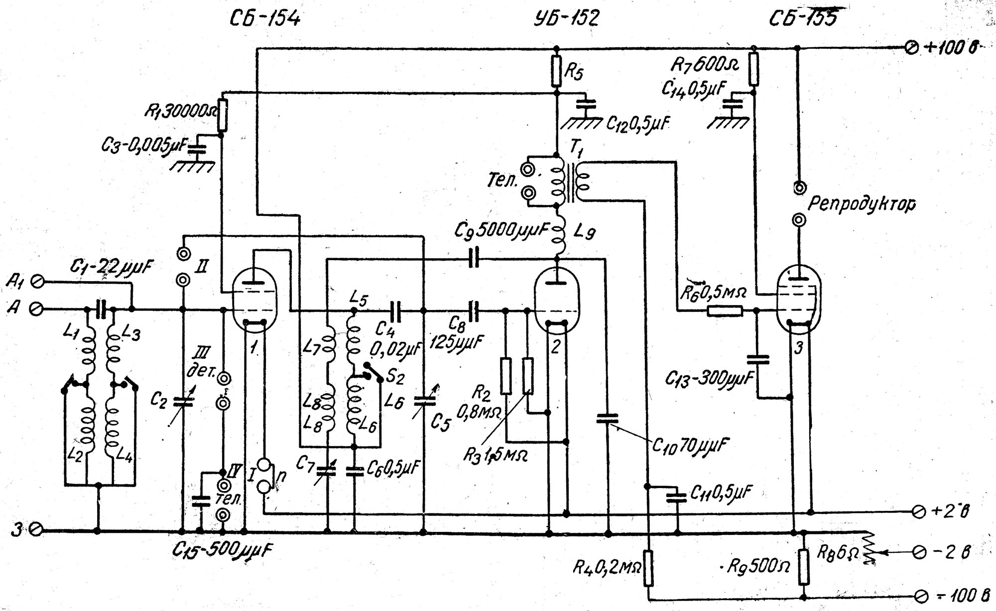
Изображения ламповых приемников и радиоламп, подписи к ним, а также схемы   
предоставлены В.Брусникиным (RN1NFM)  http://oldradio.onego.ru/  

Возврат