|
|||
Системы воздушного охлаждения генераторных ламп.
При постройке компактного усилителя мощности (УМ) для радиостанции альтернативы обдувным лампам нет. Это подтверждает и зарубежная практика, так как лампы используются в большинстве современных фирменных усилителей. Одним из важных конструктивных элементов усилителя можно назвать систему охлаждения лампы. Информации по проектированию таких систем в литературе практически нет, и это, наверное, самое большое “белое пятно” в “усилителестроении”.
Между тем эти сведения важны, так как компоновка УМ зависит от конструкции системы охлаждения, и при ошибочном решении потребуется трудоемкая переделка. Систему охлаждения необходимо делать правильно сразу. В предлагаемой статье изложены практические обоснования конструктивных параметров систем воздушного охлаждения генераторных ламп.
Выбор оценочных параметров при испытаниях систем охлаждения и методика измерений
В паспорте мощных генераторных ламп завод-изготовитель указывает условия охлаждения и максимально допустимую температуру ее конструктивных элементов [1]. Поэтому первым и основным оценочным параметром при сравнении различных систем обдува работающей радиолампы принята максимальная температура анодного теплоотвода tAmax.
Охлаждение лампы зависит от подачи (расхода) воздуха вентилятором [1]. Поэтому для наиболее эффективного использования воздушного потока воздушный тракт усилителя должен иметь минимальное аэродинамическое сопротивление (в дальнейшем сопротивление). Оно, в общем случае, обусловлено местом расположения вентилятора, формой радиолампы, ее панели и конфигурацией воздуховода.
Движущийся в воздуховоде поток характеризуется скоростью v, м/с. и подачей V = v ∙ s, м3/с, где s — площадь поперечного сечения воздуховода в месте измерения скорости, м2 [2]. Всякое сопротивление на пути воздушного потока вызывает уменьшение скорости, а следовательно, потерю подачи. Эти величины можно использовать для оценки сопротивления воздушного тракта.
Поэтому вторым оценочным параметром при сравнительных испытаниях систем охлаждения принята величина снижения подачи ∆V, выраженная в %:
∆V=[(Vб-V)/Vб]•100%, где V — подача вентилятора в системе обдува, м3/ч; Vб — подача вентилятора в базовом варианте, с которым происходит сравнение, м3/ч.
Например, подача вентилятора, установленного в пустом воздуховоде, Vб = 120 м3/ч. При размещении в воздуховоде панели с радиолампой подача уменьшилась до 53 м3/ч. Снижение подачи из-за их сопротивления будет ∆V = [(120-53)/120]•100 % = 56 %. Второй вспомогательный параметр может быть использован при сравнении систем охлаждения без работающей радиолампы.
Для экспериментов была испытана система обдува лампы ГУ-84Б, состоящая из стандартной панели, воздуховодов с внутренним диаметром 112 мм и вентилятора. Она позволяла испытывать различные системы охлаждения и их отдельные элементы. Во время испытаний радиолампа работала как теплогенератор, т.е. вся подводимая к аноду мощность РА превращалась в тепло.
Подача воздуха определялась крыльчатым анемометром (предназначен для испытаний вентиляционных систем) [2], расположенным непосредственно за воздуховодом. Температура измерялась цифровым мультиметром М838 с термопарой. Погрешность измерения составляла ± 3° при t < 150 °С и ± 3 % при t > 150 °С. Температура определялась после десятиминутной работы лампы в измеряемом режиме.
Системы охлаждения с осевым вентилятором
Практически возможны четыре варианта обдува радиолампы: боковой, осевой приточный, осевой вытяжной и осевой двухвентиляторный приточно-вытяжной.
Рис.1.
Оптимальный из них определялся практически по эффективности охлаждения. Для испытаний был применен осевой цельнометаллический вентилятор ТУР 4658N с диаметром крыльчатки 110 мм и n = 2200 об/мин. Подача вентилятора в пустом воздуховоде — 120 м3/ч.
При боковом обдуве (рис. 1) охлаждающий воздух проходит только через часть ребер теплоотвода лампы, и поверхность охлаждения сокращается в 9...21 раз (табл. 1).
Улучшить охлаждение можно, увеличив скорость воздуха, но при этом возрастут габариты и шум вентилятора. Неэффективность схемы очевидна. Завод-изготовитель также не рекомендует использовать боковой обдув для ламп, рассчитанных на осевой проход воздуха [1].
Таблица 1.
|
Наименование лампы |
ГУ-43Б |
ГУ-74Б |
ГУ-78Б |
ГУ-84Б |
|
Общая площадь охлаждения теплоотвода Sо,cм2 |
3000 |
410 |
1720 |
1566 |
|
Площадь цилиндрической внешней поверхности Sб, см2 |
140 |
44 |
140 |
126 |
|
Sо/Sб |
21 |
9 |
12 |
12 |
Результаты испытаний вытяжной (рис. 2) и приточной (рис. 3) систем обдува представлены в табл. 2.
Измерения показали, что подача вентилятора в вытяжной системе (53 м3/ч) в 2,4 раза больше, чем в приточной (22 м3/ч).
Если производить сравнение по температуре теплоотвода, которую можно измерить более точно, то tAmax = 130 °С достигается в приточной схеме при РА = 240 Вт, а в вытяжной схеме tAmax = 126 °С при РА = 460 Вт. Следовательно, вытяжной вентилятор отводит примерно в два раза больше тепла, чем приточный. Для человека, привыкшего иметь дело с электрическими схемами, такой результат может показаться неожиданным.
Таблица 2.
|
Измеряемый параметр |
Приточная схема |
Вытяжная схема | |
|
Подача V, м3/ч |
22 |
53 | |
|
Снижение подачи ∆V, % |
82 |
56 | |
|
РА, Вт |
240 |
240 |
460 |
|
tAmax,°C |
130 |
82 |
126 |
Действительно, любой резистор вызывает одинаковое падение напряжения независимо от того, с какой стороны от источника питания он расположен.
Законы движения воздуха отличаются от закона Ома, и аэродинамическое сопротивление лампы с панелью в данном случае зависит от места расположения вентилятора. Полученный результат объясняется следующим.
Поток воздуха, выходящий из осевого вентилятора, не прямоточный, а завихренный (закрученный, как нити в витом канате), и поступает он в кольцевую щель панели не перпендикулярно, а под углом (рис. 3).
Завихренный воздух при входе в панель ведет себя как камень, брошенный в воду под углом; многократно отскакивая от нее, прежде чем погрузиться. Поэтому 82 % подачи вентилятора теряется на трении между отдельными слоями потока. Это значительно ухудшает отвод тепла.
Рис.2.
При работе вытяжного вентилятора под действием разряжения через лампу проходит прямоточный поток, поэтому величина снижения подачи значительно меньше. В этом случае она в основном обусловлена лобовым столкновением с катодом.
Недостаточную подачу воздуха можно увеличить двумя способами: применить более мощный вентилятор или установить второй вентилятор соосно с первым. Для определения лучшего способа были испытаны двухвентиляторные системы обдува.
Установлено, что эффективность подачи спаренных вентиляторов зависит от расстояния между ними. При расстоянии 30 мм прирост подачи составил 5 %. Причина, очевидно, в том, что закрученный воздушный поток от первого вентилятора попадает на лопасти второго под неоптимальным углом, не захватывается этими лопастями, а отражается от них.
Рис.3.
С увеличением расстояния до 100 мм подача возрастает на 30 %, так как поток воздуха от первого вентилятора приобретает осевую направленность и более успешно захватывается лопастями второго вентилятора. Очевидно, с увеличением расстояния эффективность второго вентилятора будет расти. Но длинный воздуховод увеличит габариты и затруднит компоновку. Поэтому применение сдвоенных вентиляторов неоправданно.
Совместная работа двух источников (преобразователей) энергии всегда была непростой задачей и требовала применения специальных технических решений.
Очевидно, что для согласованной работы вентиляторов следует подбирать расстояние между ними, форму и взаимное расположение лопастей, а также устанавливать “выпрямляющий” воздушный поток пластины. В любом случае эта задача уже выходит за рамки “усилителестроения”.
Таблица 3.
|
Измеряемый параметр |
Вытяжная схема |
Приточно-вытяжная схема |
|
РА, Вт |
240 |
240 |
|
Подача V, м3/ч |
53 |
64 |
|
TA max, С |
82 |
76 |
Осевая двухвентиляторная приточно-вытяжная схема обдува показана на рис. 4. По результатам измерений, приведенным в табл. 3, видно, что после присоединения к вытяжной схеме второго, приточного, вентилятора подача воздуха возросла только на 20 %, a tAmax уменьшилась на 8 %.
Следовательно, применение второго, приточного, вентилятора неэффективно. Причины этого явления уже рассмотрены выше.
По результатам испытаний различных вариантов обдува с осевыми вентиляторами можно сделать следующие выводы:
- 1. Оптимальной является вытяжная система охлаждения с одним вентилятором, обеспечивающим необходимую подачу воздуха.
- 2. Применение второго вентилятора для увеличения подачи неоправданно при любой системе охлаждения.
Обоснование конструктивных параметров вытяжной системы охлаждения с осевым вентилятором
При РА = 460 Вт и зазоре В между теплоотводом лампы и воздуховодом, равном 7 мм, расстояние А между вентилятором и анодным теплоотводом устанавливалось равным 50, 80, 115, 150 и 210 мм. Результаты измерений показаны на графике (рис. 5).
Рис.4.
С уменьшением расстояния А до 50 мм теплоотвод лампы входит в зону завихрений перед вентилятором и tAmax возрастает на 10 % из-за ухудшения охлаждения. При значительном удалении вентилятора охлаждение также ухудшается из-за возрастания потерь кинетической энергии воздуха на трение о стенки длинного воздуховода. Наилучшие условия охлаждения обеспечиваются при А, равном 1,0...1,2 диаметра вентилятора.
Температура воздуха перед вентилятором по мере удаления от анода уменьшается с 97 до 49 °С за счет охлаждения через стенки воздуховода. Для лучшей теплоотдачи они должны иметь минимальную толщину.
Температура лопастей меньше, чем у входящего в вентилятор потока воздуха. Это объясняется тем, что горячий воздух, выходящий из вентилятора, интенсивно перемешивается с наружным, быстро охлаждается сам и охлаждает внешние стороны лопастей вентилятора. По этой же причине с уменьшением А температура лопастей растет медленнее, чем температура горячего воздуха перед вентилятором.
Таблица 4.
|
Зазор В, мм |
0 |
7 |
17 |
|
U max, С |
209 |
194 |
189 |
Результаты измерений, приведенные в табл. 4, показывают зависимость tAmax от величины зазора В при РА = 770 Вт и А= 115 мм. При зазоре В = 0 боковая поверхность теплоотвода не участвует в теплоотдаче и температура анода максимальна.
При В = 7 мм tAmax уменьшилась на 15 °С, так как в охлаждении начала участвовать боковая поверхность теплоотвода. С увеличением зазора В до 17 мм tAmax уменьшилась еще на 5 °С. При увеличении зазора возрастает скорость воздуха на внешней стороне теплоотвода, поэтому улучшение охлаждения возможно, но разница с предыдущим опытом не превышает ошибки измерения. Следовательно, для эффективного охлаждения наружной поверхности теплоотвода лампы достаточно зазора 5... 10 мм.
Рис.5.
С учетом вышеизложенных результатов была изготовлена и испытана вытяжная система охлаждения для лампы ГУ-84Б (рис. 6). Измерения показали, что tAmax достигается при РА = 770 Вт. Температура лопастей вентилятора при этом равна 73 °С, поэтому цельнометаллический вентилятор при максимальной мощности обеспечит большую надежность. У вентиляторов с пластмассовыми деталями максимально допустимая рабочая температура — до 60 °С [3, 4].
При возрастании РА от 0 до 770 Вт tAmax увеличилась от 36 до 207 °С, а катода — от 120 до 145 °С. Следовательно, для охлаждения катодной части лампы, даже при ее максимальном тепловом режиме, достаточно вытяжного вентилятора.
На рис. 7 показана зависимость tAmax от времени нагрева при РА = 770 Вт и охлаждения при РА = 0. Время полного разогрева лампы после подачи всех напряжений — 10 мин. Время охлаждения до 36 °С — 11 мин. График охлаждения анода позволяет рассчитать температурную поправку для измерения температуры анода не в режиме передачи, а через промежуток времени, необходимый для отключения опасных напряжений.
Зависимость на рис. 7 объясняет, почему даже с неэффективной системой охлаждения усилители работоспособны в CW и SSB режимах. При повседневной работе время передачи не превышает, как правило, 1...2 мин и лампа просто не успевает разогреться, а во время приема она быстро охлаждается. Поэтому интенсивность обдува в CW и SSB режимах может быть в несколько раз ниже, чем при непрерывном излучении.
Системы охлаждения с центробежным вентилятором
Испытаны три системы обдува с центробежным вентилятором: приточная с соосным потоком (рис. 8), вытяжная (рис. 9); приточная с боковым потоком (рис. 10). Для испытаний применен центробежный вентилятор с рабочим колесом шириной 30 мм и диаметром 92 мм, который вращался электродвигателем КД-3.5А с n = 1400 об/мин. Подача вентилятора в пустом воздуховоде — 90 м3/час.
Таблица 5
|
Измеряемые параметры |
Приточная схема с соосным потоком |
Вытяжная схема | ||||||||
|
Подача V, м3/час |
50 |
44 | ||||||||
|
Снижение подачи ∆V,% |
45 |
51 | ||||||||
|
РА, ВТ |
300 |
600 |
840 |
300 |
600 |
840 | ||||
|
tAmax,°C |
99 |
145 |
185 |
104 |
157 |
204 | ||||
Результаты испытаний показали (табл. 5), что приточный центробежный вентилятор с соосным потоком наиболее эффективен.
Его воздушный поток прямоточный и имеет большую скорость v, чем у осевого вентилятора. При той же подаче воздуха его кинетическая энергия значительно больше, так как она пропорциональна v2. Скоростной прямоточный воздушный поток лучше преодолевает сопротивление воздушного тракта, а контактируя с лампой, обеспечивает большую теплоотдачу.
Вентилятор работает в лучших условиях. Здесь происходит подача холодного воздуха, следовательно, можно использовать легкую пластмассовую крыльчатку, за счет этого уменьшить нагрузку на подшипники и продлить их ресурс.
Рис.6.
Электродвигатель экранирован от ВЧ излучения стенками входного отсека. Использование электродвигателя с подшипниками из пористой бронзы позволило максимально снизить уровень шума.
Неэффективность обдува приточной системы с боковым потоком (рис. 10) видна без испытаний, так как воздух, ударяясь в стенку, теряет большую часть кинетической энергии и только потом, рикошетом, направляется к лампе. Измерения проведены, чтобы сравнить количественные показатели этой и других систем.
Результаты испытаний (табл. 6) показали, что наименьшие потери достигаются при минимальных размерах входного отсека, т.е. когда он фактически является продолжением воздуховода с боковым выходным отверстием. В этом случае подача, по сравнению с соосным потоком (рис. 8, табл. 6), меньше в 2,8 раза, a tAmax выше на 70° С или в 1,7 раза.
Преимущество системы с боковым потоком в упрощении монтажа вентустановки. Ее можно разместить с любой стороны от лампы и сохранить небольшую высоту корпуса УМ.
Недостаток — худший теплоотвод из-за значительной потери подачи вентилятора (80 ...85 %) при повороте воздушного потока. Указанная система используется в фирменных УМ. Она работоспособна при применении малогабаритных ламп (ГУ-74Б, ГУ-91Б), которым требуется небольшой расход воздуха [5].
Таблица 6.
|
Измеряемый параметр |
Высота входного отсека h, мм | ||
|
150 |
100 |
60 | |
|
Подача V, м3/чac |
14 |
16 |
1 |
|
Снижение подачи ∆V,% |
85 |
82 |
80 |
|
РА, Вт |
300 |
300 |
300 |
Влияние анодного крепления на охлаждение лампы
Существенной разницы в охлаждении лампы с “анодным креплением” и без него нет. При неоднократном сравнении tAmax у лампы, закрепленной в фирменном анодном кольце и без такого крепления, разница была в пределах ошибки измерения (при прочих равных условиях).
Крепление за анодное кольцо необходимо для надежной фиксации лампы. Но если в распоряжении пользователя оказалась панель без анодного кольца, ее тоже можно применить. Инструкция разрешает для крепления лампы в панели делать упор на кольцо второй сетки с прижимом лампы со стороны анода [1]. Для осуществления такого крепления вместо отсутствующего фирменного анодного кольца устанавливается воздуховод, в котором на изоляторах размещается упор для прижатия лампы со стороны анода. Такой способ особенно удобен при использовании вытяжной схемы охлаждения с осевым вентилятором.
Определение подачи вентилятора в SSB и CW режимах
Все вышеуказанные результаты измерений были получены после 10 минутной работы лампы, что соответствует моделированию режима непрерывного излучения. Для SSB и CW среднее тепловыделение на аноде будет значительно меньше. В этом случае обороты вентилятора (а следовательно, и шум) могут быть существенно уменьшены.
Рис.7.
В зависимости от длительности работы на передачу соотношения времени RX/TX, вида излучения, тока покоя и пик фактора SSB сигнала средняя мощность, рассеиваемая на аноде, может уменьшиться в несколько раз. Например, при работе CW, учитывая паузы, средняя мощность составит 60...70 % от режима “настройка”. Во время приема лампа быстро охлаждается (см. рис. 7).
Если принять соотношение RX/TX1:1 и время передачи (1 ...2 мин), то время приема может быть засчитано в расчете среднего тепловыделения на лампе. В режиме CW оно будет примерно в 3 раза меньше, чем при непрерывном излучении.
Используя найденный коэффициент и КПД усилителя, легко вычислить выходную мощность, при которой испытанная система сможет охлаждать лампу. Но это приблизительный расчет, основанный на ряде допущений. Точные расчеты тепловыделения на аноде в режимах CW и SSB сложны и неоправданны. Более просто определить необходимую подачу (обороты) вентилятора по температуре анода в реальных условиях эксплуатации.
Например, в системе охлаждения УМ на ГУ-43Б [6] обороты вентилятора были уменьшены так, чтобы при работе SSB тепловая защита лампы срабатывала через 15 минут. Этого более чем достаточно для любой практической работы. В результате регулировки шум вентилятора стал меньше, чем шум из динамика при средней громкости. Грамотно выполненная система обдува обеспечит оператору комфортную радиосвязь на динамик, а радиолампа полностью отработает плановый ресурс.
Уменьшение шума при работе системы охлаждения
Работу системы охлаждения сопровождают два основных источника звука — электродвигатель и лопасти вентилятора. Движущийся в воздуховоде поток создает незначительный шум.
Рис.8.
Главным источником звука в электродвигателе являются подшипники. Поэтому следует применять специальные малошумные подшипники скольжения из пористой бронзы. В коллекторных двигателях шум происходит при трении щеток о коллектор.
Особо следует обратить внимание на способ крепления электродвигателя центробежного вентилятора. Звук мотора, присоединенного к корпусу “улитки”, усиливается за счет звукового резонанса. Поэтому его следует крепить к корпусу УМ.
Для массивного шасси мотор не является сильным вибровозбудителем, а резонансная частота корпуса за счет его габаритов и веса находится много ниже возмущающей частоты. Для уменьшения вибрации двигателя на него следует подавать пониженное напряжение. Эти меры плюс виброизоляция позволили полностью избавиться от звуковых резонансов электродвигателя. Сильный звук создается при вращении крыльчатки. Поэтому следующая задача — уменьшить скорость встречи лопастей с воздухом.
Эта проблема успешно решается за счет применения центробежного вентилятора. Звук работы осевого вентилятора, установленного на выходе из системы охлаждения, беспрепятственно распространяется в окружающем пространстве. В центробежном вентиляторе зона работы крыльчатки, где происходит образование звуковых волн, отделена от оператора двойным акустическим экраном. Первый — это корпус вентилятора (“улитка”), второй — стенки корпуса УМ.
Рис.9.
Кроме того, в центробежном вентиляторе воздух разгоняется при многократном воздействии на него лопастей рабочего колеса. Каждая лопасть постепенно усиливает движение потока, поэтому скорость ее соударения с воздухом и шум меньше, чем в осевом вентиляторе. С уменьшением скорости соударения частота звука понижается и смещается в область минимальной чувствительности нашего уха.
При использовании осевого вентилятора шум уменьшается оптимизацией системы обдува. Применение вытяжной системы охлаждения с оптимальными параметрами, по сравнению с приточной, позволит уменьшить подачу вентилятора и скорость лопастей в 2,5...3 раза. Некоторое ослабление шума можно получить при размещении вентилятора на задней панели усилителя [6]. В этом случае для оператора корпус усилителя является акустическим экраном.
Следующий способ — применить осевой вентилятор возможно большего диаметра, но уменьшить скорость вращения крыльчатки. (При этом скорость прохода воздуха через лампу остается неизменная).
Полностью звуковые помехи при обдуве не устранить, но в грамотно изготовленном УМ они крайне незначительны. Вышеуказанные способы позволят достичь хороших результатов с любыми лампами.
Выводы по результатам испытаний
- 1. Для охлаждения лампы наиболее эффективно применение одного вентилятора с достаточной подачей. Использование двухвентиляторной системы неоправданно.
- 2. Вследствие особенностей в организации воздушного потока осевой вентилятор создает прямоточный поток и более эффективно работает в вытяжной системе охлаждения, а центробежный вентилятор — в приточной системе охлаждения.
- 3. По результатам испытаний систем охлаждения определены две наиболее эффективные конструкции.
Рис.10.
По совокупности всех параметров лучшей является приточная система охлаждения с соссным потоком от центробежного вентилятора. Здесь обеспечиваются максимальная эффективность вентустаиовки, минимальный шум, а также надежная работа вентилятора, так как он подает холодный воздух. Недостатки — сложность монтажа во входном отсеке, малая распространенность необходимых вентиляторов и электродвигателей на рынке комплектующих и высокая их стоимость.
Вторым вариантом является вытяжная система охлаждения с осевым вентилятором. Ее недостатки — повышенный уровень шума и нагрев вентилятора. А преимущество — минимальные габариты и многократное упрощение монтажа.
Кроме того, осевые вентиляторы значительно дешевле, чем центробежная установка, и на рынке комплектующих можно легко найти необходимые типоразмеры. Оправданы обе системы охлаждения. Окончательный выбор будет зависеть от наличия комплектующих, компоновки усилителя и мнения автора конструкции.
Защита лампы от перегрева
Металл и керамика имеют разный коэффициент теплового расширения. При превышении максимальной допусти мой температуры лампы механические напряжения, вызванные расширением, могут превысить предел прочности керамики. Возникшие вследствие этого микротрещины приведут к быстрой потере вакуума.
Защита лампы при отказе вентустановки в профессиональных УМ производится с помощью датчика воздушного потока. При отсутствии обдува срабатывают его аэроконтакты, и автоматика обесточивает лампу. В качестве аэроконтактов чаще всего применяется геркон, а его срабатывание достигается за счет миниатюрного магнита, закрепленного на подвижной пластине, которую поворачивает воздушный поток.
Рис.11.
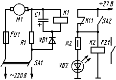
Указанная защита имеет два недостатка: она не защищает лампу от перегрева при расстройке П-контура и при обдуве малогабаритных ламп расход воздуха будет недостаточным для срабатывания механического датчика. Если не удалось добиться надежного срабатывания аэроконтактов, можно применить релейную схему защиты (рис. 11).
При обрыве в цепи электродвигателя управляющее реле К1 обесточивается, контакты К1.1 замыкаются и включают исполнительное реле К2, которое контактами К2.1 отключает лампу. О срабатывании защиты сигнализирует светодиод VD2. После устранения обрыва ток в цепи электродвигателя вызывает срабатывание К1, контакты К1.1 размыкаются и схема защиты переходит в исходное состояние. При превышении тока в цепи двигателя перегорает плавкий предохранитель FU1, а затем схема защиты срабатывает, как при обрыве. Аварийная остановка вентилятора может произойти вследствие его отказа или при отключении электроэнергии.
В этом случае универсальным средством защиты от перегрева является наличие отдельного аварийного вентилятора, который расположен в одном корпусе с батарейками. При остановке штатного вентилятора оператор устанавливает аварийный вентилятор на корпус усилителя над воздуховодом и охлаждает лампу в течение 5 минут, как этого требует инструкция [1].
При сверхнормативном тепловыделении на аноде (например, из-за расстройки П-контура) номинальной подачи воздуха будет недостаточно. Для защиты лампы в этом случае следует постоянно контролировать ее максимальную температуру. Точка наибольшего нагрева расположена в верхней внутренней части анодного радиатора. При постоянном режиме работы вентустановки температура воздуха за анодом и температура анода находится в строго определенной зависимости (см. рис. 6). Следовательно, более просто контролировать не температуру анода, а температуру воздуха за анодом.
После монтажа системы охлаждения необходимо опытным путем получить данные температурного поля за анодом. Затем термодатчик, температура срабатывания которого может быть 70... 120 °С, помещается в соответствующей точке воздуховода.
При замыкании контактов термодатчика SA2 срабатывает реле К2 и контакты К2.1 отключат лампу (рис. 11). Контакты SA2 после срабатывания остаются замкнутыми еще некоторое время, пока происходит отвод тепла от анода. О срабатывании защиты сигнализирует светодиод VD2. После охлаждения лампы схема защиты сама возвращается в исходное состояние.
Размещение системы охлаждения в корпусе усилителя
В усилителях традиционно применяется горизонтальный корпус типа “DESK TOP”. По этой причине исторически сложившаяся и рациональная для старых стеклянных ламп компоновка “автоматически” перенесена на обдувные лампы.
Рис.12.
Для сохранения традиционной конструкции и упрощения монтажа вентустановки использованы параллельное включение малогабаритных ГУ-74Б (или ГУ-91 Б) и приточная схема обдува с боковым потоком. Но из-за больших потерь при повороте воздуха эта схема не привлекательна для мощных ламп (см. табл. 6).
Усилитель заданной мощности всегда проще и дешевле сделать на одной большой лампе. Поэтому компоновка мощного усилителя должна обеспечивать монтаж наиболее эффективной системы охлаждения.
Чтобы выполнить это требование, необходимо отказаться от традиционного горизонтального корпуса “DESK TOP”, а использовать вертикальный корпус типа “MINI-TOWER”. В нем успешно размещается самая эффективная система охлаждения с соосным потоком центробежного вентилятора или наиболее простая вытяжная система охлаждения с осевым вентилятором (рис. 12).
В. Кляровский (RА1WT)
Литература:
- 1. Лампа ГУ-84Б. Паспорт.
- 2. Калинушкин М. П. Вентиляторные установки. — М.: Высшая школа, 1967.
- 3. Вентилятор ВВФ — 112 — 2,5 — 12. Паспорт.
- 4. Вентилятор ВН -2. Паспорт.
- 5. Кацнельсон Б. В., Калугин А. М., Ларионов С. А. Электровакуумные, электронные и газоразрядные приборы. Справочник. — М.: Радио и связь, 1985.
- 6. Кляровский В. А. Усилитель мощности КВ.— Радио, 2001 ,№8, 9.
| Глас народа |
|
31.01.2010 10:42 Хорошая статья, но вот этот ляп меня убил.
(Она работоспособна п... -- Алексей UA3VFS... 06.07.2007 17:24 Спасибо за труд!... -- UR5QOP |