Перевод статей G3SEK, выложенных на сайте http://www.ifwtech.co.uk/g3sek/
Скачать переводы статей одним
файлом (MS Word DOC, 268kb).
Питание и защита современных тетродов.
Ian White, G3SEK
Усилители мощности на тетродах снова входят в моду после многих лет, на протяжении которых американские разработчики аппаратуры сосредоточивали свои усилия исключительно на создании аппаратуры на вакуумных триодах. Что касается Европы, то здесь сложилась другая ситуация, при которой тетроды никогда не сойдут со сцены. А точнее, американцы многое потеряли, не зная ничего о многочисленных разработках систем питания для тетродов, - цель этой статьи - “пролить” свет на проблему.
Широко распространено мнение о тетроде как о “триоде с ещё одной сеткой”, - экранной, которой уделяется несправедливо мало внимания. Это – большая ошибка! Экранной сетке мощного тетрода в передатчике следует уделять повышенное внимание, “удовлетворяя” присущие ей “запросы”, только в этом случае можно получить высокую линейность усиления SSB сигнала.
Измеритель тока экранной сетки покажет Вам правильно ли произведена настройка и правильно ли согласована лампа с нагрузкой, непрерывный контроль за током экранной сетки со стороны стабилизированного блока питания поможет избавиться от многих, присущих РА, проблем.
В этой статье описывается современный стабилизатор напряжения экранной сетки с устанавливаемым выходным напряжением и отличными нагрузочными (динамическими) характеристиками. Он содержит также эффективную защиту лампы, а, значит, и усилителя в целом. Возможно, многие схемные решения покажутся Вам новыми, но они уже многие годы успешно используются в Великобритании и по всей Европе.
С небольшими уточнениями, связанными с требуемыми в каждом конкретном случае напряжениями и токами экранной сетки, идеи, изложенные в статье, могут быть использованы в любом существующем РА на тетроде (тетродах), с целью улучшения его характеристик.
Начну с объяснения преимуществ стабилизации экранного напряжения, и более жёсткой, чем та, что считается в настоящее время достаточной (например, в США). Сделать такую стабилизацию не трудно, а “игра стоит свеч”.
Одной из основных причин необходимости стабилизации напряжения на экранной сетке (а, проще, - экранного напряжения) является достижение стабильности работы лампы по постоянному току. Ток экранной сетки в большинстве тетродов может быть как положительным, так и отрицательным в нормальном и ненормальном режимах, соответственно, Это предъявляет некоторые специфические требования к источнику питания экранной сетки тетрода. При нормальной работе некоторое количество электронов, летящих от катода к аноду, перехватывается экранной сеткой и поступает во внешнюю цепь питания этой сетки, образуя положительный ток экранной сетки, втекающий в лампу (Fig. 1a).
Fig 1 - Screed-grid current can flow in either direction.
Screen grid intercepts some electrons, drawing positive screen current from the supply.
Screen grid emits more secondary electrons than it intercepts, driving negative screen current back into the supply.

Очевидно, что электронный поток выбирает из поверхностного слоя сетки и вторичные электроны, особенно, тогда, когда анодное напряжение имеет большую величину, например, при слабой связи с нагрузкой усилителя. Электроны, покидающие экранную сетку и присоединяющиеся к основному их потоку, летящему от катода к аноду, создают отрицательный ток экранной сетки, выходящий из лампы (Fig. 1b).
Вот здесь-то и могут начаться неприятности: обратный ток экранной сетки поступает в цепь её питания, что увеличивает напряжение питания сетки. Увеличившееся напряжение питания экранной сетки приводит и к большей эмиссии вторичных электронов из сетки, что, в свою очередь, приводит к ещё большему увеличению напряжения на сетке. Процесс развивается лавинообразно и может привести к серъёзным повреждениям лампы.
Вот почему источник питания экранной сетки должен всегда быть способным “поглотить” отрицательный ток экранной сетки, чтобы не допустить увеличения экранного напряжения.
Старинный способ избежать указанной неприятности заключается в том, чтобы заставить протекать общий ток через резистор утечки (питание с делителя напряжения) (Fig. 2a), поскольку ток утечки поглощает любые изменения напряжения вызванные изменяющимся током экранной сетки.
Fig 2 - Historical screen supplies: (a) Bleeder resistor gives no voltage regulation. (b) Zener diode or VR-tube regulator (zeners shown).

Такая схема включения может поглощать отрицательный ток экранной сетки, но совершенно не стабилизирует напряжение. Следующим шагом вперёд явилась стабилизация экранного напряжения с помощью газонаполненных стабилитронов, позже заменённых полупроводниковыми (Fig. 2b) и это всё, до чего дошёл прогресс к настоящему времени в деле питания экранных сеток тетродов. Здесь полезно бросить взгляд на радикально другой способ питания (Fig. 3).
Fig 3 - The Collins 30S-1 used two separate high-current supplies for the cathode and screen, with choke-input filters but no other voltage regulation at all.
Эта схема с большим успехом использовалась компанией
Collins в своём, разработанном для радиолюбительского рынка усилителе 30S-1 и также во многих других “профессиональных” усилителях. В этих усилителях “формально” не стабилизировано ни одно напряжение питания, но имеется два сильноточных ( от слова “ток” ) отдельных источника питания: один - для анодной цепи, другой - для цепей катода / экранной сетки. Это означает, что любое изменение тока экранной сетки поглощается намного большим изменением тока катода. Вдобавок отметим, что оба источника питания ( анодный и катодно / экранный ) 30S-1
содержат дроссели в цепях фильтрации выпрямленного напряжения, которые обеспечивают лучшую стабильность выходного напряжения, чем современные чисто ёмкостные фильтры питания и это позволяет не смещать рабочую точку лампы, не смотря на действие динамической модуляции ( под действием изменяющихся напряжений на электродах лампы). Как объяснили разработчики из компании Collins, если не стабилизируется ни одно напряжение питания лампы, изменение сетевого напряжения приведёт к пропорциональному изменению всех подводимых к лампе напряжений и ток покоя лампы практически не изменится. Но не всё так просто, как кажется и разработчики из компании Collins ясно дали это понять, если стабилизируется напряжение смещения управляющей сетки, то нужно
обязательно стабилизировать и напряжение экранной сетки, условие, которое более поздние конструкторы РА не соблюдали, скопировав схемные решения 30S-1, а это - очень важно. В наши дни существуют более современные
и лучшие способы стабилизации экранного напряжения путем включения в схемы стабилизаторов электронных компонентов и с малым количеством “тяжёлого железа”.
Финальную точку в деле агитации за стабилизацию экранного напряжения тетродов может поставить тот факт, что вторичная эмиссия электронов с экранной сетки тетродов с течением времени возрастает. Старые лампы без стабилизации экранного напряжения или с плохой стабилизацией могут оказаться неработоспособными, из-за эффекта, описанного выше. С очень хорошей стабилизацией экранного напряжения же, можно “выжать” из старых ламп ещё сотни часов стабильной работы на “радость победителя”.
Как отмечает ARRL Handbook (ежегодно обновляемый американский радиолюбительский справочник), выходная мощность усилителя на тетроде сильно зависит от напряжения на экранной сетке и любые динамические его флуктуации сразу сказываются на увеличении искажений усиливаемого сигнала, приводят к обогащению спектра сигнала за счёт интермодуляции. В линейном усилителе напряжение питания экранной сетки должно поддерживаться с высокой точностью во всём диапазоне токов сетки. До какой же степени следует стабилизировать экранное напряжение? Ответ частично зависит от типа используемого тетрода, но большей частью, от желания получить низкий коэффициент интермодуляции.
Источник питания, описываемый в этой статье, разрабатывался с учётом требований европейских стандартов на работу с DX в соревнованиях, проводимых на УКВ. По сравнению с КВ, уровень шумов и помех на УКВ намного меньше, а вот разница в уровнях принимаемых сигналов заметно выше, даже для местных условий, сравните: КВ-передатчик, работающий на диполь и УКВ-передатчик - на “этажерку” из полотен антенн типа “Yagi” с удлинённой траверсой! А в УКВ соревнованиях 1 района Международного Радиолюбительского Союза (IARU) в двухметровом диапазоне “киловаттники” “накрывают” почти всю Западную Европу. Как в приёмниках применяются меры для расширения динамического диапазона, так и к передатчикам следует предъявлять самые жёсткие требования для уменьшения полосы излучаемых частот, увеличивающиющейся из-за интермодуляции. Эти требования следует выполнять и не только потому, что этого требует инструкция по эксплуатации радиолюбительской аппаратуры, а чтобы в жёстких условиях соревнований не ощутить на себе воздействие мещающих некачественных постоянно “выбивающих “ Вас из “седла” сигналов.
Традиционно радиолюбители проверяют аппаратуру на интермодуляцию в эфире, прослушивая сигнал друг у друга, также путём испытания её двухтональным сигналом. Неинструментальные проверки аппаратуры в эфире, казалось бы, дают мало, по сравнению с измерениями в условиях лаборатории при испытании двухтональным сигналом на точных приборах, но... во многих случаях, первые – намного полезнее, так как, по ним можно судить о всём усилителе в целом, включая блок питания (и в реальных условиях). По обычному двухтональному испытательному сигналу вряд ли можно судить об источнике питания. Обычно измерительная аппаратура “никогда не сдвигается с места” и в лабораторных “тепличных” условиях, даже усилитель с полностью отсутствующей стабилизацией питающих напряжений может оказаться формально “чистым от интермодуляции”. Другое дело - реальная речевая модуляция сигнала.
Если Вы располагаете современным цифровым анализатором спектра, то установите его в режим запоминания пиковых значений импульсов и, просто, поговорите в микрофон. За несколько минут на экране прибора появится очень широкий интермодуляционный спектр, так как анализатор записывает всё, включая и проскакиваюшие импульсы, так называемого, “сплэттера”. В отличие от двухтонального тестирования, “пиковое” даёт более наглядную картину появления интермодуляции высоких порядков, которая ощущается далеко от Вашего полезного сигнала и это хорошо известно Вашим соседям по диапазону (и по дому тоже).
В отличие от статического испытания двухтональным сигналом, реальный речевой осуществляет динамическое управление блоком питания в широком диапазоне аудиочастот от, примерно, 3 кГц непрерывно до частот в несколько герц. Чтобы обеспечить стабилизацию напряжения в диапазоне частот 500...3000 Гц, необходимо параллельно цепи питания экранной сетки просто установить конденсатор большой ёмкости; это самый простой способ “улучшения” результатов тестирования РА двухтональным сигналом. Но на более низких (и инфранизких) частотах конденсатор, увы, не действует.
John Nelson, GW4FRX постоянно ратует за “чистку” сигналов и является ответственным за ряд ключевых разработок в области питания тетродов, в частности, он провёл много испытаний РА на лампах 4СХ250 и 4СХ350 как “двухтональным”, так и “пиковым” способами.
Первый главный вывод, сделанный после испытаний, гласит, что лучшая стабилизация экранного напряжения даёт значительное уменьшение интермодуляции, особенно продуктов высоких порядков, ответственных за значительное расширение спектра сигнала. На Fig. 4 приведена спектральная (интермодуляционная) характеристика двух 4СХ250R, включенных параллельно, работающих в классе АВ1 при выходной мощности 500 Вт РЕР при испытании (даже) двухтональным сигналом при питании экранных сеток от трёх различных источников.
Fig 4 - Better-regulated screen supplies give lower IMD: two-tone performance of a pair of 4CX250Rs with three different screen regulators.

Наименьшая интермодуляция была отмечена при питании экранной сетки через очень эффективный стабилизатор собственной (GW4FRX) разработки. Результат похуже показал тот же стабилизатор с включенным последовательно резистором в 150 Ом для иммитации повышенного выходного сопротивления стабилизатора. Наихудшие результаты (особенно по продуктам высших порядков) были получены с традиционной цепочкой из последовательно включенных стабилитронов, с параллельно включенным накопительным (развязывающим) конденсатором.
Второй главный вывод - применение улучшенной стабилизации экранного напряжения ламп(ы) РА даёт заметно меньшую интермодуляцию, чем указано в технической документации на лампы фирмы Eimac. В эфире этот вывод был подтверждён многими британскими и другими европейскими станциями.
Жесткая стабилизация экранного напряжения в РА в положительную сторону повлияет и на Вашу “эфирную” репутацию!
Следующей причиной уделения столь пристального внимания источнику питания экранной сетки является тот факт, что он может защитить от аварии весь усилитель мощности. Если что-то и случится с РА на тетродах, то это сразу отражается на токе экранной сетки.
Список неисправностей РА, которые могут быть выявлены наблюдением за током экранной сетки, включает в себя:
неправильную настройку анодной цепи ( в том числе, П-контура);
связь с нагрузкой (очень слабая или очень сильная);
большой уровень входной мощности (перекачка);
отсутствие или большое изменение напряжения на аноде, экранной и управляющей сетках;
высоковольтную “дугу” (на РЧ или на постоянном токе );
различного рода утечки, прострелы и искрения и даже перегрев лампы.
Все эти неисправности, так или иначе, вызывают увеличение тока экранной сетки: положительного (прямого) или отрицательного (обратного). Используя схему защиты, описанную ниже, я более 10 лет эксплуатирую ту же пару ламп 4СХ250В, которая даёт 1 кВт выходной мощности на 432 МГц для работы через Луну (ЕМЕ ). Если бы схема не работала так хорошо и надёжно, лампы уже несколько раз пришлось бы поменять (да ещё и произвести сопутствующий ремонт РА).
Но хватит философии, надеюсь, я Вас убедил в том, что у улучшенного источника питания (стабилизатора напряжения) экранной сетки лампы РА много достоинств и перейдём к рассмотрению конкретных схем.
Основы параллельной стабилизации. Из-за необходимости управлять отрицательным (обратным) током экранной сетки все источники экранного напряжения должны быть гальванически соединены с общим проводом. Другими словами: эти источники должны быть параллельными, а не последовательными стабилизаторами.
На Fig. 5 показана базовая схема параллельного стабилизатора напряжения, являющегося делителем напряжения с резистором R1, включенным между полюсом нестабилизированного напряжения и экранной сеткой и включенной между экранной сеткой и общим проводом электронной схемой со стабильным напряжением на ней.
Рассмотрим пути прохождения токов в параллельном стабилизаторе. Ток, протекающий через резистор
R1, всегда имеет одно и то же значение при любых условиях, что меняется, так это только часть общего тока, которая добавляется или к току экранной сетки или к току схемы стабилизации напряжения. Нестабилизированный источник питания экранной сетки и резистор
R1 должны быть рассчитаны на максимальный прямой ток этой сетки, потребляемый лампой, но этот ток должен быть ограничен, чтобы уберечь сетку от рассеивания на ней чрезмерной мощности (перегрева и разрушения). Ток, текущий через схему стабилизации напряжения на общий провод (корпус), должен всегда быть больше, чем максимальный прямой ток экранной сетки, который когда-либо лампа
“попросит”, в противном случае, при значительном увеличении тока экранной сетки, напряжение на ней уменьшится (“просядет”).
Стабилизирующее устройство должно быть способно снижать максимальный обратный ток экранной сетки, который когда-либо появится в лампе и пропускать через себя ток утечки (стабилизации), нужный для поддержания прямого тока экранной сетки. Если стабилизатор не может управлять этими токами, то напряжение на экранной сетке возрастёт и лампа пойдёт “вразнос” (перегреется и выйдет из строя).
В усилителях SSB сигнала максимумы прямого и обратного тока экранной сетки могут “случиться” в самых неожиданных точках огибающей речевого сигнала. Ток экранной сетки может быть близок к нулевому в состоянии покоя (без раскачки), в некоторых тетродах с увеличением уровня раскачки, ток этой сетки сначала становится отрицательным (обратным), затем снова переходит через нулевое значение и, наконец, достигает своего положительного (прямого) пикового значения. В других тетродах ток экранной сетки имеет почти исключительно отрицательный (обратный) характер и переходит на положительный (прямой) только при больших уровнях раскачки. Эти положительные и отрицательные изменения тока могут происходить во время периода звукового колебания, т.е., очень быстро и измеритель тока экранной сетки просто за ними не успевает.
Большие (но быстрые) скачки прямого и обратного тока экранной сетки не отражаются измерителем тока сетки, ввиду его инерционности и могут привести к ложному умозаключению: всё - O’ key! И, значит, к источнику питания сетки не стоит предъявлять повышенных требований, но если экранное напряжение станет нестабилизированным хоть на миг, соседи сразу почувствуют это (и коллеги и телезрители) !
Чем же плоха цепочка последовательно включенных стабилитронов в стабилизаторе на Fig. 2b? У газонаполненных стабилитронов имеется значительное динамическое сопротивление (импеданс) – отношение изменения напряжения к изменению тока, и эти импедансы складываются при последовательном (для получения требуемого напряжения стабилизации) соединении. Часто встречающееся последовательное соединение двух VR105 и одного VR150 (итого: 560 В) имеет динамический импеданс примерно 500 Ом. К сожалению, высоковольтные полупроводниковые стабилитроны (диоды Зенера) нисколько не лучше газонаполненных и стабилизатор, выполненный на них, допускает изменение напряжения питания экранной сетки до нескольких вольт при изменении тока этой сетки в ту или иную сторону от 10 мА. Пассивные стабилизаторы экранного напряжения вряд ли применимы для хорошей стабилизации, на что ясно указывает спектрограмма, приведённая на Fig. 4.
Для отличной стабилизации экранного напряжения, которая позволит лампе работать с минимумом интермодуляции, следует использовать активные (компенсационные) стабилизаторы. Далее, следует отыскать разумно-достаточную по сложности схему стабилизатора (а также и самую простую), удовлетворяющую всем трём требованиям:
Отличная стабилизация напряжения.
Защита лампы и РА в аварийных ситуациях.
“Дуги” и “прострелы” в лампах не должны повреждать стабилизатор.
Два или три транзистора, включенные по простой компенсационной (с обратной связью) схеме образуют эффективный параллельный стабилизатор напряжения, но, если уж идти этим путём, то, помоему, нужно идти до конца. С мощным биполярным или полевым МОП-транзистором в качестве исполнительного в схеме параллельного стабилизатора напряжения, управляемого операционным усилителем (ОУ), улучшение стабилизации просто огромно. Флуктуации напряжения, фон и шум сведены к уровню в несколько десятков милливольт (и это при напряжении 350...400 В !), что - больше, чем нужно для экранной сетки тетрода. Вам просто не нужно будет заботиться о стабилизации экранного напряжения.
Fig 6 - Simplified circuit of G4JZQ’s active shunt regulator.
Базовая схема параллельного стабилизатора взята у G4JZQ (см. список литературы). Регулирующим (шунтовым) элементом в нём является мощный полевой МОП-транзистор Q1, который питается нестабилизированным напряжением через резистор R1. Затвор Q1 соединён с выходом ОУ U1 и управляется им. Часть выходного напряжения стабилизатора подаётся на неинвертирующий вход U1, а на инвертирующий вход подано стабильное опорное напряжение. Чтобы проанализировать как работает схема стабилизатора допустим, что выходное напряжение стабилизатора по каким-либо причинам начинает расти. Через делитель напряжения R2/R3 это скажется и на неинвертирующем входе ОУ U1, напряжение на котором возрастёт, что повлечёт за собой увеличение выходного напряжения ОУ и напряжения на, соединённом с ним, затворе Q1. Это откроет Q1 сильнее, увеличившийся ток через этот транзистор уменьшит выходное напряжение стабилизатора. Точно то же, но с обратным знаком, произойдёт, если выходное напряжение стабилизатора “осмелится упасть”: Q1 призакроется и напряжение на выходе стабилизатора увеличится, причём, ровно на столько, чтобы поддержать выходное напряжение стабильным (устранить его изменение). Этот стабилизатор обладает глубокой обратной связью и обеспечивает стабилизацию в большом диапазоне частот токов нагрузки.
Обычный ОУ с внутренней коррекцией здесь непригоден: он будет самовозбуждаться. Простой выход из положения предложил G4JZQ, - использовать ОУ без коррекции (такой, например, как 748) с глубокой внешней коррекцией через цепочку R4C1. Если Вы не знаете, что это за ОУ такой - 748, так это просто Ваш старый знакомый 741 (140УД7), только без внутренней цепи коррекции. С2 “отвечает” за стабильность обратной связи в высокочастотной области, как С3 – в низкочастотной. Эта базовая схема стабилизатора хорошо зарекомендовала себя, имеет большой диапазон напряжений стабилизации, проверена во многих вариантах с биполярными, полевыми МОП- транзисторами и с использованием большего усиления в петле обратной связи, чем показано на схеме. В заключение, следует отметить, что регулирующий транзистор Q1 в с е г д а находится в открытом состоянии, которое требует присутствия на затворе Q1 напряжения примерно + 2 В. Так как напряжение на выходе U1 не опускается до этого значения при использовании однополярного питания, делитель напряжения R5/R6 позволяет U1 работать при более подходящем выходном напряжении + 4 В.
По двум причинам, в стабилизаторе лучше использовать силовые полевые МОП-транзисторы, чем более привычные – биполярные. Одной из них является высокое входное сопротивление МОП-транзистора, - ими легко управлять на низких частотах. Второй причиной предпочтительного применения МОП-транзисторов в стабилизаторах экранного напряжения является неприятная комбинация: высокого напряжения, довольно большого тока (если учесть ещё и аварийные ситуации) и рассеивание большого количества тепла, которая может привести к неожиданному выходу из строя биполярного транзистора по причине, так называемого “второго пробоя” (видимо, теплового). Мощные полевые МОП-транзисторы не имеют такого пробоя и являются, таким образом, лучшим выбором для стабилизатора питания экранной сетки тетрода. С небольшими предосторожностями, чтобы избежать электростатического пробоя (при монтаже обкрутить выводы тонким голым проводом, который после монтажа удаляется, монтировать в схеме стабилизатора последними) такие транзисторы легко монтируются в схему и, будучи однажды установленными, долго и надёжно работают. Цены на них также невелики: 1000-вольтовые транзисторы с рассеиваемой мощностью более 100 Вт при температуре + 25 градусов Цельсия стоят менее 5 долларов каждый. (Стоимость транзистора IRF840 в Тюмени составляет 30 рублей на ноябрь 2001 г.)
Номинал резистора R1 является определяющим. Вместе с источником нестабилизированного напряжения питания R1 определяет максимально достижимый в этой цепи ток (ограничивает его) и также определяет остаточное рассеивание мощности на Q1. Когда в цепи экранной сетки тетрода протекает положительный (прямой) ток, то этот ток не протекает через Q1 и рассеяние мощности на
нём снижается. Максимальный ток, который можно получить от стабилизатора, без утери стабилизации напряжения, будет в ситуации, когда Q1 не проводит совсем (в точке запирания транзистора). Самый худший случай (самый тяжёлый режим) для Q1 наступает тогда, когда в цепи экранной сетки длительное время протекает отрицательный (обратный) ток, который увеличивает мощность, рассеиваемую на Q1, в силу того, что этот ток замыкается (стекает) на общий провод через транзистор, суммируясь с нормальным током стабилизации, протекающим через R1. Исходя из этого, максимальная рассеиваемая мощность на Q1 равна:
(стабилизированное напряжение) х (максимальный обратный ток экранной сетки + максимальный прямой ток экранной сетки)
К счастью, не вся подсчитанная мощность может быть рассеяна только Q1, можно включить последовательно мощный резистор R7, чтобы разделить нагрузку. Но применение R7 сужает диапазон возможного изменения прямого и обратного токов экранной сетки, поэтому к применению R7 нужно отнестись серьёзно и тщательно подобрать его номинал (или, лучше, вовсе отказаться от применения R7, использовав в качестве Q1 транзистор с очень большой, - с запасом, допустимой максимальной мощностью рассеивания).
Защита от “прострелов”. До сих пор мы рассматривали только нормальную работу лампового РА. Что же делать, когда происходит, например, “прострел” лампы? Многие конструкторы любительских РА, похоже, игнорируют возможность их аварий, надеясь на “авось” или обрекают себя на постоянные мучения, - восстанавливают РА после каждой такой, обычной для РА, аварии. Я считаю такой подход полностью неприемлемым. Цель разработки: обеспечить “нулевые” повреждения усилителя, из-за любого, пусть самого малого пустяка, должна срабатывать защита, затем, Вы нажимаете кнопку “Сброс” и все функции РА восстановлены, - Вы снова в эфире. Даже сильный “прострел” не должен нанести больший урон РА, чем замена сгоревшего предохранителя, а для этого, известно, не нужно даже включать паяльник. “Прострелы” являются главной причиной повреждения ламп и сопутствующих ей деталей в РА. Если Ваш усилитель нечувствителен к “прострелам”, то он, возможно, “вынесет” и другие аварийные ситуации. Такие ситуации могут возникнуть как внутри лампы, так и вне её корпуса, например, по причине неточной настройки, при наличии пыли и вкраплений в воздухе, которым обдувается лампа, при наличии ионизации газа внутри баллона лампы (особенно, в первые сотни часов эксплуатации), порой даже, вроде, совсем нет для “прострела” причин и, вдруг, - бах!!!
Эффект прострела объясняется как закорачивание источника высокого напряжения анодного питания через низкоомную электрическую “дугу” (с анода к общему (отрицательному) полюсу). Сила тока в “дуге” – значительна и эффект, производимый “дугой” во время “прострела” разрушителен. Когда тетрод “простреливается”, внутренняя “дуга” повреждает экранную сетку, а внешняя – контактные кольца, цоколь лампы, ламповую панель. Затем разрушительный “блуждающий” ток “крушит” и источник питания. Жизненно необходимо на время, исчисляемое микросекундами, защитить детали усилителя и “погасить дугу” как можно быстрее.
Если Вы интересуетесь вопросами анодно-экранного питания, то абсолютно важными являются следующие постулаты, которые, в большинстве своём, справедливы и для РА на триодах:
В высоковольтных источниках питания используйте последовательно включенный токоограничительный резистор. Для обычного, в таких случаях, источника питания с выходным напряжением 2...3 кВ фирма Eimac рекомендует применять резистор, ограничивающий импульс аварийного тока 40 амперами, другими словами, сопротивлением примерно 50 Ом. Этот резистор, на короткое время, исчисляемое миллисекундами, должен выдерживать полное напряжение анодного питания без образования внутренних искрений, “дуг” и т. п. Здесь больше подходят 50...100-ваттные резисторы с удлинённым корпусом.
Смонтируйте защиту от превышения напряжения на экранной сетке, включив между ней и катодом (общим проводом) варисторы или разрядники, например, фирмы Siemens. Когда “случится дуга”, эти детали пропустят через себя разрушительные токи, защитив лампу, развязывающий низковольтный конденсатор в цепи экранной сетки и блок питания. Варисторы и разрядники можно приобрести за несколько долларов, однако, они защищают лампы и панели к ним стоимостью в сотни долларов! Есть над чем задуматься.
Отключайте сетевое напряжение у высоковольтного трансформатора как можно быстрее, чтобы ограничить энергию “дуги”. Не ждите, пока сгорит предохранитель, используйте схемы опознавания аварии и быстродействующие прерыватели (быстродействующие схемы защиты). Полупроводниковые (твёрдотельные) реле могут отключать сеть за время, не превышающее 10 миллисекунд, т. е., уже при следующем переходе напряжения в цикле через нуль.
Защита измерителей тока и напряжения в цепях высоковольтного напряжения, а также шины отрицательного полюса высокого напряжения от действия разрушительных токов - очень важны, но находятся за рамками настоящей статьи.
Защищайте источник экранного напряжения, но без риска для “здоровья” лампы.
На Fig. 7 показано несколько схем экранного питания, которые не обеспечивают эффективности работы и не защищают лампу от повреждений. Некоторые из них, похоже, были разработаны, исходя из распространённого убеждения, что при аварии лучше сохранить блок питания, чем лампу, или, что нужно выбирать что-либо одно, что “сердцу милее” - неверное утверждение, - в действительно хорошем устройстве должно быть защищено всё!
Fig. 7 - Bad screen circuits – see text for reasons.
На Fig. 7a схема содержит слаботочный предохранитель. А он ведь может и не сгореть и тогда... “дуга” бесстрастно поднимет экранное напряжение до уровня анодного. Даже если лампа это и “переживёт”, то может “не выдержать” развязывающий конденсатор в цепи экранной сетки и его дорогостоящее окружение (может произойти взрыв). Варистор или разрядник могут спасти ситуацию, но это - лишь “припарка” для изначально плохой схемы. На Fig. 7b присутствуют от одного до нескольких диодов блокирующих (защищающих) полупроводниковые стабилитроны. В нормальном режиме эта схема абсолютно не стабилизирует напряжение при обратном токе экранной сетки и, возможно, даже провоцирует “прострелы”. Если такой “прострел” случится, то, будет “жива” эта схема или нет, целиком будет зависеть от наличия высоковольтного разрядника.
Схема на Fig. 7c более чувствительна к перегрузкам, чем предыдущие. Здесь в схеме опознавания аварийного тока экранной сетки используется небольшое реле, но оно медленно срабатывает, а активное и реактивное сопротивления его обмотки вносят свои значительные негативные коррективы в динамический импеданс источника экранного напряжения.
На Fig. 7d показана схема применения в цепи экранной сетки антипаразитного резистора сопротивлением 100 Ом. Эта схема, по-видимому, просто срисована с аналогичной, применявшейся в годы, когда в моде были усилители класса С. К сожалению, падение напряжения на резисторе ухудшает стабилизацию экранного напряжения. Как сказано дальше, очень просто превратить этот резистор в демпфирующий дроссель с минимальным падением напряжения.
Протекание токов в цепях питания экранной сетки.
Измерение тока экранной сетки в тетродах важно, по той простой причине, что это - самый надёжный индикатор настройки и контроля в усилителе. Вдобавок к визуальному контролю тока экранной сетки, полезно использовать измеритель как электронный датчик режима аварии в РА. Электронные схемы реагируют на неисправность намного быстрее, чем Вы себе можете представить.
Fig. 8 - An opto-coupled screen current monitor and alarm circuit.
На Fig. 8 представлена схема контроля тока экранной сетки с помощью оптопары и может работать при любом напряжении. Мостовой выпрямитель BR1 позволяет схеме реагировать как на прямой, так и на обратный ток экранной сетки, а внешние резисторы и стабилитрон D1 предназначены для защины оптопары при “прострелах” и к. з. Как и реле перегрузки на Fig. 7c оптоэлектронный датчик тока создаёт значительное падение напряжения, но это не имеет значения, если схема включена в петлю обратной связи стабилизатора напряжения. Оптопара передаёт сигнал, соответствующий величине тока экранной сетки в схему управления усилителем, где он может быть использован соответствующим образом,например, для управления небольшим исполнительным тиристором как показано на Fig. 8. Рабочая точка переключателя стабилизирована стабилизатором U2 и устанавливается подстроечным резистором RV1. При номиналах деталей, указанных на схеме, точку срабатывания защиты можно устанавливать для тока экранной сетки в пределах +/- 20...+/- 40 мА.
Когда тиристор Q1 срабатывает, транзистор Q4 запирается и выключает РА, отключением напряжения питания 24 В постоянного тока со всех реле, включая реле заземления экранной сетки и сетевое реле с двумя группами контактов, которое включает высоковольтный трансформатор. Аварийный индикаторный светодиод зажигается, тиристор Q1 находится в проводящем включенном состоянии (“залипает”) до тех пор, пока Вы нажмёте на кнопку SW1 - “сброс” или отключите питание РА. Если была лишь одиночная небольшая неисправность, то, после нажатия на кнопку “сброс”, можно продолжать работу в эфире. Другие сигналы аварийного состояния РА можно ввести в цепь управляющего электрода или анода Q1, как показано в приложении к Fig. 8. На управляющий электрод Q1 нужно подавать прямой ток для переключения тиристора, а несколько входов, для исключения взаимного влияния, следует развязывать диодами. При подаче управляющего сигнала с любого из входов Q1 включается и остаётся в проводящем состоянии до тех пор, пока не будет нажата кнопка “Сброс”. Если Вас не устраивает тиристорная “залипающая” защита, можно соединить с общим проводом анод Q1, что позволяет держать выключенным РА до момента, когда Вы это соединение разорвёте. Решайте сами, нужно ли Вам автоматическое отключение РА во время аварии (мне – да, да и ещё раз – да! Особенно, в 3 часа утра да ещё при работе в соревнованиях, когда из аварии РА не стоит устраивать вселенский переполох и шумом поднимать всех спящих на ноги). Аварийное отключение РА можно производить ещё и, например, по сигналу оптопары второй лампы РА; в случае появления тока управляющей сетки в лампе усилителя класса АВ1, чтобы предотвратить перекачку; в качестве блокировки включения РА до прогрева катода ламп(ы) РА или при недопустимо большой температуре внутри РА.
Практическая схема стабилизатора.
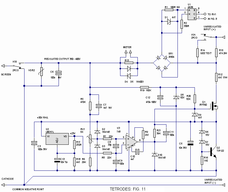
Ну, вот, мы и подготовились к тому,чтобы взглянуть на схемы практических конструкций стабилизаторов экранного напряжения. На Fig. 9 приведена полностью работоспособная версия с Fig. 6, которая, к тому же, содержит датчик тока с Fig. 8. С номиналами деталей, указанными на схеме, выходное напряжение может быть установлено в пределах 350...400 В. Выходное напряжение определяется опорным напряжением 12 В с выхода U2, которое сравнивается с частью выходного, подаваемого с RV1. R14 - балластный (и защитный) резистор в цепи нестабилизированного напряжения, которое должно быть, по крайней мере, на 30...40 В выше стабилизированного выходного.
Fig. 9 - Complete 350-400V screen regulator and fault detector circuit for grounded-cathode operation.

Поскольку стабилизатор высокоэффективен, нет необходимости в малом изменении напряжения на его входе под действием тока нагрузки (может быть и больше). Единственным важным условием остаётся лишь "запас на стабилизацию" 30...40 В, который должен быть в любом случае, в том числе, и при снижении напряжения в сети при максимальном токе нагрузки. Номинал резистора R14 зависит от того, какое напряжение мы оставим на стабилизацию ( падение напряжения на регулирующем элементе – разница между входным и выходным напряжением стабилизатора ) и максимального прямого тока экранной сетки, который должен обеспечить стабилизатор. Поскольку этот стабилизатор - параллельного действия, ток, протекающий через R14 почти всегда имеет одну и ту же величину при всех условиях, если что-то и меняется здесь, то это часть тока, протекающего через R14, которая либо протекает через экранную сетку, либо отводится на корпус через Q1. Значение сопротивления R14 следует подобрать по необходимому току через Q1 (который должен быть (и, для надёжности, намного) меньше максимально допустимого тока стока Q1) при отключенном от лампы стабилизаторе.
R12 – мощный резистор, берущий на себя отвод части тепла, выделяемого на Q1, так что транзистор можно разместить на небольшом радиаторе. Чтобы ещё уменьшить нагрев, в режиме приёма контакты реле К1А переключают стабилизатор в режим пониженной мощности. R15 позволяет получить ток через Q1 порядка 3 мА, которого достаточно, чтобы стабилизатор не вышел из режима стабилизации и позволяет быстро вернуться к нормальному “сильноточному” режиму при переключении РА в режим передачи.
Контакты реле К1В соединяют экранную сетку лампы РА с корпусом в режиме “приём” и в том случае, если произойдёт авария РА. Это также способствует защите сетки от разрушения со стороны высокого анодного напряжения, которое может произойти при очень больших токах в её цепи. В случае, если это произойдёт, К1В быстро сработает (реле отпустит якорь) и заземлит сетку. В те несколько миллисекунд, пока реле К1 переключается, максимальный ток экранной сетки ограничивает R14. Таким же образом, R14, BR1 и элементы у оптопары U1 призваны защитить экранную сетку от больших токов до тех пор, пока К1В переключится. R4 – постоянный резистор делителя напряжения, установлен в РЧ отсек усилителя и обеспечивает постоянство присутствия “земли” для цепи экранной сетки, когда контакты К1В переключаются или, когда источник экранного напряжения находится в отдельном блоке, который по тем или иным причинам может быть отключен от РЧ отсека. Если через R4 протекает ток в 10 мА при подключенном экранном напряжении, то он будет достаточно небольшим и при переключении К1В. Для экранного напряжения в 360 В R4 должен быть сопротивлением порядка 36 кОм с мощностью рассеивания порядка 10 Вт, чтобы обеспечить надёжную работу без нагрева.
Измеритель тока экранной сетки должен обеспечивать измерение как прямого, так и обратного тока в её цепи и ток утечки через R4 в 10 мА, который показывает обычный измеритель с нулём в левой части шкалы будет показывать + 10 мА, тогда как ток собственно экранной сетки будет равен нулю. Это обстоятельство очень важно, так как Вы будете иметь возможность наблюдать изменение как прямого, так и обратного тока сетки, не применяя специальной измерительной головки с нулём в середине шкалы. Например, обычная головка 0...20 мА позволит точно измерять токи от - 10 мА до + 10 мА. И ничего, ток через R4 имеет не такое значение, которое бы Вам хотелось, можно просто подвернуть стрелку регулировочным винтом при включенном экранном напряжении и отсутствии тока экранной сетки. Менее желательным является то обстоятельство, что шкала тока экранной сетки является асимметричной. Например, с помощью BR1 датчик тока установлен на +/- 25 мА, 10 мА тока утечки через R4 означают, что прибором можно измерять реальные токи экранной сетки от - 35 до + 15 мА. На практике, это – не проблема, потому, что в нормальном режиме работы рассеиваемая мощность на экранной сетке тетрода никогда не приближается к предельной. Как показано на Fig. 10, для защиты лампы, Вы можете устанавливать пределы изменения тока асимметрично.
Fig. 10 - The screen-current trip can be adjusted to cover the normal range of operation and also protect against excessive dissipation, even through the center-zero is offset from true screen current by the bleed current through R4 (Figs 9 and 11).

R3 и RFC1 отделяют развязывающий конденсатор С1 от остальной схемы. Важно не допустить параллельного резонанса С1 с собственной индуктивностью обкладки конденсатора, такого, например, как С6, который повлияет на стабильность экранного напряжения в радиодиапазоне. Например, используя анализатор MFJ-259, я выявил сильный параллельный резонанс на 15 МГц, контур “составился” из ёмкости панели Eimac SK-620A и индуктивности плёночного конденсатора, который обычно применяют в качестве С6. Дроссель RFC1 содержит примерно 40 витков обмоточного эмалированного тонкого провода, намотанном на одноваттном углеродном или металлоплёночном (непроволочном) резисторе сопротивлением 100 Ом (R3). Включение этой комбинации (дроссель-резистор) между С6 и панелью лампы полностью устраняет параллельный резонанс паразитного контура без существенного снижения экранного напряжения. (Если рассматривать питание экранной сетки с позиций переменного тока, то, при наличии паразитных параллельных колебательных контуров, на их резонансной частоте, будет присутствовать мгновенное изменение напряжения экранной сетки, знак которого будет зависеть от включения контура в цепь сетки, последовательно или параллельно, а последствия описаны выше). Отметьте применение двух варисторов для защиты экранной сетки от перенапряжений, возникающих при “дуге” и “прострелах” со стороны высоковольтного анодного питания. Варисторы срабатывают в очень короткое время, исчисляемое наносекундами и обеспечивают защиту от разрушительного переднего фронта высоковольтного импульса, как только наступит аварийная ситуация. VDR1 – защищает лампу, а VDR2 – остальную схему.
Варисторы обычно различают по номинальному переменному напряжению и способности поглощать энергию. Для нашего случая, необходимо выбрать варисторы с гарантированным минимальным напряжением включения, превышающем имеющееся экранное, по крайней мере, на 20 В, так, чтобы в нормальном состоянии варисторы совсем не проводили, а напряжения включения (пробоя) варистора было бы не слишком высоким, иначе, он не спасёт лампу и развязывающий конденсатор на экранной сетке при аварии. Под гарантированным минимальным напряжением включения (пробоя) варистора подразумевается пиковое (амплитудное) значение переменного напряжения, указанного на корпусе варистора при токе утечки через него примерно в 1 мА . Если взять, например, варисторы GE-MOV (Harris Semiconductors), то 275-вольтовые варисторы V275LA40B (значение указано для переменного действующего напряжения) подходят для экранного напряжения 350...370 В, а V320LA40B – для более высоких напряжений до примерно 440 В. Способность к поглощению энергии оценивается у них в 140...160 дж , что выглядит обнадёживающе.
На практике варисторы обеспечивают защиту от повторяющихся “прострелов”. Вместо варисторов, Вы с успехом можете применять газонаполненные разрядники, например, фирмы Siemens, с соответствующими напряжениями пробоя, это - дело вкуса и доступности.
Во время “прострела” импульс тока, возвращающийся через общий провод к VDR2, может достигать значения в 30...40 А и ограничен только величиной сопротивления резистора в “плюсовой” шине питания. Если такой ток пройдёт по тонкой “земляной” шине низковольтной “начинки” усилителя, то падение напряжения на ней, может вызвать выход деталей из строя, - с таким явлением (“ударом по земляной шине”) я столкнулся, изготавливая более ранний прототип стабилизатора. Поскольку ток возвращается по шасси к VDR2, для всей схемы должна быть общая “земляная” шина, как указано на Fig. 9.
С вышеописанными мерами безопасности и с важным, во всех случаях, ограничивающим резистором в "плюсовой" шине высоковольтного питания, этот источник "переживёт" повторяющиеся "прострелы" и короткие замыкания анодного питания через "дугу".
“Плавающий” (двухполярный) стабилизатор.
Схема на Fig. 9 предназначена, в основном, для включения тетрода с общим (“заземлённым”) катодом, потому, что использует 24-вольтовый источник питания реле для питания ОУ (U3) и источника опорного напряжения (U2). Имеется ещё много конфигураций питания постоянным током тетродных усилителей, использующих подачу “раскачки в катод” и различные способы гальванического и радиочастотного заземления управляющей и экранной сеток, но они требуют “плавающего” источника экранного напряжения.
Fig. 11 - Fully-floating 350-400V screen regulator, generating its own +30V rail for the op-amp and voltage reference.

Разумное решение проблемы приведено на Fig. 11, опять, спасибо G4JZQ, который “занял” энергию для питания U2 и U3 у “самого” источника экранного питания. Q2, D6 и D7 образуют простой параллельный стабилизатор для питания двух микросхем, а регулирующий транзистор Q1 формирует шину питания + 30 В. Через согласующий по уровню делитель R20/R21 выход U2 подключен к затвору Q1. Чтобы получить “плавающий” (двухполярный) выход, у этой схемы имеется общая шина, вместо общего “отрицательного” шасси, как на Fig. 9.
Чтобы избежать разрушительного действия токов на отрицательной шине и в низковольтной части РА, все соединения “общего” провода должны быть сведены в одну общую точку, как показано на схеме.
Что касается Fig. 9 , то эта версия источника питания показала себя высокоэффективной и её прототипы используются в Европе многие годы. Стабилизаторы экранного напряжения на Fig. 9 и Fig. 11 разработаны на выходное напряжение 350...400 В, - этот диапазон напряжений подходит для большинства современных металлокерамических тетродов, используемых радиолюбителями в классе АВ1 или АВ2, включая все лампы серий 4СХ250. 4СХ350, 4СХ400, 4СХ800 и 4СХ1600. Наиболее выгодный режим каждой лампы, в отдельности, может быть подобран согласно прилагаемой к ней технической документации. Для ламп 4СХ1000 и 4СХ1500, которым, возможно, необходимо экранное напряжение в диапазоне 300...350 В, R6 следует увеличить до 16...18 кОм. С соответствующими изменениями эта же схема может работать до 1000 В, напряжения, которое является практически предельным для доступных мощных полевых МОП-транзисторов.
Заключение.
Эта статья задумывалась как источник новых идей. Стабилизатор экранного напряжения и схема защиты могут также быть использованы для улучшения действующих РА на тетродах. Они тщательно проверены и могут “выносить” повторяющиеся высоковольтные “прострелы” и “дуговые” разряды. Подробности, а также схемы в формате PDF, можно найти по адресу: htmp://www.ifwtech.com/g3sek/boards/tetrode/tetrode-3.htm
Всегда существовало мнение, что тетроды сложнее триодов. Может быть схема РА на тетродах немного сложнее, чем хотелось бы... Но я дал объяснение и обоснование некоторым сложностям, а Вы уж сами выбирайте, а заодно и избавитесь от распространённых ошибок. Вы только попробуйте сделать такой усилитель и наступит эра качества Вашего эфирного сигнала, безопасной безаварийной работы и умиротворённость на всё время работы с РА.
Я благодарен Джону Нельсону, GW4FRX и Мелвину Ноаксу, G4JZQ за предоставленный блок питания для тетродов и измерительную аппаратуру, которые позволили мне начать эксперименты, а также GW4FRX за предоставленные результаты исследования РА на интермодуляцию (Fig. 4). Большое спасибо Марку Манделькерну, К5АМ, Биллу Сабину, W0IYH и Тому Рочу (Рауху), W8JI за советы при подготовке текста для печати на территории США.
Свободный перевод с английского В. Беседин (UA9LAQ) ua9laq@mail.ru
Эксплуатация тетродов при различных экранных напряжениях и токах
Ian White, G3SEK The Tetrode Boards, Приложение 3
Эта статья предназначена для конструкторов, имеющих достаточный опыт обращения с высоковольтными устройствами.
Помните! Вы работаете с сетью переменного тока напряжением 220...250 В и высокими напряжениями постоянного тока.
Внимание: не используйте питание экранных сеток тетродов от высоковольтного анодного источника через гасящие резисторы, - это может кончиться серьёзной аварией и повреждением деталей РА. Всегда используйте отдельную обмотку для питания экранной сетки!
1.Работа при различных напряжениях на экранной сетке.
В части 7.3 основного справочника по усилителям на тетродах “Tetrode Boards” (Приложение 1), показано как адаптировать экранное напряжение к той или иной лампе в диапазоне примерно 350...400 В. Это применимо к большинству металло-керамических тетродов с мощностью рассеивания до 1,5 кВт.
Для других напряжений, за пределами указанного выше диапазона, нужно изменить номинал резисторов R8 или R9 так, чтобы напряжение на движке RV1 составило 23 В.
для меньших напряжений нужно увеличить сопротивление резистора R9. Для лампы 4СХ1500 необходимо экранное напряжение 275 В и R9 равно 33 кОм;
для больших напряжений нужно увеличить сопротивление резистора R8, но, однако, не следует превышать допустимых для резисторов напряжений. Чтобы удовлетворить этому требованию, следует разбить сопротивление R8 на две равные части, применив два резистора вместо одного, включив их последовательно;
контакты реле К1 должны выдерживать напряжение до 600 В, но я не могу этого гарантировать, так как данные на реле найти не удалось. Для надёжности при высоких напряжениях вместо реле К1 следует использовать выносное 12-вольтовое реле;
возможно, Вам придётся сменить варисторы, которые в цепи экранной сетки должны быть того же типа, как и VDR1 и VDR2 на плате G2-CONTROL.
Соответствие между типом варистора (Harris / GE-MOV) и экранным напряжением при котором они работают приведено в таблице 1.
Если Вы смените выходное напряжение стабилизатора, в расчёте на работу с другой лампой, Вам нужно будет изменить значения сопротивлений R12 и R14 и сопротивление резистора утечки с экранной сетки на катод. В следующем разделе описано как сделать это.
2.Работа при различных токах.
В этом приложении рассказывается о том, как рассчитать величины токов, сопротивления резисторов и рассеиваемую мощность в параллельном (шунтовом) стабилизаторе экранного напряжения в РА на тетродах. Для полного объяснения необходимости стабилизации экранного напряжения обратимся к литературе [ 1 ].
Таблица 1.

Экранное напряжение, В Марка варистора (GE – MOV )
Доводы, изложенные в этом приложении, применимы к любому параллельному стабилизатору напряжения, но я использовал собранный из набора “Tetrode Board”.
2.1. Упрощённая схема.

На Fig.1 показана упрощённая схема питания экранной сетки. Это позволяет сфокусировать внимание на узлах, которые рассматриваются в этом Приложении. Источник нестабилизированного (“сырого”) напряжения экранного питания заменён эквивалентной схемой источника напряжения с фиксированным внутренним сопротивлением.
Ток вытекает из источника питания, течёт через постоянный резистор R14 и разделяется на две ветви. Часть тока уходит к экранной сетке тетрода, протекает через измеритель тока. Переключающее реле К1 показано в положении “Передача” и соединяет источник питания с экранной сеткой тетрода. В режиме “Приём” реле К1 закорачивает экранную сетку на катод, прерывая анодный ток. Резистор утечки экранной сетки R1 предназначен для подавления скачков экранного напряжения в течении нескольких миллисекунд пока реле переключается и ток утечки через R1 тому порука. На Fig.1 показан также варистор, который защищает экранную сетку и развязывающий её конденсатор, находящийся в трубчатой ламповой панели от высокого напряжения в случае аварии [ 1 ]. Через варистор в нормальном (не аварийном) состоянии ток, практически, не протекает и о нём можно больше не упоминать.
Другая часть тока, протекающего через R14, идёт через R12 и управляющий элемент стабилизатора, которым в данной схеме яавляется мощный полевой МОП-транзистор (но может быть и биполярный) и даже лампа. Стабилизация напряжения достигается изменением действующего сопротивления Q2. Если по какой-либо причине стабилизируемое напряжение увеличивается, схема увеличивает напряжение на затворе Q2 и сильнее его открывает, что эквивалентно уменьшению сопротивления сток-исток Q2. Это увеличивает ток через R12 и Q2 и снижает напряжение на экранной сетке до исходной величины, ликвидировав его повышение. Таким же образом, если стабилизируемое напряжение будет уменьшаться, схема "подзапрёт" Q2, что эквивалентно увеличению сопротивления сток-исток Q2 и приводит к соответствующему увеличению напряжения на выходе стабилизатора для компенсации его падения.
Есть одна особенность, свойственная только схеме “Tetrode Boards” [ 1 ], - исток Q2 находится под постоянным по величине напряжением + 30 В, а это влияет на величину напряжения сток-исток транзистора и рассеиваемую им мощность.
2.2. Ещё проще.
Чтобы рассчитать номиналы применённых в стабилизаторе компонентов, ещё упростим схему питания экранной сетки как показано на Fig.2.

Здесь мы опустим внутреннее сопротивление источника нестабилизированного напряжения и выделим пять токов:
- I1 – ток от нестабилизированного источника;
- I2 – ток через R12 и Q2;
- I3 – ток через измеритель тока экранной сетки;
- I4 – действующий ток экранной сетки, втекающий в лампу (прямой), но может быть и обратным;
- I5 – ток утечки через R1.
Определим также четыре напряжения:
- Vu – входное нестабилизированное напряжение;
- Vr – стабилизированное экранное напряжение. Схема стабилизатора контролирует это напряжение, поддерживая его постоянным, (сопротивление измерительной головки небольшое), примем, что напряжение в точке соединения R14 и R12 равно напряжению на экранной сетке;
- Vd – напряжение на стоке Q2;
- Vs – напряжение на истоке Q2.
Расчёт при этом очень прост. Будем “плясать от печки”, простите, - лампы и зададим ток утечки экранной сетки равным 10 мА, тогда R1 будет:
R1 = Vr / 10 мА
Конечно, ток утечки экранной сетки I5 не обязательно будет равен 10 мА. Если Вы примените номинал резистора ниже расчётного, то получите (согласно того же расчёта) увеличение тока утечки экранной сетки. Можно скомпенсировать этот ток, установив “нуль” измерительной головки механическим корректором (как это сделать см. часть 3.4 и 7.3 Приложения 1).
Затем высчитываем:
I5 = Vr / R1
Рассеиваемая мощность на R1 = (Vr x 10 мА). Применяйте здесь только мощные резисторы.
I3 = I4 + I5
Измеритель тока экранной сетки показывает величину I4 и всегда его показания будут большими, чем реальная величина тока экранной сетки I6 из-за тока утечки через R1 - I5.
I1 = I2 + I3
Возможно, Вы не заметили, что величина тока I1 в с е г д а постоянна. Если, скажем, ток экранной сетки увеличится на 1 мА, это означает, что ток I3 увеличился на 1 мА, но это и означает, что напряжение экранной сетки, при этом, не изменилось, а, просто, ток I2 уменьшился на 1 мА, а ток I1 остался прежним. Изложенное выше означает, что у источника нестабилизированного питания имеется постоянная нагрузка, значит, ток нагрузки постоянен, но это и налагает на стабилизатор некоторые ограничения, о чём речь пойдёт дальше.
2.3. Ограничения стабилизации.
Как только ток экранной сетки возрастёт, ток I2 через R12 и Q2 уменьшится, чтобы поддержать напряжение Vr стабильным, но если ток I3 будет равен току I1, то Q2 полностью запрётся и не будет ьольше участвовать в процессе стабилизации напряжения (на практике же стабилизация напряжения может “сорваться” уже при I2 меньше 5 мА). Если I3 будет расти и далее, то выходное напряжение стабилизатора начнёт падать. Напротив, при некоторых условиях, в лампах РА, из-за вторичной эмиссии, возникают значительные обратные токи экранных сеток. Обратный ток сетки складывается с током I2, увеличивая его величину и заставляет Q2 открываться сильнее, чтобы поддержать неизменным выходное напряжение стабилизатора (напряжение на экранной сетке тетрода РА). Когда Q2 полностью откроется, то он уже не сможет управлять током стабилизации и, при дальнейшем увеличении обратного тока экранной сетки будет увеличиваться экранное напряжение (выходное напряжение стабилизатора). Это может привести к аварии, лампа пойдёт “вразнос”: увеличивающееся напряжение на экранной сетке увеличивает анодный ток лампы, который, в свою очередь увеличивает вторичную эмиссию электронов из самой экранной сетки, а это увеличивает обратный ток сетки, а он - экранное напряжение... Круг замкнулся, процесс развивается лавинообразно и приводит к выходу лампы РА из строя и к аварии РА в целом.
Поэтому стабилизатор напряжения должен быть построен таким образом, чтобы сохранять выходное напряжение стабильным до тех пор, пока прямой и обратный токи экранной сетки достигнут своих максимальных значений и отключать РА схемой защиты, сразу же, как только стабилизация будет нарушена.
2.4. Два случая.
Чтобы полностью разработать схему стабилизатора, исходя из вышеперечисленного, мы должны рассчитать напряжения, токи и рассеиваемую мощность при двух условиях:
при максимальном прямом токе экранной сетки;
при максимальном обратном токе экранной сетки.
Возмём пример из практики: для ламп, подобных 4СХ1500, необходимо напряжение экранной сетки в 275 В при токе этой сетки, скажем, от + 40 до - 40 мА. На практике, токи будут меньше, значения токов взяты большими для “перестраховки”. Возьмём входное нестабилизированное напряжение равным 350 В (я к этой величине напряжения пришёл позднее) и R1 (резистор утечки экранной сетки) сопротивлением 27,5 кОм, дающий ток утечки ровно 10 мА. Максимальный прямой ток сетки при этом будет равен:
I3 = 10 + 40 = 50 мА (см. Fig.3)

В этом случае, Q2 - почти закрыт, но нам необходимо, чтобы через него проходил ток стабилизации порядка 10 мА, чтобы быть уверенным в том, что стабилизатор стабилизирует напряжение. А это означает, что I1 = 10 + 50 = 60 мА, но ведь ток I1, согласно правилу постоянства нагрузки источника питания параллельным стабилизатором, будет равен 60 мА и при других, прочих условиях, а из этого следует:
R14 = (350 – 275) В / 60 мА = 1,25 кОм
Рассеиваемая мощность на резисторе R14=(350 – 275) В х 60 мА=4,5Вт
Чтобы резистор не сильно нагревался, следует применить здесь 10-ваттный резистор. На Fig.4 показан случай с максимальным обратным током экранной сетки.
Ситуация здесь немного другая: теперь экранная сетка выдаёт в стабилизирующую схему ток в 10 мА. Чтобы поддержать в этом случае стабильным экранное напряжение, этот ток должен проходить через резистор R12 и транзистор Q2. Как ясно из расчётов, ток I2 будет равен 90 мА, а падение напряжения на R12, при этом, будет означать, что падает напряжение сток-исток транзистора Q2.
В схеме “Tetrode Boards” [ 1 ], напряжение на истоке полевого транзистора относительно шасси составляет + 30 В, а между стоком и истоком необходимо иметь минимум 50 В, это – запас на различные допуски в установках токов и напряжений, который позволяет надёжно стабилизировать напряжение экранной сетки с максимальным обратным её током. Минимальное напряжение на стоке Q2, которое мы можем допустить равно 50 + 30 = 80 В, тогда:
R12 = (275 – 80 ) В / 90 мА = 2, 167 кОм
Для надёжности выбираем ближайшее меньшее стандартное значение сопротивления мощного резистора в 2 кОм.
Рассеиваемая мощность на R12 = (275 – 80) В х 90 мА = 17,55 Вт
Выбираем для надёжности с запасом 25-ваттный резистор.
2.5. Рассеивание мощности на транзисторе Q2.
Нам известны теперь сопротивления резисторов, так что осталось только рассчитать рассеиваемую мощность на транзисторе Q2, которая, конечно же, равна (Vd – Vs) x I2, но максимальная рассеиваемая мощность не достигается ни в одном из рассмотренных случаев (расчёт сделан с запасом): для прямого или обратного тока экранной сетки мощность, рассеиваемая Q2 снижается из-за малой величины I2 или (Vd – Vs). Максимальная рассеиваемая мощность на Q2 ,возможно , будет в случае полного отсутствия тока экранной сетки, потому, что тогда и ток I2 и напряжение (Vd – Vs) будут иметь максимальную величину (но, в разумных пределах). Но всё равно, это - ещё не полная проектная рассеиваемая мощность, а близкое к ней приближение и в этом режиме работает стабилизатор большую часть рабочего цикла РА ( в режиме приёма ток экранной сетки лампы РА отсутствует, чтобы ограничить бесполезно рассеиваемую на Q2 мощность, следует ограничивать до разумных пределов ток стабилизации через Q2 в режиме “Приём”).
Если Вы внимательно следили за ходом моих рассуждений, то легко рассчитаете рассеиваемую на Q2 мощность сами, а схема на Fig.5 будет Вам служить для самопроверки.

Ток в 50 мА, текущий через резистор R12 (2 кОм), означает, что напряжение на стоке Q2:
- Vd = 275 В - (2 кОм х 50 мА) = 175 В
- Vs = 30 В
- Рассеиваемая мощность Q2 = (175 – 30) В х 50 мА = 7,25 Вт
Это значит, что полевой МОП-транзистор Q2 может быть выполнен в стандартном корпусе ТО-220 с достаточным допустимым напряжением сток – исток, способным противостоять отключениям нагрузки стабилизатора в случае аварии РА. Q2 не требует большого радиатора, в качестве которого может быть использовано шасси РА, если оно не сильно нагревается при работе РА (необходима изоляция вывода корпуса транзистора, - фланца крепления на радиатор, - от шасси, так как, корпус соединён обычно с выводом стока и на нём имеется напряжение). Посмотрите сайт: http://www.lukesoft.2y.net/granta/linear.php3 , на котором можно посмотреть фотографии плат управления и стабилизации усилителя построенного G4AXX на наборах “Tetrode Boards” от G3SEK.
Как не крути, а всё же “лёгкая жизнь” для Q2 “покупается” ценой рассеяния значительной мощности на резисторе R12, в случае с максимальным обратным током экранной сетки и ограничением максимального обратного тока сетки, которое может вносить сама схема стабилизатора. Если Вы желаете увеличить максимальный допустимый обратный ток экранной сетки, то Вам будет необходимо увеличить ток I1 уменьшением величины сопротивления резистора R14 и, соответственно, сменить номиналы остальных деталей и(ли) дополнительно уменьшить сопротивление резистора R12 и увеличить рассеивание мощности на транзисторе Q2, применив более мощный.
2.6. Подбор сопротивления резистора R14 на практике.
Мы можем точно рассчитать величину сопротивления резисторов R1 и R12, но только не R14, которая, в общем-то, подбирается на практике. Это всё из-за того, что мы не знаем, как будет реагировать на нагрузку (на требуемую величину тока I1) блок входного для стабилизатора нестабилизированного напряжения питания. Другими словами, мы не знаем, каково будет значение напряжения Vu на самом деле (неизвестно внутреннее сопротивление источника нестабилизированного напряжения питания).
На практике номинал R14 можно подобрать двумя способами:
можно вместо R14 установить подстроечный мощный проволочный резистор или подбирать постоянные резисторы, последовательно приближаясь к требуемому номиналу, пока не будет достигнута требуемая величина тока I1.
при другом способе, можно вместо R14 установить резистор, обеспечивающий величину тока больше расчётной и пересчитать все другие значения, чтобы проверить с каким диапазоном прямых и обратных токов экранной сетки позволяет работать стабилизатор.
2.7. Другие лампы, другие режимы.
Эти же методы расчёта могут быть применены и к другим лампам, которые требуют другие экранные напряжения и имеют другие соотношения между прямыми и обратными токами экранных сеток.
Если Вы собираетесь приложить, изложенные здесь идеи к наборам “Tetrode Boards”, то рассчитывайте номиналы деталей на больший диапазон токов, чем собираетесь использовать (с запасом), а уровень защиты устанавливайте так, чтобы она срабатывала до того, как стабилизатор выйдет из режима.
ЛИТЕРАТУРА: 1. Ian White, G3SEK Power and Protection For Modern Tetrodes, QEX, October 1997
Примечание UA9LAQ : Убедительно советую посетить отличный сайт Ian White, G3SEK http://www.ifwtech.com/g3sek , где Вы можете посмотреть все материалы в оригинальном изложении, в данном переводе невозможно полностью изложить содержание 38 страниц "Manual "The Tetrode Boards " .
Свободный перевод с английского В.Беседин ( UA9LAQ )
ua9laq@mail.ru
г. Тюмень, ноябрь 2001 г
“Раскачка” тетродов и способы их “заземления”
Ian White, G3SEK “Tetrode Boards”, Приложение AN4
Приложение основано на материале Главы 3 справочника “Tetrode Boards” (AN1), в нём рассказывается о способах “раскачки” тетродов как “в сетку”, так и “в катод”, о способах гальванического соединения электродов ламп(ы) с шасси (их “заземления”) и о способах РЧ развязки тетродов.
“Заземление” тетродов.
1. Введение.
Вы можете использовать набор “Tetrode Boards” в схемах включения тетродов с общей сеткой и общим катодом.
Вы можете использовать набор “Tetrodes Boards” с любым способом “заземления” ламп(ы) и её (их) развязки по РЧ.
Обратите внимание на слово “заземление” и запомните, что развязка по РЧ на шасси и гальваническое (по постоянному току) соединение с шасси - не одно и то же. Экранная сетка всегда развязана по РЧ на шасси, но, в большинстве случаев, не соединена с шасси гальванически. В этом разделе рассматриваются три практических комбинации “заземления” по постоянному току и по току РЧ, показано как использовать в этих случаях “Tetrode Boards”. Отметьте, что в некоторых конфигурациях необходимы дополнительные детали, отмеченные на схемах, приведённых ниже как C1, VDR1 и т. д., - подробности смотрите в разделе 4.
“Tetrode Boards” требует два стабилизированных источника сеточного питания: с отрицательным напряжением (относительно общего провода) для смещения управляющей сетки (с вывода G1 OUT);

с положительным напряжением (относительно общего провода) для питания экранной сетки (с вывода G2 OUT ).
Два источника имеют общий провод, соединённый с катодом (вывод CATHODE), но они полностью независимы.
Это дополнение поможет Вам выбрать, который из трёх выводов (CATHODE, G1 OUT или G2 OUT ) соединить с шасси.
Следуйте рекомендациям изготовителей ламп.
Напряжения G1 и G2 должны соответствовать рекомендуемым заводом-изготовителем ламп(ы). Они даются всегда по отношению к катоду, тем не менее, Вы можете “заземлить” (соединить с шасси гальванически) любую точку, по желанию: катод, управляющую или экранную сетку, без различия, так как, лампа, в любом случае, будет питаться правильно.
Расширить свои познания в области включения, питания и защиты тетродов можно, прочитав следующее:
Ian White, G3SEK, Power and Protection for Modern Tetrodes, QEX, October 1997.
“Кликните” по адресу: http://www.ifwtech.com/g3sek/boards/tetrode/tetrode-3.htm файлы в PDF или Word формате.
В следующем разделе описаны способы “заземления” и развязки. В разделе 5 приведены детали, которые необходимо соединить с экранной сеткой, в том случае, если она гальванически не соединена с шасси.
“Tetrode Boards” может работать с одной или двумя лампами, но только один тетрод показан на схеме. Если Ваш РА собран на двух тетродах, для подключения второй лампы используйте точку, указанную на схеме как V2.
2.“Раскачка” в сетку, катод “заземлён”.

Такое включение ламп используется чаще всего. РЧ мощность “раскачки” подаётся на управляющую сетку, а экранная сетка развязана по РЧ на катод, соединённый с шасси с помощью конденсатора С1, обычно вмонтированного в ламповую панель трубчатой конструкции. Катод лампы может быть соединён с шасси непосредственно или через резистор небольшого сопротивления (для создания отрицательной обратной связи по току, коррекции частотной характеристики усилителя, в этом случае, параллельно резистору включается, например, конденсатор определённой ёмкости или последовательный колебательный контур и ограничения тока в аварийных ситуациях, - в союзе с резистором, включенным в плюсовую шину высокого анодного напряжения). Такой резистор включается в точку, отмеченную на схеме знаком “X”.
Соедините с шасси РА вывод CATHODE “Tetrode Boards”, выводы G1 OUT и G2 OUT с шасси не соединяются. Отметьте, что измеритель напряжения смещения управляющей сетки G1 и измеритель напряжения питания экранной сетки G2 подключены к шасси разными полюсами: “плюсом” и “минусом”, соответственно. Если Вы включите измеритель анодного тока в отрицательную шину высоковольтного напряжения питания, то он будет находиться под потенциалом шасси (безопасность).
3, “Раскачка” в катод, ”заземлённая “ экранная сетка.

РЧ мощность “раскачки” с трансивера подаётся в этом случае в цепь катода ламп(ы) РА, экранная сетка гальванически соединена с шасси, нет, соответственно, и развязывающего сетку по РЧ конденсатора. Соедините вывод G2 OUT “Tetrode Boards” с шасси РА, выводы CATHODE и G1 OUT не соединяйте с шасси РА. Отметьте, что измеритель G2 находится, практически, под потенциалом “земли”, а вот измеритель G2 находится под потенциалом (Vg2 + Vg1) - суммы напряжений на сетках, отрицательной по знаку, относительно шасси. Измеритель анодного тока, включенный в отрицательную шину высокого напряжения, будет находиться под отрицательным, относительно шасси, экранным напряжением Vg2.
4. “Раскачка” в катод, “заземлённая” управляющая сетка.

РЧ мощность “раскачки” подаётся с трансивера в цепь катода лампы РА, управляющая её сетка соединена с шасси гальванически.
Экранная сетка развязана по РЧ на шасси конденсатором С1, конструктивно расположенным в трубчатой ламповой панели лампы. Соедините вывод “Tetrode Boards” G1 OUT с шасси РА, не соединяйте выводы CATHODE и G2 OUT с шасси. Отметьте, что измеритель G1 находится под потенциалом шасси, а вот измеритель G2 - под положительным напряжением (Vg2 - Vg1), а измеритель тока анода в отрицательной шине анодного питания - под потенциалом управляющей сетки - Vg1.
5. Детали цепи экранной сетки.
В этом разделе описываются детали, которые являются общими для всех, приведённых в Приложении схем.

Резистор “утечки” экранной сетки R1 установлен здесь по двум причинам:
предотвратить “обрыв” экранной сетки по постоянному току и, связанные с ним, переходные процессы, пока переключаются контакты реле Р1;
обеспечить ток утечки экранной сетки в 10 мА, что позволяет наблюдать на шкале обычной (с нулём в левой части шкалы) измерительной головки не только прямой, но и обратный ток сетки (до 10 мА ). По шкале измерительной головки с током полного отклонения стрелки, например, 50 мА, можно измерять ток экранной сетки в пределах от - 10 мА до + 40 мА. Чтобы получить ток “утечки” экранной сетки в 10 мА, необходимое сопротивление резистора R1 составит:
R1 = Vg2 / 10 мА , что составит 35 кОм при экранном напряжении 350 В, 40 кОм - при 400 В и т.д.
Ток утечки не обязательно должен быть равен точно 10 мА, его значение, в случае применения резистора с ближайшим стандартным значением, может быть подогнано под риску на шкале измерительной головки, имеющимся у неё механическим корректором.
Мощность рассеяния для R1 = Vg2 x 0,01, - подойдёт 5...10 Вт резистор. Если Вы используете в РА две лампы, то нужен лишь один резистор R1 - на обе лампы сразу.
Варистор VDR1 защищает экранную сетку, конденсатор её развязки и источник питания в аварийной ситуации, например, в случае, “прострела”. Включайте VDR1 между выводом экранной сетки на ламповой панели и ближайшим “земляным” лепестком, насколько возможно, короткими выводами, с целью, уменьшить их индуктивность - это влияет на “быстроту” срабатывания варисторной защиты. Два варистора приложены к каждому набору деталей ( речь идёт о наборе “Tetrode Boards”, предназначенного для встраивания во вновь создаваемые или реконструируемые РА на тетродах), поскольку к каждой лампе припаивается “свой” варистор, при условии, что лампа в РА одна, можно впаять оба варистора параллельно, - для супернадёжности .
C1 - R2 - RFC1. Эти детали не нужны в схеме с заземлённой экранной сеткой. В других схемах включения, конденсатор С1, обычно, расположен в ламповой панели (встроен). R2 и RFC1 “изолируют” экранную сетку и развязывающий по РЧ конденсатор С1 от развязывающего конденсатора по низким частотам - С9 на плате G2-CONTROL, как правило, имеющего большую ёмкость и значительную индуктивность своих обкладок, чтобы избежать их паразитного совместного резонанса, который может “оторвать” экранную сетку от “земли” на РЧ, или, другими словами, устранить на частоте настройки паразитного параллельного контура развязку экранной сетки, что равносильно исключению развязывающего конденсатора на экранной сетке вообще, что – недопустимо!
R2 - 100 – омный 1 – ваттный резистор, углеродный или металл-оксидный (непроволочный).
RFC1 - 40 витков тонкого эмалированного (обмоточного) провода номер 24, намотанного на корпусе R2. (Чтобы 40 витков провода “влезли” на каркас в один слой необходимо брать достаточно тонкий провод, что вряд ли целесообразно, несмотря на малый ток, лучше применить резистор с “удлинённым” корпусом, типа ВС, например). Если в РА используются две лампы, цепочка С1 R2 RFC1 должна быть установлена на каждой из них.
Свободный перевод с английского В. Беседин ( UA9LAQ )
ua9laq@mail.ru
г. Тюмень, ноябрь 2001 г.
Усилители на триодах: управление и защита
Ian White, G3SEK Руководство пользователя “Triode Board”
Набор (конструктор) “Triode Board” разработан только для схем с “заземлённой” сеткой.
1. Измерение анодного тока и тока управляющей сетки.
Измерение токов анода и сетки производится обычным способом, путём включения измерителей между шасси, катодом и “минусом” источника высокого напряжения. На Fig. 1 показано как это работает.

Отметьте, что только ток сетки протекает через измеритель тока сетки и только анодный ток протекает через измеритель анодного тока. Не все это осознают.
2. Защита измерителей.
Каждый РА нуждается в нескольких уровнях защиты: защите ламп, измерителей, высоковольтных трансформаторов и, прежде всего, защите человека.
Разрушительные анодные токи.
Никто не знает, отчего “случаются” эти разрушительной силы (“стихийные”, “случайные”, “прострельные”, “дуговые”, “блуждающие”, “хирургические”... – каких только эпитетов нет! ) - токи. Они быстро проходят! Кончаются, но, как правило, “кончают” и аппаратуру, в частности, - усилитель мощности. Можно только гадать о причинах их возникновения: то ли, это - остатки разреженного газа и металлическая пыль - внутри ламп, волоски, ворсинки и насекомые (например, тараканы) - вне их, паразитные случайные фотоэлектроны, перегрузки питающей сети, паразитная генерация в самих лампах, плохие контакты в антенных соединителях, космические лучи... Важно лишь то, что такие токи “случаются” и многие хорошо знают, чем заканчивается их действие, какие разрушения они несут аппаратуре. Всего этого можно избежать!
Самыми худшими проявлениями резкого увеличения анодного тока являются, так называемые, “дуги” и “прострелы”, которые могут происходить как внутри ламп, так и снаружи и ведут к закорачиванию источника высокого анодного напряжения, по силе тока близкому к к. з.
Как показано на Fig. 2 , обратный ток “дуги” протекает через измерители сеточного и анодного тока и может их повредить, несмотря на то, что они защищены.

В арсенале борьбы с “этими нехорошими” токами есть три средства:
используйте токоограничительный резистор в плюсовой шине высокого анодного напряжения питания, чтобы ограничить максимальный анодный ток. Для полной ясности, смотрите раздел о дополнительных схемах, ухищрениях и стыковке;
используйте защитные диоды у измерителей, чтобы защитить их и обеспечить на минусовой шине высокого напряжения потенциал шасси (уравнять их). – в “Triode Board” такая возможность имеется (см. ниже);
отключайте высоковольтный трансформатор, чтобы снизить энергию “дуги” - “Triode Board” содержит эту возможность (см. прилагаемые схемы).
Учтя и использовав выше- (и ниже-) изложенное, Вы, скорее всего, вновь включите высокое напряжение, щёлкнув кнопкой “Сброс” и будете продолжать работу в эфире, как будто ничего и не случилось!
Защита измерителей.
Измерители токов анода и сеток различаются сильно в смысле измеряемой величины тока в различных усилителях, в зависимости от типов применяемых в РА ламп и их количества, но меры защиты измерителей остаются одними и теми же.
На Fig. 3 показаны два способа измерения анодного тока в 500 мА: на Fig. 3a - измеряется ток с низкоомным шунтом, а на Fig. 3b - измеряется падение напряжения на более высокоомном измерительном резисторе.

При измерении тока первым методом (Fig. 3a):
сопротивление шунтирующего резистора зависит от необходимого тока полного отклонения стрелки и от внутреннего сопротивления измерительной головки;
шунтирующий резистор всегда имеет нестандартную малую величину сопротивления и выполняется из провода с высоким сопротивлением (можно и из медного обмоточного, работать с которым удобнее ( и отрезать и паять), но его в шунте бывает “много” и его нужно на что-то “намотать” (например, на корпус резистора) да и ещё, желательно, бифилярно);
подбор сопротивления шунта довольно трудоёмок и занимает много времени;
защитные диоды неэффективны с низкоомными измерительными головками и шунтами, потому, что падение напряжения на них очень мало. Диоды не будут работать, пока напряжение на них не достигнет 0,6 В, которого окажется достаточно, чтобы вывести измерительную головку из строя.
“Triode Board” использует схему измерения, приведённую на Fig. 3b, которая свободна от вышеперечисленных недостатков:
сопротивление шунтирующего резистора зависит только от тока полного отклонения стрелки головки;
могут быть использованы постоянные резисторы с сопротивлениями стандартного ряда номиналов;
применённый подстроечный резистор позволяет электрически юстировать и корректировать показания головки;
если падение напряжения на шунтирующем резисторе при полном отклонении стрелки головки будет близко к 0,5 В, то защитная функция диода будет весьма сильной, так как диоды при 0,6 В начинают сильно проводить ток (открываются).

На рисунке показаны измерительные схемы анодного и сеточного тока в “Triode Board”. Прилагаемая к нему инструкция показывает как подобрать подходящий измеритель и резисторы для конкретного усилителя мощности. На схеме также показано, как работает защита измерителей в “Triode Board”. Диоды D1 и D2 благополучно “обводят” большие токи вокруг измерителей и способствуют уменьшению разности потенциалов между “минусовой” шиной высокого анодного напряжения питания и шасси. “Дуга” полностью прекращается, когда высокое напряжение прерывается специальной схемой (см. ниже) или сгоревшим плавким предохранителем.
D1 и D2 должны быть рассчитаны на большой ток, одноамперные выпрямительные диоды здесь явно слабоваты, в конструкции использованы большие мощные 6-ти амперные диоды, выдерживающие одиночные импульсы тока до 400 А и более. Анодный ток, в случае “дуги” или “прострела”, протекает в противоположном нормальному току сетки направлении, так что, включенные диоды D3 и D4 защищают измеритель М1 от больших прямых токов сетки.
Защита анодной цепи то току.
В этом разделе более детально рассмотрена защита анодной цепи лампы по току. Чтобы не вмешиваться в цепь измерения анодного тока, схема защиты использует специальный для этого резистор R3. Падение напряжения на этом резисторе, при прохождении по нему тока, заставляет течь ток через оптопару U1A. Если анодный ток поднимется до определённого значения, то это заставит сработать триггер, выполненный на элементах КМОП-технологии (здесь не показан, см. перевод первой части статьи "Питание и защита современных тетродов"). Когда триггер сработает, на линии HV CTRL (линия управления высоким напряжением) установится низкий логический уровень. Если эта линия соединена с пускателем, установленным в первичной (сетевой) цепи высоковольтного трансформатора, как показано на схеме, то высокое анодное напряжение будет отключено за время, не превышающее несколько миллисекунд и “зажжётся” красный светодиод ( “Анод”), сигнализируя об аварийной ситуации в анодной цепи. Чтобы “опрокинуть” триггер, нажмите на кнопку “Сброс” и, таким образом, включите высокое напряжение вновь. Если причина, вызвавшая “дугу” в анодной цепи устранилась и не сгорел плавкий предохранитель, то можно продолжать работать в эфире с РА “ как ни в чём не бывало”.
1. Защита сетки.
Экстремальный ток сетки.
Экстремально большой ток управляющей сетки триода может вывести лампу из строя почти мгновенно. Это может произойти при любом сочетании большой мощности “раскачки”, подаваемой на вход триода, рассогласовании с нагрузкой и(или) низком анодном напряжении. “Triode Board” отслеживает как большой ток сетки, так и низкое анодное напряжение. Если будет обнаружено то или другое, переключатель “приём - передача” (РТТ) просто не будет работать и “загорится” “тревожный” светодиод с надписью GRID / HV (“сетка / высокое (анодное) напряжение”).
“Отслеживание” тока сетки.
Ток сетки контролируется с помощью резистора R1, падение напряжения на котором для работы схемы контроля (подробности - ниже) должно составлять максимум 0,8 В. Исходя из этого, для защиты от перегрузки измерителя М1 нужно два кремниевых диода, соединённых последовательно, D3 и D4, чтобы предотвратить неправильные показания измерителя при измерении токов, близких к максимальным (в правой части шкалы М1). Напряжение, пропорциональное току сетки снимается с движка RV3 и управляет КМОП-триггером. Это блокирует переключатель “приём-передача” (PTT), заставляет отпустить якорь реле К1, “зажигает” “аварийный” светодиод GRID / HV и выключает зелёный светодиод готовности РА (READY).
Режим аварии GRID / HV автоматически сбрасывается по отпусканию РТТ или по окончанию времени выдержки голосового управления (VOX). Это позволяет продолжать работу в эфире, если увеличение сеточного тока было случайным. Если сеточный ток продолжает оставаться большим при переходе на передачу, защитная схема снова сработает, чтобы уберечь лампу.
“Отслеживание” понижения анодного напряжения.
На входе HV-OK измеряется напряжение пропорциональное высоковольтному анодному - см. схему (высоковольтный делитель напряжения не входит в набор “Triode Board”, по соображениям безопасности. Он должен быть смонтирован в РА непосредственно у лампы [2]).
При нормальной величине высокого анодного напряжения, с делителя на вход HV-OK подаётся + 8...12 В. Если анодное напряжение упадёт до такой величины, что напряжение на делителе составит примерно + 6 В, это переключит КМОП-триггер. А это отключит РТТ, “отпустит” якорь реле К1, “зажжёт” красный “аварийный” светодиод GRID / HV и выключит зелёный светодиод READY ( “готов”).
GRID / HV защита автоматически сбросится, если Вы отпустите РТТ или закончится время выдержки VOXа, это позволит Вам продолжить работу в эфире, если понижение напряжения на аноде ламп(ы) РА было случайным, например, из-за понижения напряжения (кратковременного) в питающей сети. Если анодное напряжение остаётся низким, защита снова сработает, сохраняя лампу.
Катодное смещение.
Для получения низкой интермодуляции, напряжение катодного смещения должно быть жёстко стабилизировано. Напряжение смещения также должно иметь возможность точно устанавливаться под каждый конкретный тип лампы, согласно рекомендуемому изготовителем току покоя лампы.
У современных мощных полупроводниковых стабилитронов имеются существенные недостатки: стабилизируемое напряжение на них не подстраивается (фиксировано), имеет тенденцию к изменению (растёт с увеличением анодного тока) и... довольно мощные стабилитроны, способные выдержать "прострелы” стоят не дёшево. Другие решения проблемы, такие как применение выпрямительных диодов с прямым смещением, дают даже худшие результаты по стабилизации.
“Triode Board” использует действительно стабильный источник напряжения смещения, к тому же регулируемый, так что Вы можете устанавливать ток покоя лампы очень точно таким, какой требует изготовитель ламп. Схемотехника взята из технической документации на стандартный промышленный “управляемый стабилитрон” TL-431. Стабилизация такова, что выходное напряжение не изменяется более нескольких милливольт при изменении тока нагрузки от менее 50 мА (тока покоя лампы) до, по крайней мере, 2,5 А. (Стоимость “управляемого стабилитрона” TL-431 в Тюмени составляет около 10 рублей на ноябрь 2001 г.)
Недорогой мощный составной (по схеме Дарлингтона) транзистор Q1 обеспечивает достаточное рассеивание мощности и рассчитан на пики токов в схеме.
Варистор VDR1 (V24ZA50) обеспечивает дальнейшую защиту схемы. Напряжение смещения в схеме “Triode Board” устанавливается в диапазоне от 3 до 27 В, что подходит для многих ламп, таких как: 3-500Z, 3СХ800, 8877. Для ламп ГС35Б и ГС31Б, которым нужно смещение до 30 В, можно установить внешний (навесной) резистор сопротивлением 1,5 кОм, как показано на схеме.
Взаимосоединения (интерконнект).
“Triode Board” упрощает взаимные соединения в РА, Вам останется только подцепить провода сети и цепь управления высоким напряжением.
Руководство пользователя “Triode Board” содержит ещё несколько полезных схем для Вашего усилителя.
Управление включением напряжения сети.

Схема управления включением сетевого напряжения, описываемая ниже, показана на “сборной” (общей) схеме 1. ( Позиционные номера деталей начинаются с 101, чтобы их не спутать с таковыми в “Triode Board”.
Управление включением в сеть высоковольтного трансформатора.
Это устройство является мерой безопасности для Вашего РА и настоятельно рекомендуется к применению.
С выхода HV CTRL в “Triode Board” выдаётся + 12 В постоянного напряжения для питания реле включения сети высоковольтного (анодного) трансформатора (или + 24 В, если для этой цели предусмотрено 24-х вольтовое реле). Это напряжение появится только после того, как закончит работу схема задержки (таймер), исключающая подачу высокого напряжения на анод при неразогретом катоде лампы РА.
Если сработает защита по току в анодной цепи, то напряжение, управляющее высоковольтным анодным будет отключено за время не превышающее 5 миллисекунд. Чтобы использовать эту возможность, нужно установить 12-вольтовое (или 24-вольтовое) реле постоянного тока К101 для прерывания подачи напряжения сети в первичную обмотку высоковольтного трансформатора. Убедитесь, что применяемое реле способно прерывать максимальные перегрузочные токи в трансформаторе и с большим запасом. Поворотное реле с мощными контактами или пускатель (мощный контактор) – вот что нужно здесь применять. Очень эффективно работает здесь реле Omron G7L-1A-T SPNO 30A , которое выпускается в обеих модификациях (на 12 и 24 В) и может быть приобретено как в Европе, так и в США. Существует и много других хороших мощных 24-вольтовых реле и контакторов.
Схема пошагового включения.
Эта схема также настоятельно рекомендуется к применению. На прилагаемой “общей” схеме показана таковая для использования в сетях напряжением 220...240 В.
Контроль за обдувом лампы.
Чтобы продлить “жизнь” ламп, необходимо их обдувать значительное время после работы на передачу. На “общей” схеме 1 показан способ продления работы вентилятора на несколько минут после отключения РА от сети. SW102 - термовыключатель, приклеенный к R101, который включен в сеть 220...240 В, от которой питается нить накала и высоковольтный трансформатор. R101 нагревается и SW102 срабатывает, как только температура достигает 60 градусов Цельсия, что происходит после нескольких минут нормальной работы. Если Вы выключите РА, используя SW101, то SW2 останется включенным до тех пор, пока не остынет (вместе с резистором), позволяя вентилятору ещё несколько минут поработать. (Спасибо за идею G3NWS).
Управление высоким напряжением и безопасность.
Об управлением включением и отключением высокого напряжения см. выше.
“Минусовая” шина высокого напряжения.
Для дополнительной безопасности “минусовая” шина высокого напряжения должна быть соединена с “общим” шасси с помощью мощного надёжного резистора сопротивлением 1 кОм рядом с корпусом конденсатора. Этот резистор показан на “общей ” схеме 2 как R105. Внимание: если сопротивление этого резистора меньше 200 Ом, то он будет влиять на точность показаний измерителя тока анода.
В схеме “Triode Board” уже есть диоды защиты “минусовой” шины высокого напряжения, не подключайте дополнительных между шиной и шасси, - они не нужны, тем более, что они будут способствовать неверным показаниям измерителей.
Защитный резистор в плюсовой шине высокого напряжения.

На схеме 2 резистор R104 ограничивает максимальный анодный ток в случае аварии. Фирма Eimac рекомендует ограничивать этот ток величиной в 40 А и менее для ламп передатчиков с мощностью рассеивания на аноде до 1500 Вт. А это означает, что сопротивление ограничивающего ток резистора должно быть 25 Ом на киловольт анодного напряжения. На практике, обычная величина этого резистора 50 Ом. В некоторых РА применяются резисторы в 10...20 Ом, по-моему, этого “маловато будет” для анодных напряжений в 3 кВ и более. Резистор R104 должен иметь большой и длинный корпус, чтобы, во-первых, иметь большую поверхность для интенсивного рассеяния “приличной” мощности; во-вторых, чтобы его не “прошило” во время действия “дуг” и “прострелов”. 50-омный резистор будет рассеивать 50 Вт при непрерывном токе через него в 1 А, так что, это - минимальное приемлемое значение мощности рассеивания для R104. Чтобы избежать “перекрытий” резистора высоковольным напряжением, в подобных цепях следует применять резисторы с удлинённым корпусом.
На схеме 2 также показан плавкий предохранитель FS105. Предохранители для работы в цепях с напряжением до 5 кВ можно легко найти, так как они применяются в микроволновых печах и есть в продаже. К сожалению, такие предохранители выпускаются на токи только до 1 А, что явно недостаточно для РА в 1500 Вт и более.
Соединение с шасси.
Внимание: соединение с шасси и “заземление” жизненно необходимо для безопасности. Не надейтесь на металлические штыри - это ненадёжное заземление. Соединяйте выход CHASSIS GROUND на “Triod Board” толстым проводом, это понадобится, чтобы проводить токи до 40 А и более при “прострелах” в анодной цепи. Соедините провод с большим надёжным лепестком, привёрнутым к шасси.
Подавление РЧ помех.
У многих РА – довольно слабая экранировка и развязка РЧ блока, так что органы управления и контроля РА работают в условиях сильных РЧ наводок.
“Triode Board” содержит действенные меры защиты от обоих типов наводок, приходящих по проводам и через излучение, включая:
Стремление к увеличению поверхности шасси РА: экраны.
Эффективную РЧ развязку.
РЧ дроссели в местах внешних соединений.
Применение высокоуровневой КМОП-логики.
Прототипы “Triode Board” интенсивно проверялись в условиях сильных наводок и многие пользователи не испытывали никаких проблем - остались довольны. Тем не менее, нет стопроцентной гарантии от РЧ наводок и помех и у любой электронной аппаратуры, какую бы мы ни применяли. На схеме 2 показаны средства подавления РЧ наводок и помех, которые, возможно, потребуется включить вне “Triode Board”. Конденсаторы С102 и С103 могут быть присоединены непосредственно к измерителям, если это необходимо.
Если, всё-таки, наводки Вам докучают, рассмотрите возможность лучшей экранировки (может быть, даже, возможность установки двойного или тройного экрана без отверстий с хорошими контактами в стыках с минимумом выходящих развязанных и экранированных проводов. Имеет смысл и поэкспериментировать с применяемыми материалами: отсутствие в соединениях экранов и шасси материалов с большой электрохимической разностью потенциалов, применение материалов с хорошей проводимостью (серебрённая медь), применение магнитных экранов (сталь с покрытием), устранение коррозии, сварка экранов с шасси как альтернатива креплению экранов на винтах, толщина материалов экранов, однородность материала шасси и экранов. Для измерительных цепей следует применять экранированный провод. Все соединительные провода следует прижимать к шасси и располагать их подальше от цепей несущих токи РЧ, от ламп(ы) РА, входных и выходных РЧ цепей. Желательно, вообще осуществлять проводку в РА согласно правилу: каждый провод находится в своём индивидуальном экране – экранирующем чулке, провода укладываются в общий жгут, экраны проводов спаиваются между собой, жгут прижимается к шасси РА с помощью скоб по всей его длине.
Не следует использовать экраны в качестве земляных проводников, земляные же выводы деталей следует соединять с шасси в одной точке, чтобы не допустить протекания общих токов разных цепей по одному и тому же участку земляной шины, шасси и т. п., что ведёт к завязкам, самовозбуждениям, наводкам и другим неприятностям при эксплуатации РА.
В заключении следует остановиться на:
1.Непосредственное гальваническое соединение управляющей сетки с шасси РА обязательно в усилителях, работающих на частотах выше 30 МГц, но это же справедливо и на КВ. “Triode Board” будет работать с триодами, у которых сетка приподнята над шасси, но это обстоятельство не следует использовать для подключения измерителя тока управляющей сетки. См. выше.
2.Если высоковольтный делитель смонтирован в блоке питания, то он будет показывать HV – OK даже тогда, когда источник питания будет полностью отключен от лампы! См. выше.
Содержание этих страниц взято из “Back to G3SEK’s Amateur Radio Technical Notebook”, размещенного на сайте http://www.ifwtech.co.uk/g3sek/ .
Свободный перевод с английского В. Беседин ( UA9LAQ )
ua9laq@mail.ru
г. Тюмень, ноябрь 2001 г.
| Глас народа |
|
18.07.2013 00:42 Все правильно расписано и в пользудля радиолюбителей, большое спа... -- UR3AFJ 22.12.2012 21:38 Полезная статья. Собрал и применил схему контроля тока экранной с... -- ut2uw 01.12.2004 00:15 Спасибо, исправил.... -- Юрий / UA6AP... 30.11.2004 11:43 Пожалуйста, смените устаревшую ссылку. Правильная ссылка - http:... -- rl3aw |