Приемник для любительской радиосвязи
Для начала лирическое отступление. Данная схема разрабатывалась для начинающих радиолюбителей (и не только для них), которые уже попробовали свои силы в настройке и отладке КВ аппаратуры и построили хотя бы приемник прямого преобразования. Но потом случай убедил автора немного усложнить схему и предложить на суд общества устройство с довольно высокими параметрами. Многие, на домашних радиостанциях, кроме основного трансивера не отказались бы иметь и отдельный приемник.
При разработке не ставилась задача достижения максимального динамического диапазона и т.д. Главными приоритетами явились:
После продолжительного копания в литературе и поисках в интернете была разработана следующая схема:

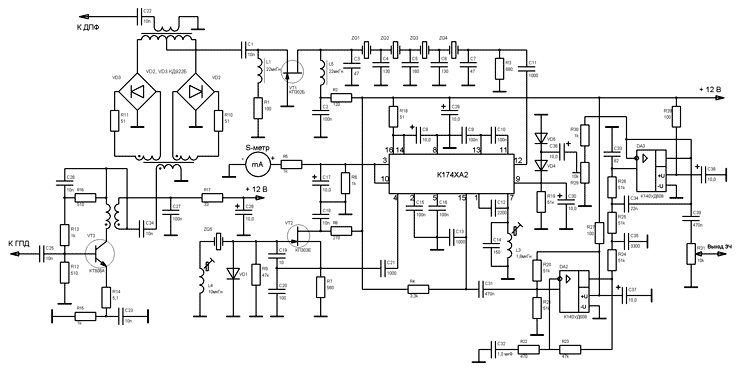
Итак, разберем схему по "косточкам". Диапазонные полосовые фильтры не приводятся, разных схем много, берите любую. Первый смеситель на диодных мостах относится к смесителям высокого уровня и в комментариях не нуждается. Желательно использовать диоды, указанные на схеме (КД922). Схема согласования смесителя с кварцевым фильтром широко известна и представляет собой каскад на полевом транзисторе с общим затвором с неплохим динамическим диапазоном и согласованием сопротивлений в широкой полосе частот, подбор согласующих свойств определяется режимом работы транзистора (точнее, ток канала транзистора). Для желающих улучшить динамику приемника можно применить транзистор КП903А и трансформатор 1:4 вместо дросселя L5. Кварцевый фильтр подключается в этом случае к средней точке трансформатора.
Кварцевый фильтр изготовлен из ТВ резонаторов на частоту 8867,238 кГц. Сразу отвечаю на вопрос - изготовить и настроить в любительских условиях многокристальный фильтр практически нереально! Наиболее простой - лестничного типа на четырех кварцах практически не нуждается в настройке при предварительном подборе резонаторов. Более четырех кварцев - несомненно неплохо - но собранный на "кухонном столе" подобный фильтр превратится скорее в "тормоз перестройки", а не в "сердце приемника". Тем более, что для поставленных задач достаточно селекции, обеспечиваемой четырех кристальным фильтром. Затухание в полосе прозрачности у этого фильтра минимально, даже при использовании резонаторов с низкой добротностью и качеством, что обеспечит высокую чувствительность приемника. Согласование фильтра осуществляется подбором режима транзистора VT1 по входу и сопротивления R3 по выходу. Для упрощения схемы было решено отказаться от резонансных цепей согласования.
Тракт ПЧ приемника выполнен на микросхеме К174ХА2 (настоятельно рекомендую заменить ее буржуйским аналогом TCA440 или A240). Данный тракт неплохо описан в литературе и использовался многими авторами. Встроенный гетеродин микросхемы не используется, кварцевый генератор для второго смесителя выполнен на транзисторе VT2, подстроечником катушки L4 регулируют частоту генератора для установки ее на левый скат АЧХ кварцевого фильтра. Резонатор - такой же как и в кварцевом фильтре. Можно использовать и другие схемы кварцевых генераторов с подстройкой частоты. Сигнал генератора подается на вывод 4 микросхемы. На выходе усилителя ПЧ микросхемы (вывод 7) включен резонансный контур L3C14, частота которого соответствует выбранным кварцевым резонаторам фильтра. Встроенный усилитель РЧ микросхемы используется в качестве второго усилителя ПЧ и его сигнал подается на второй смеситель (также встроенный в микросхему). Смеситель довольно высокого качества, двойной балансный.
Сигнал ЗЧ выделяется на выводе 15 и подается на предварительный усилитель на микросхеме DA1, необходимый для нормальной работы АРУ. Коэффициент усиления установлен порядка 100 и регулируется подбором сопротивления R23. На выходе предварительного усилителя установлен активный ФНЧ 3-го порядка (ОУ DA2), для ослабления частот выше 3 кГц. С выхода ФНЧ сигнал снимается на регулятор громкости R31 и на выпрямитель системы АРУ с регулируемым порогом (R29). Постоянная времени АРУ R19C30 выбрана в результате экспериментов. При недостаточном быстродействии необходимо уменьшить емкость конденсатора С30. Схема оконечного усилителя ЗЧ не приводится, все зависит от возможностей радиолюбителя. Выбор операционных усилителей не критичен, подойдут любые средней точности. Потребуется небольшая подстройка ФНЧ.
Драйвер ГПД на мощном транзисторе VT3 (КТ606А) установлен для нормальной работы смесителя. Как известно, подобные смесители требуют напряжения гетеродина порядка 1-1,5 вольта на нагрузке 50 Ом.
Теперь о ГПД. Все мои попытки изготовить качественный и стабильный многодиапазонный ГПД закончились плачевно :(. Однако выход нашелся неожиданно. По смешной цене на барахолке был куплен генератор Г3-102. Сие чудо советской измерительной техники, после проведения профилактики и замены верньера, используется помимо измерительных целей в качестве ГПД вышеописанного приемника. На изготовление хорошего синтезатора все как-то нехватает денег.
О деталях. Все ВЧ трансформаторы намотаны на ферритовых кольцах 400НН скрутками из трех проводов ПЭЛШО 0,2 (для смесителя) и из двух проводов такого же диаметра (для драйвера ГПД). Намотка распределяется равномерно по кольцу. Количество витков - 8. После намотки начало-концы обмоток распаиваются согласно схемы. Дроссели L1 и L2 также самодельные, изготовлены на таких же кольцах тем же проводом. Намотка виток к витку до заполнения кольца. Катушки индуктивности ПЧ и кварцевого генератора намотаны на каркасах диаметром 6 мм с подстроечными резьбовыми сердечниками и содержат соответственно 16 и 28 витков провода ПЭЛ-0,28. Кварцевый фильтр и катушки необходимо экранировать. Микроамперметр S-метра - любой, потребуется подбор резисторов R5 и R6. Указанные на схеме номиналы - для прибора с током полного отклонения 200 мкА.
Настройка приемника сводится к подстройке частоты контура L3C14 по максимуму сигнала, установке порога АРУ резистором R29 и подстроечником катушки L4 регулируют частоту генератора для установки ее на левый скат АЧХ кварцевого фильтра (на слух по неискаженному приему радиостанции).
Для модернизации в трансивер высокого класса необходимо добавить:
Автор - Владимир Костенко, RZ6AGX
Оригинал статьи находится на домашней страничке автора:
http://rz6agx.nm.ru/index.html