|  | ||
| \главная\р.л. конструкции\... | 
The simple 7MHz CW transceiver made with Motrola MC3362P by JG1EAD
 The 7MHz CW transceiver made with 
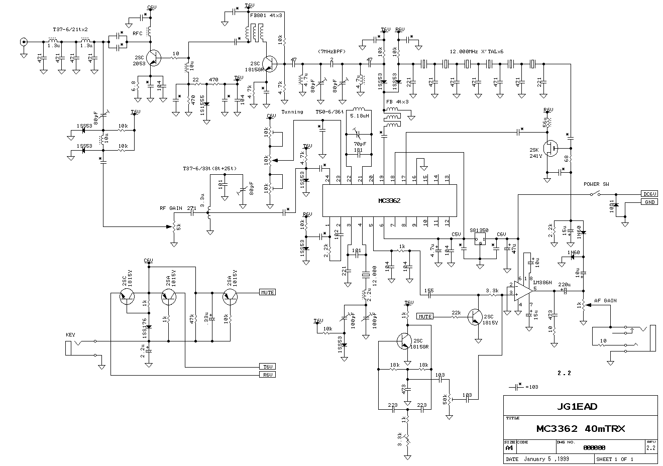
        MC3362P. I made a 7MHz CW transceiver by using the IC for the narrow band 
        FM double super receiving circuit, MC3362P. I intended to make a transceiver 
        for 10MHz band in the beginning. But, I was worried by the neighboring 
        spurious signal which wasn't expected, and I changed the plan. I changed 
        frequency to 7MHz band, and continued the production, and completed this 
        transceiver. The CW transceiver made by MC3362P was introduced to the 
        QST journal of December, '90 and January, '91 as well. (The article of 
        the translation of selected passages appeared in August, 91 issue of the 
        JA-CQ journal as well.) Because 2 set of double balanced mixers and local 
        oscilators are built in this IC, it is suitable for the single super heterodyne 
        receiver of SSB/CW. I made the whole circuit scale compact by using the 
        1st mixer of the receiving circuit as the mixer for the transmission as 
        well. I am only using 2 transistors of the transmitting output stage, 
        1 FET of the reception AGC, NJM386(second source of LM386) and 4 transistors 
        such as the transmitting-receiving switch, except for MC3362P. But, though 
        it is very much disappointed, it seems to finish the production of MC3362P 
        by the end in 1998. (The Motrola company recommends MC13135 as the substitut.)
The 7MHz CW transceiver made with 
        MC3362P. I made a 7MHz CW transceiver by using the IC for the narrow band 
        FM double super receiving circuit, MC3362P. I intended to make a transceiver 
        for 10MHz band in the beginning. But, I was worried by the neighboring 
        spurious signal which wasn't expected, and I changed the plan. I changed 
        frequency to 7MHz band, and continued the production, and completed this 
        transceiver. The CW transceiver made by MC3362P was introduced to the 
        QST journal of December, '90 and January, '91 as well. (The article of 
        the translation of selected passages appeared in August, 91 issue of the 
        JA-CQ journal as well.) Because 2 set of double balanced mixers and local 
        oscilators are built in this IC, it is suitable for the single super heterodyne 
        receiver of SSB/CW. I made the whole circuit scale compact by using the 
        1st mixer of the receiving circuit as the mixer for the transmission as 
        well. I am only using 2 transistors of the transmitting output stage, 
        1 FET of the reception AGC, NJM386(second source of LM386) and 4 transistors 
        such as the transmitting-receiving switch, except for MC3362P. But, though 
        it is very much disappointed, it seems to finish the production of MC3362P 
        by the end in 1998. (The Motrola company recommends MC13135 as the substitut.) 
        
 I included this transceiver into the case of 'P-7' which 
        was kit of the Mizuho company. As for being reflected by the photograph 
        of the upper front panel, a slide switch under that is a power switch 
        with a stereophonic headphones jack, a key jack, a VFO knob, RF gain, 
        AF gain from the left. It is the power supply connector of DC6 - 9V and 
        a M-type antenna connector that it is reflected by the photograph of the 
        rear panel.
 I included this transceiver into the case of 'P-7' which 
        was kit of the Mizuho company. As for being reflected by the photograph 
        of the upper front panel, a slide switch under that is a power switch 
        with a stereophonic headphones jack, a key jack, a VFO knob, RF gain, 
        AF gain from the left. It is the power supply connector of DC6 - 9V and 
        a M-type antenna connector that it is reflected by the photograph of the 
        rear panel. 

 Circuit 
          schematic
          In the middle of the 
          experiment (June, 98)
          The print circuit board made 
          by JA1EIH, Mr. YANAGI
          After the installing a part in the circuit board 
Original documentation and schematic: 
          http://www06.u-page.so-net.ne.jp/ga2/semba/e_toppage.htm