КВ трансивер «Трель» RW4LQ
…Почему «Трель»? ...Значок попался в виде ноты (на передней панели), да и звучит в цифровых видах излучения «как соловей». … История простая – нашлась как-то в «хламе» собранная плата ПЧЗЧ от «дроздивера», возникли мысли по её «трудоустройству», так понемногу и «обросла» со всех сторон всякими смесителями, фильтрами, гетеродинами, синтезаторами, усилителями и прочими достаточно известными и проверенными узлами радиолюбительских конструкций. Возможно что-то в этой относительно простой конструкции покажется интересным тем, кто "дружен" с паяльником... Полагаю, что "расписывать" все очень подробно особого смысла нет, поэтому материал представлен, в основном, "в картинках"...:-)
Внешний вид

Основные параметры
| Диапазоны рабочих частот | МГц | 1.8, 3.5, 7, 10, 14, 18, 21, 24, 28 |
| Чувствительность приемного тракта в режиме SSB (полоса пропускания 2.7кГц, отношение С/Ш - 10дБ) |
мкВ | 0.2...0.3 |
| Чувствительность приемного тракта в режиме CW (полоса пропускания 0.6кГц, отношение С/Ш - 10дБ) |
мкВ | около 0.1 |
| Динамический диапазон по интермодуляции |
дБ | около 80* |
| Избирательность по соседнему каналу (при расстройке на 6кГц) |
дБ | ~80 |
| Подавление зеркального канала приема, не менее | дБ | 70 |
| Подавление побочных каналов приема, не менее | дБ | 65 |
| Коэффициент проямоугольности тракта ПЧ в режиме
SSB (по уровням -6, -40дБ) |
- | 1.3 |
| Шаг перестройки частоты в зависимости от диапазона | Гц | 51...170 |
| Выходная мощность тракта НЧ на нагрузке 200 Ом | Вт | 0.2 |
| Выходная мощность передатчика на нагрузке 50...75 Ом | Вт | 8...10 |
| Напряжения внутреннего источника питания малосигнальной части |
В | -12,+12,-5,+5,~0.8 |
| Ток, потребляемый от внешнего стабилизированного источника питания 13.8В в режиме передачи |
А | 2.5 |
| Габаритные размеры (ширина, высота, глубина) | мм | 240x140x280 |
| Масса | кг | 2.8 |
Структурная схема

Трансивер построен по схеме супергетеродина с одним преобразованием частоты. Промежуточная частота 8мГц.
Особенности:
- применение реверсивных узлов (ДПФ, 1-й двойной балансный смеситель, диплексер,
предварительный УПЧ, кварцевые фильтры, контур согласования);
- отсутствие УВЧ в приемной части;
- последовательная селекция полезного сигнала (перед основным УПЧ, и перед ключевым
детектором) при приеме;
- изменение полосы пропускания путем переключения фильтров основной селекции независимо
от вида излучения (CW/SSB);
- возможность инверсии боковой полосы;
- возможность отключения АРУ;
- использование в микрофонном усилителе ограничения амплитуды фазовым методом;
- линейное усиление сигналов со звуковой карты компьютера при работе "цифровыми видами";
- применение высоколинейного балансного модулятора с парафазным входом по низкой частоте
с подавлением сигнала опорного гетеродина до 45...50 дБ;
- возможность манипуляции телеграфного гетеродина от компьютера или внешнего электронного
ключа;
- стабильность частоты обеспечивается кварцевой стабилизацией частот в опорном генераторе
синтезатора и опорном гетеродине приемника;
- синтезатор реализован на "жесткой" логике, достоточно экономичен в отношении потребляемой
мощности, с использованием одного высокочастотного ГУН (120...145 МГц) с последующим
делением частоты;
- шаг перестройки ГУН 1024 Гц, что обеспечивает относительно хорошее быстродействие петли
ФАПЧ и соответственно шаг перестройки трансивера от 51 до 170 Гц в зависимости от
диапазона (коэффициенты деления ДУКД различные на разных диапазонах);
- предусмотрен режим работы на разнесенных частотах (SPLIT) в пределах одного диапазона,
причем можно менять местами частоты приема/передачи.
Диапазонные полосовые фильтры (ДПФ)
Реверсивный двойной балансный смеситель
Предварительный реверсивный УПЧ
Кварцевые фильры основной селекции
Основной УПЧ
Переключатель диапазонов
Диодный коммутатор
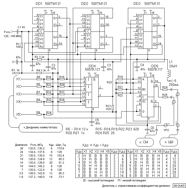
Делитель с управляемым коэффициентом деления
Микрофонный усилитель-ограничитель
Формирователь сигналов SSB и CW
Усилитель мощности
Диапазонные ФНЧ
Электронный коммутатор ПРИЕМ/ПЕРЕДАЧА
Блок питания
Цифровая шкала
Синтезатор: высокочастотная часть
Синтезатор: цифровая часть
Синтезатор: схема кодирования предварительной установки частоты
Валкодер
Схема соединений, часть 1
Схема соединений, часть 2
Вид спереди
Органы управления
Вид сзади
Назначение разъемов
Вид сверху
Вид снизу
Вид сбоку
Усилитель мощности и выходные ФНЧ
Вид спереди, передняя панель снята
Плата ГУН, ДДПКД, ИЧФД
Рисунки печатных плат некоторых узлов в формате SprintLayOut3.0 в архиве
TrxRW4LQlay3.zip. Результаты
По случаю удалось провести некоторые измерения и сравнение характеристик и параметров
этого трансивера с IC-718 (заводской номер, к сожалению, не записал).
Сквозная АЧХ приемного тракта трансивера "Трель"
Сквозная АЧХ приемного тракта трансивера IC-718
При сопоставлении показаний S-метра IC-718 с уровнями напряжений общепринятой шкалы S
оказалось, что до уровня S4 показания около 0, а после входного уровня S4 сразу
отображается S7, и только уровень S9 примерно соответствует отметке шкалы 9 баллов
,а далее через 10 дБ все похоже на правду... В трансивере "Трель" используется
стрелочный индикатор, шкала S-метра откалибрована и проблем с правильной оценкой силы
принимаемого сигнала нет ;-)) 73, de
RW4LQ, С.Н. Тарасов, 432063, Ульяновск, а/я 4655.





















AF - усиление по звуковой частоте;
RF - усиление по промежуточной частоте;
MIC - усиление микрофонного усилителя-ограничителя;
MON - регулировка уровня самопрослушивания при передаче.
Кнопки:
DN - переключение диапазонов "вниз" по частоте;
UP - переключение диапазонов "вверх" по частоте;
MW - запись отображаемого значения частоты настройки в память.
Кнопки-переключатели:
ATT - включение/выключение аттенюатора -15 дБ на входе приемника;
SPLIT - включение/выключение режима работы на разнесенных частотах;
REV - в режиме SPLIT реверс частот передачи и приема, а в обычном режиме переход на частоту,
предварительно записанную в память;
W/N - включение/выключение узкой/широкой полосы пропускания;
AGC OFF - выключение/включение АРУ;
COMP - включение/выключение режима сомпрессии в микрофонном усилителе;
CAR - включение/выключение телеграфного гетеродина для настройки;
U/L - включение/выключение инверсии боковой полосы;
CW - включение/выключение режима работы телеграфом.
Разъемы:
PH - подключение головных телефонов 3.5 мм стерео;
MIC - подключение электретного микрофона или компьютерного интерфейса.

220 V - сеть ~220 В;
_I_ - клемма заземления;
12 V - подключение внешнего стабилизированного источника постоянного тока с напряжением
12...14 В (Imax = 2.5 A) для питания усилителя мощности трансивера;
PA - управление внешним усилителем мощности;
PTT - подключение педали "прием/передача".






Все рисунки представлены как вид сверху, со стороны установки деталей.
При подаче на вход напряжения с уровнем -140 дБ (относительно 1 В, это 0.1 мкВ)
на выходе приемника "Трель" отношение С/Ш было 6...8 дБ в зависимости от диапазона.
На выходе приемника IC-718 отношение С/Ш было 2...3 дБ (PreAmp, т.е. УВЧ отключен),
и 9...10 дБ при включенном УВЧ. (А кто-то в Интернете писал, что приемник у IC-718
отличный...). Полосы пропускания у обоих трансиверов в режиме SSB
примерно одинаковы, вид АЧХ приведен ниже... Что предпочтительнее? :-))


При изменении уровня входного сигнала от чувствительности (около S0...S1) до S 59+40 дБ
(диапазон изменения ~120 дБ), выходной сигнал приемника "Трель" изменялся примерно на
20...23 дБ,что обепечивается очень хорошей работой системы АРУ в тракте ПЧЗЧ. В IC-718
выходной сигнал возрастает примерно пропорционально при увеличении входного до уровней
около 7...8 баллов, а затем практически не меняется вплоть до 59+60 дБ.
Проверены и рекомендации по регулировке усиления по второй ПЧ IC-718, якобы можно
добиться "улучшения" отношения С/Ш немного убавив усиление по ПЧ... На самом деле
оказалось, что при ЛЮБОМ усилении по второй ПЧ отношение С/Ш НЕ МЕНЯЕТСЯ!! Что,
собственно, и ожидалось, да и не противоречит теории...
Что касается сравнения динамического диапазона по интермодуляции третьего
порядка DB3, то, конечно, без соответствующих приборов это сделать трудно. Поэтому
попытка оценки этого параметра была произведена следующим образом.
На вход приемника одновременно подавались сигналы с антенны и с измерительного генератора
Г4-158 с регулируемым аттенюатором выхода. Трансиверы настраивались в верхнем участке
любительского диапазона 40м. Частота настройки генератора отличалась от частоты настройки
трансивера на 20...30 кГц. Постепенно увеличивая уровень сигнала с измерительного
генератора, замечаем момент появления сигналов вешательных станций на частоте настройки
трансиверов. Уровень сигнала генератора, при котором начинают прослушиваться сигналы
"вещалок", и использовался при дальнейших расчетах... Грубовато, конечно, но тем не менее,
в случае, когда на столе два аппарата, то относительные оценки все же удается получить.
В результате оказалось, что IC-718 начинает прослушивать сигналы "вещалок" при уровне
сигнала с генератора где-то на 10...12 дБ больше, чем "Трель". Соответственно можно
предположить, что и динамические диапазоны DB3 отличаются на эту же величину.
В целом, не смотря на скромный сервис по сравнению с "фирменными" аппаратами, самодельный
трансивер совместно с линейным усилителем мощности ~200 Вт на лампе ГМИ-11 не хуже них
справляется с возложенными на него обязанностями, как в повседневной
работе, так и в соревнованиях, в CW, SSB и "цифровых" видах излучения. Конечно, если
применить более современные синтезаторы на программируемой логике, то вполне можно ожидать,
что некоторые параметры станут лучше... Но это уже другая история...:)
E-mail: rw4lq@mail.ru
20.02.2005. Благодарю всех, кто
проявил интерес и откликнулся на представленный материал, и особенно
тех, кто поддержал "концепцию" :-)).
Краткие комментарии по замечаниям и "критике" :-))
1. Первый смеситель не "почти такой же" как у UT2FW, здесь
смеситель ДВОЙНОЙ балансный. По началу был опробован вариант упомянутого
выше автора, но после сравнения с двойным балансным выбор сделан в
пользу последнего.
2. "Синтез на PIC-е", конечно, дело интересное и перспективное. Кто имеет возможность пусть попробует и потом сообщит о результатах. Полагаю, что многим это тоже будет полезным.
3. "Секреты хороших корпусов" заключаются в том, что еще во времена "очаковские" одно из местных предприятий выпускало наборы корпусов для конструирования, может кто еще помнит наборы для изготовления цифровой шкалы и т.д. Вот это как раз из той серии :-))
4. "Новых конструкторских" решений в этом варианте, возможно, и нет. Но зато, проверенные и опробованные на практике, достаточно простые и понятные :-)). А это для повторения весьма существенный показатель. Параметры трансивера "не из ряда вон выходящщие", так зачем иметь их "из ряда вон выходящими"? Как раз весьма близкие к "классике" САМОДЕЛЬНЫХ аппаратов, и в повседневной работе в эфире их вполне хватает :-)). А повторение конструкций с "сопровождением", да еще "за соответствующее вознаграждение" - это, на мой взгляд, немного противоречит духу радиолюбительства (Ham Spirit..hi..), да и совсем другое удовольствие получаешь, когда именно сделанная СВОИМИ руками "железяка" радует слух и взгляд :-))
5. В отношении "крупного шага" перестройки синтезатора на ВЧ диапазонах... Конечно кому-то покажется неудобным и величина шага и его изменение при переходе с диапазона на диапазон. Но давайте рассмотрим всё в комплексе, а не в отрыве от концепции. Так вот эта самая концепция заключалась в обеспечении нескольких, порой противоречивых требований, основные из которых приведены ниже:
- достаточно высокая спектральная чИстота сигнала гетеродина (чем выше добротность колебательной системы ГУНа и чем меньше частота сравнения в петле ФАПЧ, тем этот показатель лучше);
- хорошее быстродействие при скачкообразном изменении частоты в режиме "SPLIT" (чем меньше добротность колебательной системы ГУНа и больше частота сравнения в петле ФАПЧ, тем этот показатель лучше);
- минимальное количество ГУНов для работы на всех диапазонах (самое малое - это один ГУН...);
- выбор такого диапазона перестройки ГУНа, при котором с учетом последующего деления частоты обеспечивается минимальный коэффициент перекрытия по частоте этого ГУНа (чем меньше диапазон перестройки ГУНа, тем чище спектр выходного сигнала);
- минимальные аппаратурные затраты и простота управления (микросхемы высокочатотной части синтезатора, цифровой части и элементы петли ФАПЧ);
- ограничения примененного преобразователя "вал - код" (всего 36 отверстий в диске, а значит 36 импульсов управления на один оборот ручки настройки)...и т.д...
В результате такого всестороннего (как
говорят специалисты - системного подхода) получился определенный
компромисс межу всеми этими требованиями. Кроме того, автор имел
практический опыт эксплуатации синтезатора и с бОльшим шагом - 256 Гц !
Особых неудобств при работе SSB, CW и цифровых видах связи не было. А в
этом варианте, когда шаг перестройки меняется от 50 до 170 Гц в
зависимости от рабочего диапазона, после эксплуатации трансивера в
течение года, предствляется более-менее оптимальным шаг перестройки 50
Гц (хотя и 100 Гц неплохо...). Да и диапазон 28 МГц немаленький, долго
придется крутить ручку с шагом даже в 50 Гц ..:-))
Делать мелкий шаг за счет изменения частоты опорного генератора тоже не
самый лучший вариант, ведь опорный генератор и должен быть ОПОРНЫМ, а не
перестраиваемым, что бы все заинтересованные узлы могли на него
"опереться" для обеспечения требуемой стабильности и т.д. :-)). Да и
схемотехническая реализация (а значит и аппаратурные затраты вырастут)
тоже существенно усложняется с учетом различной степени влияния на
частоту этого генератора на разных диапазонах... Применение "часовых"
кварцевых резонаторов в опорном генераторе не показало плохой
стабильности частоты, может потому, что автором использовались
малогабаритные резонаторы от наручных часов (маленькие цилиндрической
формы), а не в корпусах типа "лодочка".
6. Что касается "информации по сборке"... Особых "нюансов" при сборке этого аппарата нет. Всё как обычно в нашей самодельной технике, по правилу: "начинай с конца" :-)). Корпус из набора "ЦШ-06". Сверловка, слесарка не самые "навороченные", все можно сделать и на кухонном столе с помощью нехитрых инструментов, имеющихся в арсенале любого радиолюбителя-конструктора :-)). Изготовление печатных плат осуществлялось с помощью резака из ножовочного полотна, предварительная прикидка расположения деталей и разводка в программе SprintLayOut v.3.0rus. Каждый узел налаживался отдельно, а затем все постепенно собиралось в корпусе. Синтезатор помещен в коробку из луженой жести (банки от растворимого кофе..).
7. "Но единственное - пугают
напряжения" - частенько встречается такое, и такое: "вот если бы 12
Вольт...". Да, напряжений здесь больше, чем просто 12 В... Но это не
какая-то прихоть... Это КОНЦЕПТУАЛЬНОЕ решение!! Ведь в начале статьи я
не случайно заметил, что ВСЁ в этой конструкции связано с основной
платой ПЧЗЧ от "дроздивера"! Именно при ТАКИХ напряжениях получается
замечательная работа всех узлов этой платы, ведь всеми уже признано, что
этой один из самых лучших вариантов построения тракта ПЧ. Я тоже в этом
убедился на практике, очень хорошее усиление, глубокая и эффективная
АРУ, и ЛИНЕЙНОСТЬ !!! А этот параметр самый существенный, особенно при
работе "цифрой".. :-)). При однополярном напряжении 12 В не получится
добиться от платы ПЧЗЧ тех параметров, которые у автора (RA3AO) при
разнополярном питании..:-((
Потребляемый ток по питающим напряжениям всей малосигнальной части: +12В
около 300 мА, -12В около 100 мА, +5В около 200 мА, -5В около 300 мА.
Возможны отклонения +/- 50 мА...
8. Зачем цифровая шкала при "живом" синтезаторе?. Попробуйте "пофантазировать" КАК и КАКОЙ "управляющий код" вывести на дешифраторы? Полагаю, эти "фантазии" выльются в конечном итоге в весьма большую и сложную схемотехнику при их реализации на "жесткой" логике. Поэтому, действительно, со шкалой проще :-)).
9. "Если вы считаете что у IC-718 плохой приемник...". Во-первых, я так не считаю. Посмотрите раздел "Результаты". Там написано, что кто-то считает приемник IC-718 "отличным" :-)). Во-вторых, не надо делать далеко идущих выводов (про IC-756pro, не о нем речь...). В-третьих, почему это вдруг приемник с чувствительностью на 5-6 дБ хуже (при отключенном УВЧ) должен считается "лучшим" из сравниваемых?. В-четвертых, слушая одновременно ДВА аппарата, пусть даже субъективно, но звучание импортного как-то не понравилось, оно какое-то менее "комфортное", во всяком случае в проведенных сопоставлениях... Да и с линейностью именно НЧ тракта немного похуже оказалось в испытуемом IC-718. Это хорошо заметно при приеме BPSK31-сигналов в программе MixW 2.12eng (на тот момент). Появление второй, третьей гармоник происходило при меньших уровнях (видно по цвету на "водопаде") принимаемого НЧ-сигнала, чем в самодельном аппарате.
Наконец, цель всех этих сопоставлений и сравнений - показать, что можно добиться неплохих результатов и в самодельной технике, применяя относительно простые схемотехнические и конструкторские решения.
CW фильтр
в трансивере «Трель» RW4LQ
73, de
RW4LQ, С.Н. Тарасов, 432063, Ульяновск, а/я 4655.
E-mail: rw4lq@mail.ru
| https://nebopitera.ru полет на самолете ночью в спб. Камин в интерьере ванной комнаты создаст особую атмосферу | Товары из категории армия сша купить. |